ЧТО ТАКОЕ СИМИСТОР И ЗАЧЕМ ОНИ НУЖНЫ
Сообщений 1 страница 2 из 2
Поделиться209.04.2020 19:29:41
Применение
Этот тип полупроводниковых элементов первоначально предназначался для применения в производственной сфере, например, для управления электродвигателями станков или других устройств, где требуется плавная регулировка тока. Впоследствии, когда техническая база позволила существенно уменьшить размеры полупроводников, сфера применения симметричных тринисторов существенно расширилась. Сегодня эти устройства используются не только в промышленном оборудовании, а и во многих бытовых приборах, например:
зарядные устройства для автомобильных АКБ;
бытовое компрессорное оборудования;
различные виды электронагревательных устройств, начиная от электродуховок и заканчивая микроволновками;
ручные электрические инструменты (шуроповерт, перфоратор и т.д.).
И это далеко не полный перечень.
Одно время были популярны простые электронные устройства, позволяющие плавно регулировать уровень освещения. К сожалению, диммеры на симметричных тринисторах не могут управлять энергосберегающими и светодиодными лампами, поэтому эти приборы сейчас не актуальны.
Как проверить работоспособность симистора?
В сети можно найти несколько способ, где описан процесс проверки при помощи мультиметра, те, кто описывал их, судя по всему, сами не пробовали ни один из вариантов. Чтобы не вводить в заблуждение, следует сразу заметить, что выполнить тестирование мультиметром не удастся, поскольку не хватит тока для открытия симметричного тринистора. Поэтому, у нас остается два варианта:
Использовать стрелочный омметр или тестер (их силы тока будет достаточно для срабатывания).
Собрать специальную схему.
Алгоритм проверки омметром:
Подключаем щупы прибора к выводам T1 и T2 (A1 и A2).
Устанавливаем кратность на омметре х1.
Проводим измерение, положительным результатом будет бесконечное сопротивление, в противном случае деталь «пробита» и от нее можно избавиться.
Продолжаем тестирование, для этого кратковременно соединяем выводы T2 и G (управляющий). Сопротивление должно упасть примерно до 20-80 Ом.
Меняем полярность и повторяем тест с пункта 3 по 4.
Если в ходе проверки результат будет таким же, как описано в алгоритме, то с большой вероятностью можно констатировать, что устройство работоспособное.
Заметим, что проверяемую деталь не обязательно демонтировать, достаточно только отключить управляющий вывод (естественно, обесточив предварительно оборудование, где установлена деталь, вызывающая сомнение).
Необходимо заметить, что данным способом не всегда удается достоверно проверку, за исключением тестирования на «пробой», поэтому перейдем ко второму варианту и предложим две схемы для тестирования симметричных тринисторов.
Схему с лампочкой и батарейкой мы приводить не будем в виду того, что таких схем достаточно в сети, если вам интересен этот вариант, можете посмотреть его в публикации о тестировании тринисторов. Приведем пример более действенного устройства.
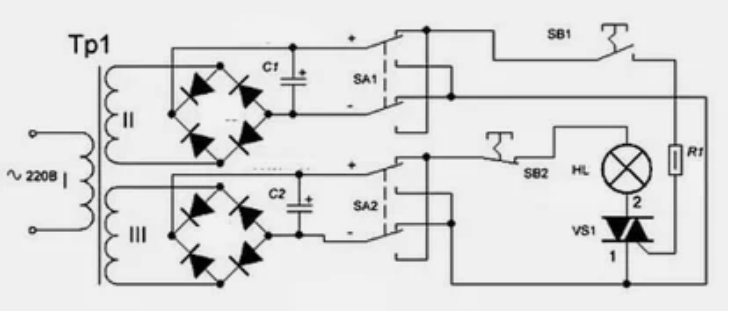
Схема простого тестера для симисторов
Обозначения:
Резистор R1 – 51 Ом.
Конденсаторы C1 и С2 – 1000 мкФ х 16 В.
Диоды – 1N4007 или аналог, допускается установка диодного моста, например КЦ405.
Лампочка HL – 12 В, 0,5А.
Можно использовать любой трансформатор с двумя независимыми вторичными обмотками на 12 Вольт.
Алгоритм проверки:
Устанавливаем переключатели в исходное положение (соответствующее схеме).
Производим нажатие на SB1, тестируемое устройство открывается, о чем сигнализирует лампочка.
Жмем SB2, лампа гаснет (устройство закрылось).
Меняем режим переключателя SA1 и повторяем нажатие на SB1, лампа снова должна зажечься.
Производим переключение SA2, нажимаем SB1, затем снова меня ем положение SA2 и повторно жмем SB1. Индикатор включится, когда на затвор попадет минус.
Теперь рассмотрим еще одну схему, только универсальную, но также не особо сложную.
Схема для проверки тиристоров и симисторов
Обозначения:
Резисторы: R1, R2 и R4 – 470 Ом; R3 и R5 – 1 кОм.
Емкости: С1 и С2 – 100 мкФ х 10 В.
Диоды: VD1, VD2, VD5 и VD6 – 2N4148; VD2 и VD3 – АЛ307.
В качестве источника питания используется батарейка на 9V, по типу Кроны.
Тестирование тринисторов производится следующим образом:
Переключатель S3, переводится в положении, как продемонстрировано на схеме (см. рис. 6).
Кратковременно производим нажатие на кнопку S2, тестируемый элемент откроется, о чем просигнализирует светодиод VD
Меняем полярность, устанавливая переключатель S3 в среднее положение (отключается питание и гаснет светодиод), потом в нижнее.
Кратковременно жмем S2, светодиоды не должны загораться.
Если результат будет соответствовать вышеописанному, значит с тестируемым элементом все в порядке.
Теперь рассмотрим, как проверить с помощью собранной схемы симметричные тринисторы:
Выполняем пункты 1-4.
Нажимаем кнопку S1- загорается светодиод VD