Микроконтроллеры ATMEL - ATMEGA644-20PU
Сообщений 1 страница 3 из 3
Поделиться322.03.2020 06:40:34


Общее описание
ATmega644 - 8-битный микроконтроллер CMOS с низким энергопотреблением, основанный на AVR с расширенной архитектурой RISC. Выполняя мощные команды в один тактовый цикл, ATmega644 достигает производительности, приближающейся к 1 MIPS при частоте 1 МГЦ, что позволяет системному проектировщику оптимизировать потребляемую мощность на выбранной частоте.
AVR ядро комбинирует богатую систему команд с 32 универсальными рабочими регистрами. Все 32 регистра непосредственно связаны с Арифметическим Логическим Устройством (АЛУ), которое обрабатывает два независимых регистра в отдельной команде за один тактовый цикл. Результирующая архитектура обладает более высокой эффективностью, обеспечивая производительность в более чем 10 раз выше по сравнению с обычными CISC-микроконтроллерами.
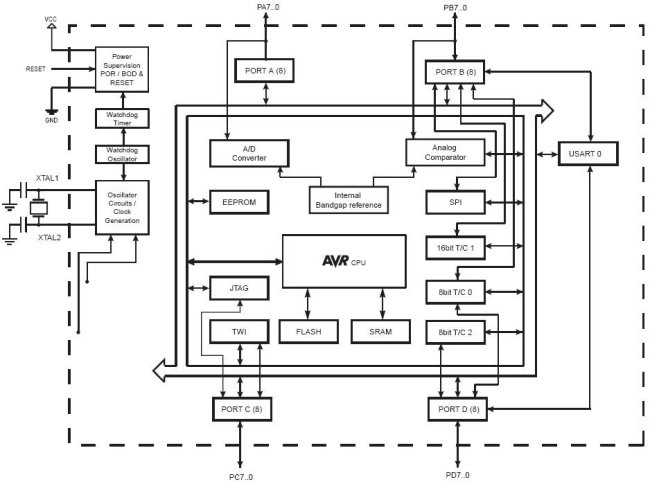
ATmega644 обладает следующими особенностями: 64К байт системной программируемый Flash памяти с возможностью "чтения, во время записи", 2К байт EEPROM, 4К байт SRAM, 32 универсальные линии ввода - вывода, 32 универсальных рабочих регистра, часы реального времени (RTC), три гибких Таймера/Счетчика с режимами сравнения, внутренние и внешние прерывания, 2 USART, байт ориентированный 2-проводный последовательный интерфейс, 10 разрядный аналого-цифровой преобразователь с 8 каналами и дополнительной стадией дифференцирования, программируемый сторожевой таймер с внутренним генератором, SPI последовательный порт, JTAG совместимый со стандартом IEEE 1149.1, встроенная система отладки и шесть программно выбираемых режимов сохранения питания. Idle режим останавливает центральный процессор при этом сохраняет данные в SRAM, оставляя в рабочем состоянии Таймеры/Счетчики, SPI порт, и систему прерываний, для того чтобы затем продолжить работу в активном режиме. Режим Power-down сохраняет данные в регистрах, и останавливает генератор, отключая все другие функции чипа до следующего прерывания или аппаратного сброса. В режиме Power-save, асинхронный таймер продолжает работать, разрешая пользователю обслуживать ядро таймера, в то время как остальная часть устройства бездействует. Аналого-цифровой преобразователь в режиме Noise Reduction останавливает центральный процессор и все модули ввода - вывода кроме асинхронного таймера и аналого-цифрового преобразователя, тем самым минимизирует шум переключения во время преобразований АЦП. В режиме Standby, кристалл/резонатор генератора выполняется, в то время как остальная часть устройства бездействует. Это обеспечивает очень быстрый запуск одновременно с низким энергопотреблением. В режиме Extended Standby основной генератор и асинхронный таймер продолжают работать.
Устройство изготовлено, используя энергонезависимую технологию памяти Atmel с высокой степенью интеграции. Встроенная ISP Flash позволяет перепрограммировать системную память программ через последовательный SPI интерфейс обычным энергонезависимым программатором памяти, или встроенной программой загрузки, выполняющейся в ядре AVR. Программа загрузки может использовать любой интерфейс для загрузки прикладной программы в память Flash. Программа в загрузочном секторе может выполняться во время программирования сектора прикладной программы, этим обеспечивается операция "чтение во время записи". Объединяя 8-разрядный центральный процессор архитектуры RISC с системной программируемой Flash памятью на монолитном чипе, ATmega644 фирмы Atmel - мощный микроконтроллер, который обеспечивает очень гибкое и эффективное решение для многих внедряемых приложений управления.
ATmega644 AVR поддерживается с полным набором команд в системных инструментальных средствах разработки, включая: C компиляторы, макроассемблер, отладчики/имитаторы, внутрисхемные эмуляторы, и оценочные наборы.
