Оптосимистор принадлежат к классу оптронов и обеспечивают очень хорошую гальваническую развязку (порядка 7500 В) между управляющей цепью и нагрузкой. Эти радиоэлементы состоят из Арсенид-гелиевого инфракрасного светодиода, соединенного посредством оптического канала м двунаправленным кремневым переключателем. Последний может дополнен отпирающей схемой, срабатывающей при переходе через нуль питающего напряжения и размещенной на том же кремниевом кристалле.
Эти радиоэлементы особенно незаменимы при управлении более мощными симисторами, например при реализации реле высокого напряжения или большей мощности. Подобные оптопары были задуманы для осуществления связи между логическими элементами с малым уровнем напряжения (например, вентиль TTL) и нагрузкой, питаеой сетевым напряжением (110 или 220 вольт).
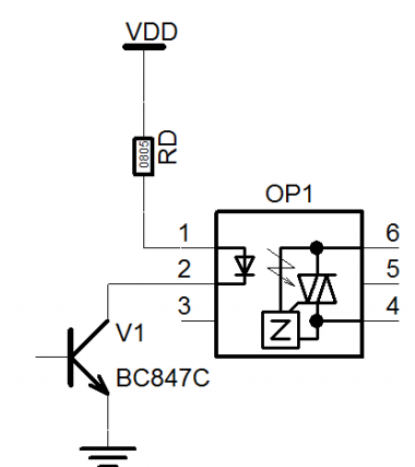
Оптосимистор может размещаться в малогабаритном DIP-корпусе с шестью выводами, его цоколевка и внутренняя структура показана на рисунках ниже.
Эти радиоэлементы особенно незаменимы при управлении более мощными симисторами, например при реализации реле высокого напряжения или большей мощности.

Для решения вопроса нам подойдут любые оптроны со схемой детектора нуля. Эти оптроны позволяют избавиться от радиопомех которые присущи при работе симисторов и тиристоров.
Ниже приведена таблица, все выбранные оптроны отличаются минимальным гарантированием током управления и максимальным рабочим напряжением.
Ift Тип Тип Тип Тип
20 MOC3031 MOC3041 MOC3061 MOC3081
10 MOC3032 MOC3042 MOC3062 MOC3082
05 MOC3033 MOC3043 MOC3063 MOC3083
Vdrm 250 В 400 В 600 В 800 В
Для поставленной задачи подойдет любой.
Более тонко в вникать в характеристики нет смысла. Рассмотрим основные параметры и схемы подключения.

Эти схемы ничем принципиально не различаются, только где будет подключена нагрузка, но хочу обратить внимание нагрузка должна быть активного фактора. Если в нагрузке присутствует индуктивность эти необходимо использовать схемы с защитой оптосимистора и силового симистора (но здесь их рассматривать не будем).
В этой схеме есть два элемента которые надо рассчитать, но на практике такие расчеты делаются редко, “один раз рассчитал и на всю жизнь”.
Но я считаю этими приемами надо владеть.
Расчет сопротивления RD.
Расчет этого резистора зависит от минимального прямого тока инфракрасного светодиода, гарантирующего отпирание симистора.
Следовательно RD=(+VDD -1.5)/If

Например, для схемы транзисторного управления (которое используется в схемах регуляторов температуры), с напряжением питания + 12 В и напряжением на отрытом транзисторе (Uкэ нас) равном 0,3 В +VDD = 11.7 B и If должен быть находится в диапазоне 15 и 50 мА для MOC3041. Следует принять If = 20 мА с учетом снижения эффективности светодиода в течении срока службы (запас 5 мА), целиком обеспечения работу оптопары с постепенным ослаблением силы тока.
Таким образом имеем:
RD=(11.7-1.5)/0.02= 510 Ом.
Полученное значение даже вписывается в стандартный ряд сопротивлений.
Расчет сопротивления R.
Это сопротивление если работа идет на чисто активную нагрузку можно даже не ставить, но это только для лабораторных условий. Поэтому для надежной работы объясню как его рассчитать и его назначение.
Управляющий электрод оптосимистора может выдержать определенный максимальный ток. Превышение этого тока вызовет повреждение оптрона. Нам необходимо рассчитать сопротивление, чтобы при максимальном рабочем напряжении сети (например, 220 В) ток не превышал максимально допустимый.
Для выше указанных оптопар максимальной допустимый ток 1 А.
Минимальное сопротивление резистора R:
Rmin=220 В * 1,44 / 1 А = 311 Ом.
С другой стороны слишком большое сопротивление может привести к нарушению работы схемы (будет перебои с включением силового симистора).
Поэтому принимаем сопротивление из стандартного ряда R=330 или 390 Ом.
Расчет сопротивления Rg.
Резистор Rg необходим, только в случаи высокочуствительного управляющего электрода симистора. И обычно может составлять от 100 Ом до 5 кОм. Я рекомендую ставить 1 кОм.