Ремонт и модернизация бюджетных источников питания
Введение
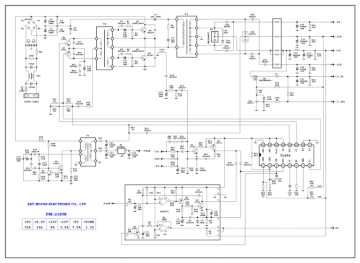
Большой плюс компьютерного блока питания состоит в том, что он стабильно работает при изменении сетевого напряжения от 180 до 250 В, причем некоторые экземпляры работают и при большем разбросе напряжений. От блока мощностью 200 Вт реально получить полезный ток нагрузки 15-17 А, а в импульсном (кратковременном режиме повышенной нагрузки) - вплоть до 22 А. Компьютерные БП типового ряда, соответствующие стандарту АТХ12 и предназначенные для использования в ПК на базе процессоров Intel Pentium IV и ниже, чаще всего выполнены на микросхемах 2003, AT2005Z, SG6105, КА3511, LPG-899, DR-B2002, IW1688. Подобные устройства содержат меньшее количество дискретных элементов на плате, имеют меньшую стоимость, чем построенные на основе популярного ШИМ -микросхемы TL494. В данном материале мы рассмотрим несколько подходов по ремонту вышеупомянутых блоков питания и дадим несколько практических советов.
Блоки и схемы
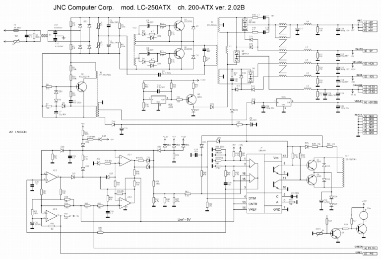
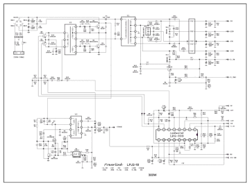
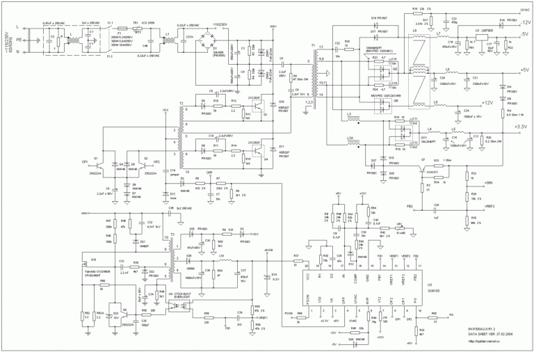
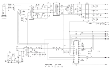
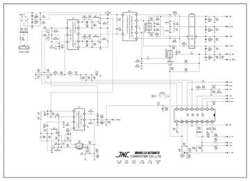
Компьютерный блок питания можно применять не только по прямому назначению, но и в виде источников для широкого спектра электронных конструкций для дома, требующих для своей работы постоянного напряжения 5 и 12 В. Путем незначительной переделки, описанной ниже, сделать это совсем нетрудно. А приобрести БП можно отдельно как в магазине, так и бывший в употреблении на любом радиорынке (если не хватает собственных «закромов») за символическую цену. Этим блок питания компьютера выгодно отличается в перспективе применения в домашней лаборатории радиомастера от всех других промышленных вариантов. Для примера мы возьмем блоки JNC моделей LC-B250ATX и LC-B350ATX, а также InWin IP-P300AQ2, IP-P350AQ2, IP-P400AQ2, IP-P350GJ20, которые используют в своей конструкции микросхему 2003 IFF LFS 0237Е. В некоторых других встречаются BAZ7822041H или 2003 BAY05370332H. Все эти микросхемы конструктивно отличаются друг от друга назначением выводов и «начинкой», но принцип работы у них одинаковый. Так микросхема 2003 IFF LFS 0237Е (далее будем называть ее 2003) -это ШИМ (широтно-импульсный модулятор сигналов) в корпусе DIP-16.
До недавнего времени большинство бюджетных компьютерных БП производства китайских фирм выполнялось на основе микросхемы ШИМ-контроллера TL494 фирмы Texas Instruments или ее аналогов других фирм-производителей, таких как Motorola, Fairchild, Samsung и прочих. Эта же микросхема имеют отечественный аналог КР1114ЕУ4 и КР1114ЕУЗ (цоколевка выводов в отечественном исполнении различная). Изучим для начала методы диагностики и тестирования неполадок.

Как изменить входное напряжение
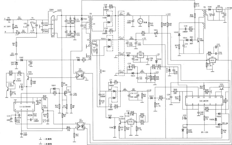
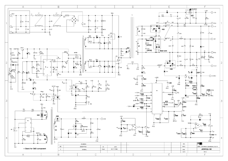
Сигнал, уровень которого пропорционален мощности нагрузки преобразователя, снимается со средней точки первичной обмотки разделительного трансформатора ТЗ, далее через диод D11 и резистор R35 поступает на корректирующую цепочку R42R43R65C33, после которой подается на вывод PR микросхемы. Поэтому в данной схеме устанавливать приоритет защиты по какому-либо одному напряжению затруднительно. Здесь пришлось бы сильно изменить схему, что нерентабельно по затратам времени. В других схемах компьютерных БП, к примеру, в LPK-2-4 (300 Вт), напряжение с катода сдвоенного диода Шоттки типа S30D40C, выпрямителя выходного напряжения +5 В, поступает на вход UVac микросхемы U2 и используется для контроля входного напряжения Регулируемое выходное напряжение бывает полезно для домашней лаборатории. К примеру, для питания от компьютерного БП электронных устройств для легкового автомобиля, где напряжение в бортовой сети (при работающем двигателе) 12.5-14 В. Чем больше уровень напряжения, тем больше полезная мощность электронного устройства. Особенно это важно для радиостанций. Для примера рассмотрим адаптацию популярной радиостанции (трансивера) к нашему БП LC-B250ATX - повышение напряжения по шине 12 В до 13.5-13.8 В. Припаиваем подстроенный резистор, к примеру, СП5-28В (желательно с индексом «В» в обозначении - признак линейности характеристики) сопротивлением 18-22 кОм между выводом 6 микросхемы U2 и шиной +12 В. На выход +12 В устанавливаем автомобильную лампочку 5-12 Вт в качестве эквивалента нагрузки (можно подключить и постоянный резистор 5-10 Ом с мощностью рассеяния от 5 Вт и выше). После рассмотренной незначительной доработки БП вентилятор можно не подключать и саму плату в корпус не вставлять. Запускаем БП, к шине +12 В подключаем вольтметр и контролируем напряжение. Вращением движка переменного резистора устанавливаем выходное напряжение 13.8 В. Выключаем питание и замеряем омметром получившееся сопротивление подстроенного резистора. Теперь между шиной +12 В и выводом 6 микросхемы U2 припаиваем постоянный резистор соответствующего сопротивления. Таким же образом можно скорректировать напряжение по выходу +5 В. Сам же ограничительный резистор подключают к выводу 4 микросхемы 2003 IFF LFS 0237Е.

Принцип работы схемы 2003
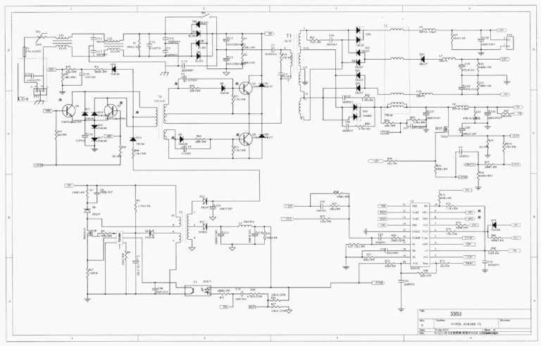
Напряжение питания Vcc (вывод 1) на микросхему U2 поступает от источника дежурного напряжения +5V_SB. На отрицательный вход усилителя ошибки IN микросхемы (вывод 4) поступает сумма выходных напряжений ИП +3.3 В, +5 В и +12 В. Сумматор выполнен соответственно на резисторах R57, R60, R62. Управляемый стабилитрон микросхемы U2 используется в схеме оптронной обратной связи в источнике дежурного напряжения +5V_SB, второй стабилитрон используется в схеме стабилизации выходного напряжения +3.3V. Схема управления выходным полумостовым преобразователем БП выполнена по двухтактной схеме на транзисторах Q1, Q2 (обозначение на печатной плате) типа Е13009 и трансформаторе ТЗ типа EL33-ASH по стандартной схеме, применяемой в компьютерных блоках. Взаимозаменяемые транзисторы - MJE13005, MJE13007, Motorola MJE13009 выпускают многие зарубежные фирмы-производители, поэтому вместо аббревиатуры MJE в маркировке транзистора могут присутствовать символы ST, РНЕ, KSE, НА, MJF и другие. Для питания схемы используется отдельная обмотка трансформатора дежурного режима Т2 типа EE-19N. Чем большую мощность имеет трансформатор ТЗ (чем толще провод использован в обмотках), тем больше выходной ток самого блока питания. В некоторых печатных платах, которые мне приходилось ремонтировать, «раскачивающие» транзисторы имели наименование 2SC945 и Н945Р, 2SC3447, 2SC3451, 2SC3457, 2SC3460(61), 2SC3866, 2SC4706, 2SC4744, BUT11A, BUT12A, BUT18A, BUV46, MJE13005, а обозначение на плате было указано как Q5 и Q6. И при этом на плате было всего 3 транзистора! Сама же микросхема 2003 IFF LFS 0237Е была обозначена как U2, и при этом на плате нет ни одного обозначения U1 или U3. Однако оставим эту странность в обозначении элементов на печатных плата на совести китайского производителя. Сами обозначения не принципиальны. Главное отличие рассматриваемых блоков питания типа LC-B250ATX - наличие на плате одной микросхемы типа 2003 IFF LFS 0237Е и внешний вид платы, соответствующий рисунку.
В микросхеме применен управляемый стабилитрон (выводы 10,11), аналогичный TL431. Он используется для стабилизации цепи питания 3.3 В. Отмечу, что в моей практике ремонта блоков питания вышеупомянутая схема - самое слабое место в компьютерном БП. Однако прежде чем менять микросхему 2003, рекомендую сначала проверить саму цепь.

Диагностика АТХ блоков питания на микросхеме 2003
Если блок питания не запускается, то нужно в первую очередь снять крышку корпуса и проверить оксидные конденсаторы и другие элементы на печатной плате внешним осмотром. Оксидные (электролитические) конденсаторы явно подлежат замене, если их корпуса вздуты и если они имеют сопротивление менее 100 кОм. Определяется это «прозвонкой» омметром, к примеру, моделью М830 в соответствующем режиме измерений. Одна из часто встречающихся неисправностей БП на основе микросхемы 2003 -отсутствие стабильного запуска. Запуск производится кнопкой Power на передней панели системного блока, при этом контакты кнопки замыкаются, причем вывод 9 микросхемы U2 (2003 и аналогичной) соединяется с «корпусом» общим проводом. В «косе» это, как правило, зеленый и черный провода. Для того чтобы быстро восстановить работоспособность устройства, достаточно отсоединить от печатной платы вывод 9 микросхемы U2. Теперь БП должен включаться стабильно путем нажатия на клавишу задней панели системного блока. Этот метод хорош тем, что позволяет и далее без ремонта, который не всегда выгоден материально, использовать морально устаревший компьютерный БП, или тогда, когда блок используется не по назначению, к примеру, для питания электронных конструкций в домашней радиолюбительской лаборатории. Если перед включением питания удерживать нажатой кнопку «reset» и отпускать через несколько секунд, то системой будет имитироваться увеличение задержки сигнала Power Good. Так можно проверить причины неисправности потери данных в CMOS (ведь не всегда «виновата» батарейка). Если данные, к примеру, время, периодически теряются, то следует проверить задержку при отключении. Для этого «reset» нажимается перед отключением питания и удерживается еще несколько секунд, имитируя ускорение снятия сигнала Power Good. Если при таком выключении данные сохраняются, дело в большой задержке при выключении.

Увеличение мощности
На печатной плате установлены два высоковольтных электролитических конденсатора емкостью 220 мкФ. Для улучшения фильтрации, ослабления импульсных помех и в итоге для обеспечения устойчивости компьютерного БП к максимальным нагрузкам эти конденсаторы заменяют на аналоги большей емкости, к примеру, 680 мкФ на рабочее напряжение 350 В. Пробой, потеря емкости или обрыв оксидного конденсатора в схеме БП уменьшает или сводит на нет фильтрацию питающего напряжения. Напряжение на обкладках оксидного конденсатора в устройствах БП порядка 200 В, а емкость находится в диапазоне 200-400 мкФ. Китайские производители (VITO, Feron и другие) устанавливает, как правило, самые дешевые пленочные конденсаторы, не сильно заботясь ни о температурном режиме, ни о надежности устройства. Оксидный конденсатор в данном случае применяется в устройстве БП в качестве высоковольтного фильтра питания, поэтому должен быть высокотемпературным (105 °С). Несмотря на рабочее напряжение, указанное на таком конденсаторе 250-400 В (с запасом, как и положено), он все равно «сдает» по причине своего низкого качества. Для замены рекомендую оксидные конденсаторы фирм КХ, СарХоп, а именно HCY CD11GH и ASH-ELB043 - это высоковольтные оксидные конденсаторы, специально разработанные для применения в электронных устройствах питания. Даже если внешний осмотр не позволил найти неисправные конденсаторы, мы следующим шагом все равно выпаиваем кондеры на шине +12 В и вместо них устанавливаем аналоги большей емкости: 4700 мкФ на рабочее напряжение 25 В. Сам участок печатной платы БП ПК с оксидными конденсаторами по питанию, подлежащими замене. Вентилятор мы аккуратно снимаем и устанавливаем наоборот - так, чтобы он дул внутрь, а не наружу. Такая модернизация улучшает охлаждение радиоэлементов и в итоге повышает надежность устройства при длительной эксплуатации. Капля машинного или бытового масла в механических деталях вентилятора (между крыльчаткой и осью электродвигателя) не помешает. По моему опыту, можно сказать, что значительно уменьшается шум нагнетателя при работе.
Замена диодных сборок на более мощные
На печатной плате блока питания диодные сборки установлены на радиаторах, и их вид, а также сам участок платы представлены на рисунке внизу. В центре установлена сборка UF1002G (по питанию 12 В), справа на этом радиаторе установлена диодная сборка D92-02, обеспечивающая питание -5 В. Если такое напряжение в домашней лаборатории не нужно, данную сборку типа можно безвозвратно выпаять, В целом D92-02 рассчитана на ток до 20 А и напряжение 200 В (в импульсном кратковременном режиме в разы больший), поэтому она вполне подходит для установки вместо UF1002G (ток до 10 А). На рис. 6 представлен внешний вид диодных сборок UF1002G и более мощной Fuji D92-02 в корпусе ТО-247. Диодную сборку Fuji D92-02 можно заменить, например, на S16C40C, S15D40C или S30D40C. Все они, в данном случае, для замены подходят. У диодов с барьером Шоттки меньше падение напряжения и, соответственно, нагрев. Особенность замены в том, что «штатная» диодная сборка по выходу (шина 12 В) UF1002G имеет полностью пластмассовый корпус из композита, поэтому крепится к общему радиатору или проводящей ток пластине с помощью термопасты. А диодная сборка Fuji D92-02 (и аналогичные) имеет металлическую пластину в корпусе, что предполагает особую осторожность при ее установке на радиатор, то есть через обязательную изолирующую прокладку и диэлектрическую шайбу под винт. Причина выхода из строя диодных сборок UF1002G состоит в выбросах напряжения на диодах с амплитудой, увеличивающейся при работе БП под нагрузкой. При малейшем превышении допустимого обратного напряжения диоды Шотки получают необратимый пробой, поэтому рекомендуемая замена на более мощные диодные сборки в случае перспективного использования БП с мощной нагрузкой вполне оправдана. Наконец, есть один совет, который позволит проверить работоспособность защитного механизма. Закоротим тонким проводом, к примеру, МГТФ-0.8, шину +12 В на корпус (общий провод). Так должно полностью пропасть напряжение. Чтобы оно восстановилось -выключим БП на пару минут для разряда высоковольтных конденсаторов, снимем шунт (перемычку), удалим эквивалент нагрузки и включим БП снова; он заработает в штатном режиме. Переделанные таким образом компьютерные блоки питания работают без проблем годами в режиме 24 часа с полной нагрузкой.