
Описание: цифровой мультиметр M830B производит измерения силы постоянного и переменного тока, величины постоянного и переменного напряжения, сопротивления и коэффициент усиления биполярных транзисторов (h21). Так же с помощью мультиметра M830B можно прозванивать полупроводниковые диоды. Результаты измерений выводятся на цифровой 31/2 -разрядный ЖК-дисплей. Питание мультиметра осуществляется от одной батареи 9В типа "Крона". В комплекте поставки мультиметра M830B входит комплект щупов и инструкция на русском языке.
Характеристики:
Количество измерений в секунду: 2
Постоянное напряжение U= 0,1мВ - 1000В
Переменное напряжение U~ 0,1В - 750В
Постоянный ток I= 200?A - 10A
Диапазон частот по перем. току 40 - 400Гц
Сопротивление R 0,1 Ом - 2 МОм
Входное сопротивление R 1 МОм
Коэффициент усиления транзисторов h21 до 1000
Диод-тест : есть
Питание 9В /типа NEDA 1604, Крона ВЦ /
Габариты, мм 65 ? 125 ? 28
Вес, грамм (с батареей) 180
Сервис: Индикация разряда батарейки
Индикация перегрузки «1»
Средняя цена: 8-10$
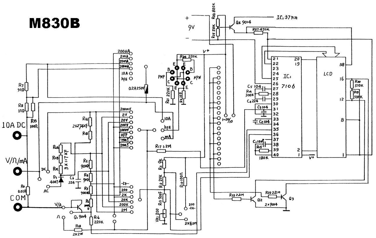
Ниже приведена схема цифрового мультиметра M830B: