Для колонок описанных здесь, я решил собрать простой усилитель мощностью 8-10 Ватт в канале, на самых дешёвых микросхемах, которые только удалось найти на местном радиорынке. Ими оказались – TDA2030 ценой всего по 0,38$.
Предполагаемая мощность в нагрузке должна составить 8-10 Ватт в канале:
10 * 2 = 20W
КПД микросхемы TDA2030 по даташиту (datasheet) – 65%.
20 / 0,65 = 31W
Я подобрал трансформатор с витым броневым магнитопроводом, так что, КПД можно принять равным – 90%.http://oldoctober.com/
31 / 0,9 = 34W
Приблизительно оценить КПД трансформатора можно по таблице.
Значит, понадобится сетевой трансформатор мощностью около 30-40 Ватт. Такой трансформатор должен весить около килограмма или чуть больше, что, на мой взгляд, прибавит моему мини усилителю устойчивости и он не будет «бегать» за шнурами.
Если мощность трансформатора больше требуемой, то это всегда хорошо. У более мощных трансформаторов выше КПД. Например, трансформатор мощностью 3-5 Ватт может иметь КПД всего 50%, в то время как у трансформаторов мощностью 50–100 Ватт КПД обычно около 90%.
Итак, с мощностью трансформатора вроде всё более или менее ясно.
Теперь нужно определиться с выходным напряжением трансформатора.
Вернуться наверх к меню
Какую схему питания УНЧ выбрать?
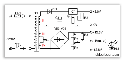
Для питания микросхемы, я решил использовать двухполярное питание.
При двухполярном питании не требуется бороться с фоном и щелчками при включении. Кроме того, отпадает необходимость в разделительных конденсаторах на выходе усилителя.
Ну, и самое главное, микросхемы, рассчитанные на однополярное питание и имеющие соизмеримый уровень искажений, в несколько раз дороже.
Это схема блока питания. В нём применён двухполярный двухполупериодный выпрямитель, которому требуются трансформатор с двумя совершенно одинаковыми обмотками «III» и «IV» соединёнными последовательно. Далее все основные расчёты будут вестись только для одной из этих обмоток.

Обмотка «II» предназначена для питания электронных регуляторов громкости, тембра и стереобазы, собранных на микросхеме TDA1524. Думаю описать темброблок в одной из будущих статей.
Ток, протекающий через обмотку «II» будет крайне мал, так как микросхема TDA1524 при напряжении питания 8,5 Вольта потребляет ток всего 35мА. Так что потребление здесь ожидается менее одного Ватта и на общей картине сильно не отразится.
Вернуться наверх к меню
Расчёт выходного напряжения (переменного тока) трансформатора работающего на холостом ходу или без существенной нагрузки.
Этот расчёт необходимо сделать, чтобы обезопасить микросхему от пробоя.
Максимальное допустимое напряжение питания TDA2030 – ±18 Вольт постоянного тока.
Для переменного тока, это будет:
18 / 1,41 = 12,8 V
Падение напряжения на диоде* выпрямителя при незначительной нагрузке – 0,6 V.
12,8 + 0,6 = 13,4 V
* Схема применённого выпрямителя построена так, что протекающий в любом направлении ток создаёт падение напряжения только на одном из диодов. При использовании одной вторичной обмотки и мостового выпрямителя, таких диодов будет два.
При повышении напряжения сети, напряжение на выходе выпрямителя увеличится. По нормативам, напряжение сети должно быть в пределах – -10… +5% от 220-ти Вольт.
Уменьшаем напряжение на вторичной обмотке трансформатора для компенсации повышения напряжения сети на 5%.
13,4 / 1,05 = 12,8 V
Мы получили значение максимального допустимого напряжения переменного тока на вторичной обмотке трансформатора при питании микросхемы TDA2030 от двухполярного источника без стабилизации напряжения.
Проще говоря, это чтобы напряжение не вылезло за пределы ±18V и не спалило микруху.
Отредактировано Gitunik (05.01.2020 16:40:56)