Купил S-90D. Состояние колонок на твёрдую 4. Были не исправны вч динамики, и на одной колонке снизу немного разошёлся по швам корпус. В комплекте имеются грили.
ВЧ динамики я отремонтировал, теперь как новые, осталось только стянуть и проклеить корпус, да и пролить все стыки клеем на всякий случай).


Характеристики:
Диапазон воспроизводимых частот: 25 (-14 дБ) – 25000 Гц
Неравномерность АЧХ в диапазоне 100 — 8000 Гц: ±4 дБ
Чувствительность: 89 дБ (0,56 Па/√Вт)
Предельная (паспортная) мощность: 90 Вт
Кратковременная мощность: 600 Вт
Размеры (ВхШхГ): 710х360х285 мм
Вес: 23 кг
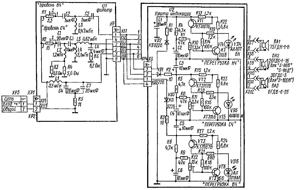
Схема электрическая принципиальная:
Отредактировано G4en (07.02.2020 16:21:07)