Схема оптрона
Оптрон — это прибор, содержащий источник и приемник излучения, которые оптически и конструктивно связаны друг с другом. Источниками света могут служить лампы накаливания, неоновые лампы, электролюминесцентные панели, однако в большинстве случаев ими являются светодиоды. В качестве приемника излучения используют фоторезисторы, фотодиоды, фототранзисторы и фототиристоры. Средой оптического канала, связывающего излучатель и приемник, могут служить воздух, стекло, пластмасса и другие прозрачные вещества.
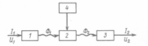
Рис. 2.1. Структурная схема оптрона
Элементарный оптрон, содержащий один источник и один приемник излучения, называют также оптопарой. Будучи объединенными в микросхему вместе с одним или несколькими согласующими или усиливающими устройствами, оптопары образуют оптоэлектронную интегральную микросхему.
В оптронах происходит двойное преобразование энергии (рис. 2.1). Входной электрический сигнал (характеризующийся
силой тока I1 или напряжением U1) преобразуется источником излучения 1 в световой (поток света Ф1), который передается затем по оптическому каналу 2 к фотоприемнику 3. Фотоприемник осуществляет обратное превращение светового сигнала в электрический I2, U2. Среда оптического канала может быть управляемой (например обладать электрооптическими свойствами), что отражено и рис. 2.1 введением в схему устройства управления 4, которое преобразует световой поток Ф1 в поток Ф2. Для согласования параметров оптронов с другими элементами электронных схем могут использоваться дополнительные входные и выходные устройства.
На рис. 2.1 фотоприемник и излучатель электрически не соединены друг с другом. Такие оптроны с успехом могут использоваться в качестве элементов гальванической развязки. Однако введение электрической, а также оптической обратной связи между компонентами оптрона способно существенно расширить его возможности. В этом случае он может быть использован как прибор, позволяющий генерировать и усиливать электрические и оптические сигналы, как запоминающее устройство и т. д.
Помимо уже указанных достоинств оптрон характеризуется:
высокой помехозащищенностью (поскольку его оптический канал невосприимчив к воздействию посторонних электромагнитных полей), а также однонаправленностью передачи оптического сигнала;
широкой частотной полосой пропускания и, в частности, способностью преобразовывать и передавать не только импульсные сигналы, но и постоянную составляющую;
совместимостью с другими изделиями полупроводниковой микроэлектроники.
Среди недостатков, присущих современным оптронам, необходимо прежде всего отметить их низкий к. п. д., что связано с большими потерями энергии при преобразовании электрического сигнала в оптический и обратно. Так же как и у других полупроводниковых приборов, параметры оптронов чувствительны к изменению температуры. От температуры в частности, сильно зависит срок службы таких устройств, который и так во многих случаях оказывается недостаточно высоким даже при комнатной температуре. К недостаткам нужно отнести также относительно высокий уровень собственных шумов и определенное конструкторско-технологическое несовершенство современных оптронов. Выпускаемые приборы изготовляют по гибридной технологии, при этом в одном устройстве необходимо довольно точно совмещать разнородные элементы—излучатель и фотоприемник.
Перечисленные недостатки ограничивают область применения оптронов, однако по мере совершенствования материале и технологии, решения ряда схемотехнических задач эти недостатки проявляются все в меньшей степени.
2.1.2. Элементы оптопары
Достижение высокого к. п. д. оптрона связано с получением высоких значений параметров, характеризующих преобразование и передачу энергии во всех его элементах. Желательно, чтобы параметры составных частей оптопары были согласованы по спектральным характеристикам, быстродействию, температурным свойствам, габаритам; при этом определенные требования предъявляются и на основе технологических соображений. В результате зачастую одно или несколько из вышеперечисленных требований приходится нарушать ради получения максимальных значений каких-либо определенных параметров.
Как уже отмечалось, источником излучения в оптронах в большинстве случаев служат инжекционные светодиоды. Помимо необходимости получения возможно больших к.п.д. преобразования электрической энергии в световую и высокого быстродействия светодиоды, применяемые в оптронах, должны обладать достаточно узкой направленностью излучения (для снижения потерь энергии на пути от источника света к фотоприемнику) и работать при сравнительно небольших входных токах (для согласования с микроэлектронными системами управления). Желательно также, чтобы квантовый выход таких излучателей был постоянным в по возможности более широком диапазоне входных токов, что важно для использования этих приборов в аналоговых схемах. В оптронах могут применяться также полупроводниковые лазеры . Этому препятствуют, однако, большие значения рабочих токов таких приборов, их сравнительно низкая долговечность и высокая стоимость.
Наиболее употребительными материалами для излучателей оптронов являются GaAs, GaAlAs, GaAsP. Светодиоды на основе этих материалов излучают в красной (0,67—0,7 мкм) и ближней инфракрасной (0,8-0,95 мкм) областях спектра. В отличие от обычных светодиодных индикаторов, для которых во многих случаях важно увеличение размеров высвечиваемых символов, излучающая область светодиодов, применяемых в оптронах, должна иметь минимальную площадь, так как при этом не только уменьшаются потери излучения, но и ослабляются требования к точности совмещения этой области с приемным окном фотоприемника. Номинальное напряжение возбуждения подобных светодиодов составляет 1,2—1,7 В, потребляемая ими мощность— 1—50 мВт.
Среду оптического канала выбирают, исходя из следующих соображений. Во-первых, она должна сводить к минимуму потери света, для чего материал оптического канала должен не только быть спектрально согласован с излучателем и фотоприемником, но и иметь показатель преломления, близкий к тем, которыми характеризуются эти элементы оптопары. Во-вторых, материал оптического канала должен обеспечивая высокий уровень электрической изоляции между входом и выходом оптрона (сопротивление изоляции оптопары обычно составляет ~ 1 • 1012 Ом). В-третьих, зачастую оптической среде приходится выполнять дополнительную функцию — служить основой, придающей оптрону конструктивную целостность и предохраняющей его элементы от механических, климатических и радиационных воздействий.
Используют по крайней мере три основных варианта оптического канала. В первом оптической средой служат полимерные оптические клеи, лаки, вязкие вещества (например, незасыхающие вазелиноподобные силиконовые составы), а также некоторые марки стекол (например, халькогенидные). Второй вариант оптического канала — воздушный, при этом для лучшей светопередачи могут использоваться фокусирующие системы на основе стеклянных линз. Третий вариант связан с использованием в качестве оптического канала волоконных световодов. Выбор варианта обусловливается требованиями, связанными с применением оптопары. Так, для получения высоких значений электрической изоляции, создания коротких линий оптической связи используют волоконные световоды, для устройств считывания информации с перфоленты требуется воздушный канал (перфоленту вводят в зазор между излучателем и фотоприемником) и т. д. Кроме того, необходимо учитывать, что многие из перечисленных материалов имеют свои недостатки. Так, полимеры характеризуются провалами спектра пропускания в ближней инфракрасной области (эти провалы обусловлены резонансным поглощением света химическими группами ОН, СН3, СН2, NH2, NH), а также изменением основных параметров со временем (что, естественно, сказывается на характеристиках всей оптопары в целом). Со своей стороны, стекла, применяемые в оптронах, менее устойчивы к резким перепадам температуры, имеют невысокую адгезию к материалам излучателя и фотоприемника.
Важнейшим достоинством оптронов является их способность осуществлять гальваническую развязку элементов электронной схемы. Оптроны, у которых в качестве оптического канала используют тонкие слои полимерных лаков или стекол обладают сравнительно невысокой электрической прочностью изоляции. Так называемое статическое напряжение изоляции Uиз (максимально допустимое постоянное напряжение между входом и выходом оптопары) у них составляет 100—500 В. У оптронов с воздушным зазором значение Uиз выше (до 1 — 5 кВ) и ограничивается уже электрической прочностью корпуса прибора; в оптронах с волоконными световодами максимально допустимое статическое напряжение изоляции может достигать 50—150 кВ.
К. п. д. оптрона, его срок службы, а также ряд других параметров в значительной степени определяются излучателем, и именно поэтому совершенствованию светодиодов уделяется большое внимание. В то же время оптрон как элемент электронной схемы характеризуется не столько излучателем, сколько типом используемого фотоприемника. С практической точки зрения важно, какие функции способен выполнять прибор, а это как раз и определяется фотоприемником, который, таким образом, должен обладать не только высокой эффективностью преобразования падающего на него излучения в электрический ток, но и требуемым быстродействием. В связи с этим различают оптопары резисторного, диодного, транзисторного и тиристорного типов.
Основным материалом фотоприемников для оптронов служит кремний, применяемый в диодных, транзисторных и тиристорных оптопарах. Так, кремниевый p-i-n-фотодиод по спектру и быстродействию хорошо согласуется со светодиодами на основе GaAs:Zn, GaAlAs, GaAsP, а кремниевые фототранзисторы и фототиристоры—с GaAlAs- и GaAs : Si-излучателями. В качестве материала фоторезисторов широко используют CdS и CdSe, хорошо согласующиеся по спектру с излучателями на основе GaP и GaAsP. Следует отметить, однако, что быстродействие фотоприемника зачастую ограничивает быстродействие всей оптопары в целом (это имеет место прежде всего в резисторных оптопарах).
2.1.3. Параметры, характеризующие работу оптронов
Элементарный оптрон является четырехполюсным прибором, свойства которого определяются прежде всего тремя основными характеристиками — входной, передаточной и выходной. Входной является вольт-амперная характеристика излучателя, а выходной—соответствующая характеристика фотоприемника (при заданном токе на входе оптопары).
Передаточной характеристикой называют зависимость тока I2 на выходе оптрона от тока I1 на его входе; в общем случае эта зависимость является нелинейной, что приводит к некоторому искажению формы передаваемого сигнала.
Суммарное быстродействие оптопары часто характеризуют временем переключения:
где t1 и t 2 — соответственно времена нарастания и спада сигнала на выходе оптрона. Время переключения неодинаково у разных типов оптопар, оно зависит также от режимов их работы и может составлять от 10-9 до 10-1 с. Помимо времен переключения, быстродействие некоторых классов оптронов может быть задано граничной частотой fгр. В зависимости от типа оптрона fгр = 0,005… 10 МГц.
Параметром, тесно связанным с зависимостью I2(I1) и часто используемым на практике, является коэффициент передачи по току (статический)
В общем случае, особенно при высоких температурах, когда существен темповой ток Iт на выходе фотоприемника,
Для большинства типов оптопар kI является паспортный параметром, причем он может составлять от 0,5% (диодные; оптопары) до ~1000% (транзисторные оптопары с составным фототранзистором).
Важными для характеристики оптопары являются параметры ее изоляции. Среди этих параметров — максимально допустимое напряжение между входом и выходом (уже упоминавшееся в п. 2.1.2 статическое - Uиз, а также пиковое, максимально допустимое при работе с переменными сигналами). Кроме того, оптопары характеризуются сопротивлением изоляции Rиз и проходной емкостью Спр (емкостью между входом и выходом оптопары). У большинства типов оптопар Rиз может достигать 1·1012 Оm, что исключает обратную связь фотоприемника и излучателя по постоянному току. В то же время связь по переменному току может оказаться существенной. Действительно, скачок напряжения ΔU2 на выходе оптопары (за время Δt) может привести к тому, что через излучатель оптопары потечет емкостный ток
который может привести к заметному сигналу на выходе даже при малой проходной емкости.
В связи с этим для многих типов оптопар актуальность) приобретает задача снижения Спр (обычно она порядка 1 пФ), решение которой может быть связано, например, с увеличением длины оптического канала между излучателем и фотоприемником.
Конструктивно-технологическое оформление оптронов (рис. 2.2, а) определяется требованиями по оптимизации тех или иных параметров этих приборов (1-излучатель, 2-фотоприемник, 3 — оптический канал, 4 — корпус, 5 — электрические выводы). Так, введение помимо полимерного клея стеклянной прокладки в пространство между излучателем и фотоприемником позволяет увеличить Rиз и снизить Спр до 0,01 пФ. Еще большего эффекта можно достичь, используя в качестве оптического канала волоконный световод (рис. 2.2, б). Приборы, изображенные на рис. 2.2, в, г, характеризуются повышенным значением коэффициента передачи по току: потери света в устройствах этого типа сведены к минимуму в первом случае вследствие того, что поток излучения падает на границу раздела элементов оптопары перпендикулярно, во втором — из-за введения в конструкцию дополнительной отражающей поверхности 6.
Исходя из значений Uиэ, Rиз, Спр, а также входной и выходной характеристик оптопары, для каждого типа оптронов задают предельные эксплуатационные данные о входных и выходных напряжениях и токах, напряжении между входом и выходом, указывают максимальную допустимую температуру и т. д. Все эти параметры, а также некоторые Другие обычно приводятся в справочниках.
Общей особенностью рассматриваемых оптронов является то, что они представляют собой не монолитные, а сборные конструкции, элементы которых связаны между собой общим корпусом, оптическим клеем и т. д. Дальнейшее совершенствование оптронов (снижение габаритов, повышение к. п. д., воспроизводимости параметров) связано в первую очередь с созданием монолитных приборов, у которых и излучатель, и фотоприемник либо созданы в одном кристалле, либо выращены на общей подложке с применением тонкопленочной технологии. Следует, однако, отметить, что у таких приборов первостепенную важность могут приобрести другие проблемы, например обеспечение высоких значений параметров изоляции.
2.2. Типы оптронов
2.2.1. Резисторные оптопары
В качестве фотоприемников оптопар этого типа используют фоторезисторы на основе CdS и CdSe. При засветке фоторезисторов их сопротивление снижается от RT (темнового) до RCE (при освещении). Одним из основных параметров резисторных оптопар является отношение этих сопротивлений; значение RТ/RCB может достигать 104–107.
Фоторезисторы обладают, как правило, большой инерционностью. Именно поэтому в фоторезисторных оптопарах в качестве источников излучения широко применяют миниатюрные лампы накаливания, к достоинствам которых следует отнести хорошую воспроизводимость параметров, большой срок службы, малую стоимость. Невысокое быстродействие (время переключения — порядка 1·10-2с) ламп накаливания в оптопарах этого типа не является их недостатком, поскольку общее время переключения (до 10-1 с) определяется фотоприемником. Кроме ламп накаливания в резисторных оптопарах используют светодиоды на основе GaP, спектр излучения которых хорошо согласован со спектрами возбуждения фотопроводимости CdS- и CdSe-фотоприемников.
Некоторые характеристики резисторных оптопар представлены на рис. 2.3. Увеличение тока I1 на входе оптрона сопровождается увеличением светового потока излучателя, в результате чего RCB снижается (рис. 2.3, а). Повышение температуры Т ведет к снижению подвижности свободных носителей заряда в фоторезисторе, увеличению Rсв, а следовательно, к спаду I2 при том же напряжении U2 на выходе (рис. 2.3,6). С ростом Т не только происходит увеличение RCB, но снижается и RT (растет концентрация собственных носителей заряда в зоне проводимости полупроводника). При этом отношение RТ/RCB очень сильно падает (при 70° С оно может составлять лишь примерно 1·102), что делает резисторную оптопару практически непригодной для использования при высоких температурах.
Инерционность резисторных оптопар сказывается на их частотных характеристиках, что иллюстрируется рис. 2.3,в. На рисунке по вертикали отложен коэффициент передачи по току, который в случае оптопар этого типа носит формальный характер, поскольку в выражение (2.2) для kI подставляется просто значение тока I2, соответствующее окончанию линейного участка вольт-амперной характеристики фоторезистора.
Достоинствами резисторных оптопар, определяющими их широкое применение в различных типах оптоэлектронных схем, являются линейность и симметричность выходной характеристики (независимость от полярности включения фоторезистора), отсутствие фото-э. д. с., высокие значения достижимого напряжения на выходе (до 250 В) и темнового сопротивления Rт≈1·106÷1·1011 Ом).
2.2.2. Диодные оптопары
Оптопары этого типа изготовляют на основе кремниевых p-i-n-фотодиодов и арсенидгаллиевых светодиодов.
На рис. 2.4 изображены типичные графики зависимостей коэффициента передачи по току kI от входного тока I1, напряжения на выходе U2 и температуры Т. Из рис. 2.4, а следует, что у диодных оптопар kI остается практически постоянным в широком диапазоне входных токов, что обусловлено постоянством в этом диапазоне квантового выхода ηк светодиода. Подъем в области малых и спад в области больших входных токов (когда начинает сказываться разогрев прибора) также определяется поведением ηк. Квантовый выход фотодиода η3 при этом, как правило, не меняется. Это следует, в частности, из рис. 1.5 и формулы (1-11) — зависимость фототока от падающего потока излучения линейна в рабочем диапазоне значений потоков.
Разогрев оптопары может привести и к снижению η3.
Оценим значение kI для диодной оптопары.
Поток излучения Ф1, испускаемого светодиодом, связан с входным током I1 соотношением
(Здесь ηке — внешний квантовый выход светодиода). В то же время ток на выходе фотоприемника
где η3 — квантовый выход фотодиода, а Ф2— поток излучения, падающий на фотодиод.
Из соотношений (2.5) и (2.6) получаем, что
где = Ф2/Ф1 — коэффициент, учитывающий потери излучения на пути от светодиода к фотоприемнику.
Полагая, что η3≈1 (т.е. каждый фотон, достигнувший фотоприемника, генерирует носитель фототока; это хорошо выполняется, например, в случае p-i-n-фотодиодов), получаем:
kI ≈ ηкеk/.
В идеальном случае, когда потерь света почти не происходит, можно считать, что kI≈ηке, однако зачастую коэффициент k' оказывается заметно меньше единицы. Учитывая, что у реальных светодиодов ηке≈10%, получаем, что для диодных оптопар коэффициент kI вряд ли может превышать нескольких процентов.
Помимо зависимости kI (I1) на рис. 2.4 представлены еще две. Так, на рис. 2.4,б изображена зависимость коэффициента передачи по току диодных оптопар от обратного напряжения на выходе прибора— она довольно слаба. Температурная же зависимость kI диодных оптронов выражена более ярко (рис. 2.4, в), что объясняется зависимостью от Т параметров всех элементов оптопары и в первую очередь—излучателя.
В целом, поскольку у современных диодных оптронов значение коэффициента передачи по току составляет единицы процентов, это означает, что на выходе таких оптопар практически можно получать лишь токи, не превышающие одного-двух миллиампер.
Предельно достижимое время переключения tп диодных оптопар может меняться в довольно широких пределах (0,1 — 10 мкс) в зависимости от марки прибора. Но на практике получить подобное быстродействие довольно трудно, так как из-за малости выходного тока их приходится включать на большую нагрузку. В этом случае существенным оказывается уже время перезарядки, определяемое сопротивлением нагрузки Rн и выходной емкостью оптопары С2. Так, при Rн =(2÷20) кОм и С2 = 50 пФ постоянная времени перезарядки равна 0,1—1 мкс, что сравнимо по величине с предельными значениями tп.
Диодные оптопары могут работать в вентильном режиме, когда оптрон выступает в качестве источника питания. Оптроны, предназначенные для этих целей, имеют повышенное (3–4%) значение kI, однако к. п. д. таких приборов также составляет лишь около одного процента.
Среди выпускаемых диодных оптопар можно выделить, наконец, группу приборов, оптический канал которых выполнен в виде световода длиной 30—100мм. Эти приборы характеризуются высокой электрической прочностью (Uиз = 20≈50 кВ) и малой проходной емкостью (Спр=0,01 пФ).
2.2.3. Транзисторные оптопары
К этому классу приборов относятся диодно-транзисторные (приемником излучения является фотодиод, один из выводов которого соединен с базой транзистора, введенного в состав оптрона) и транзисторные (приемником излучения служит фототранзистор) оптопары, а также оптроны с составным фототранзистором. Их параметры существенно отличаются друг от друга. Так, оптопары с составным фототранзистором обладают наилучшими передаточными характеристиками по току (в результате внутреннего усиления сигнала kI может достигать 1000%), зато диодно-транзисторные имеют большее быстродействие (tп = 2÷4 мкс). При этом оказывается, что для оптопар перечисленных типов отношение остается постоянным в широком интервале значений входных токов. Параметр D называют добротностью оптрона, его значение зависит от параметров изоляции (в частности, от Uиз). Для транзисторных оптронов Uиз = 1÷5 кВ, D= 0,1÷1% мкс-1.(2.8)

Так же как и в случае диодных оптопар, материалом фотоприемников чаще всего является кремний; излучателями в таких приборах служат арсенид-галлиевые светодиоды.
Транзисторные оптопары привлекают внимание возможностью управления коллекторным током как оптическими методами, так и электрическими. Эти приборы позволяют получать высокие значения коэффициента передачи по току и соответственно большие I2 (чем они выгодно отличаются от диодных оптопар) при удовлетворительном быстродействии.
На рис. 2.5 приведены типичные зависимости kI от входного тока для транзисторной (кривая 3), диодно-транзисторной (кривая 1) оптопар, а также для оптопары с составным фототранзистором (кривая 2). Сравнение этого рисунка с рис. 2.4, а показывает, что характеристики таких оптопар сильно отличаются от полученных для диодного оптрона. Это связано с тем, что коэффициент усиления транзистора зависит от тока базы и потому не является постоянной величиной.
Температурные зависимости kI транзисторного оптрона при больших (кривая 1) и малых (кривая 2) входных токах представлены на рис. 2.6. Видно, что при больших I1 коэффициент передачи по току с изменением температуры ведете себя примерно так же, как и в случае диодных оптопар (см. рис. 2.4,6). В общем случае характер кривых kI (T) определяется зависимостями от температуры квантового выхода как светодиода, так и фототранзистора.
Особенностью всех оптопар с излучателями-светодиодами является уменьшение t1 и увеличение t2 с ростом входного тока. Именно поэтому соответствующие характеристики транзисторных и диодных оптопар оказываются сходными.
Повышение температуры приводит к возрастанию инерционности транзисторных оптопар. Одновременно увеличивается и темновой ток фотоприемника. Это особенно сильно сказывается в случае оптопар с составными фототранзисторами: при увеличении температуры от 25 до 100 °С их темновой ток возрастает в 104—105 раз (у обычных транзисторных оптопар это изменение лежит в пределах 102-—103).
2.2.4. Тиристорные оптопары
Тиристорные оптопары используют в качестве ключей для коммутации сильнотоковых и высоковольтных цепей как радиоэлектронного (U2 = 50÷600 В, I2 = 0,1-10 А), так и электротехнического (U2= 100÷300 В, I2 = 6,3÷320 А) назначения. Важным достоинством этих приборов является то, что, управляя значительными мощностями в нагрузке, они тем не менее по входу совместимы с интегральными микросхемами.
В зависимости от гарантируемых значений коммутируемых напряжений и токов, а также от времени переключения тиристорные оптопары подразделяются на большое число групп. В целом типичные значения t1 составляют 10—30 мс, t2 = 30÷250 мкс.
Поскольку тиристорные оптопары работают в ключевом режиме, то параметр kI для них лишен смысла. Поэтому удобнее характеризовать такие оптопары номинальным значением I1 при котором открывается фототиристор, а также — максимально допустимым входным током помехи (максимальным значением I1, при котором еще не происходит включение фототиристора). Значение силы номинального входного тока для разных типов тиристорных оптопар лежит в пределах 20—200 мА, максимально допустимый ток помехи для оптопары АОУ 103, например, равен 0,5 мА.
2.2.5. Параметры оптронов различного типа
Ниже приводится краткая сводная таблица основных характеристик некоторых элементарных оптронов (табл. 2.1). В обозначениях отечественных оптронов первая буква (или цифра) определяет материал излучателя (А или 3 — GaAlAs или GaAs), вторая буква (О) указывает на принадлежность прибора к классу оптопар, а третья отражает тип фотоприемника (Д—фотодиод, Т—фототранзистор, У — фототиристор). Резисторные оптопары (исторически первый тип оптопар) сохраняют свое первоначальное обозначение ОЭП (оптоэлектронный прибор). Некоторые из оптронов могут иметь обозначения, отличающиеся от тех, которые указаны выше (например, К249КП1—оптоэлектронный ключ, состоящий из излучающего диода на основе арсенид-галлий-алюминия и кремниевого фототранзистора, в который входят две транзисторные оптопары).
Кроме рассмотренных в настоящей главе типов оптопар следует упомянуть также о некоторых других видах оптронов. К ним можно отнести приборы, у которых в качестве фотоприемников используют МДП-фотоварикапы и полевые фототранзисторы, дифференциальные оптроны (один излучатель в которых работает на два идентичных фотоприемника),
а также оптопары, у которых источником излучения является полупроводниковый лазер (например, на основе GaAlAs или GalnAsP).
Таблица 2.1. Обозначения и значения основных параметров различных оптронов
Оптоэлектронные микросхемы
Приборы этого типа содержат одну или несколько оптопар, а также согласующие элементы или электронные интегральные схемы, объединенные при помощи гибридной технологии в один корпус. Оптоэлектронные микросхемы обладают более широкими возможностями, чем элементарные оптроны. Их можно разделить на три основные группы.
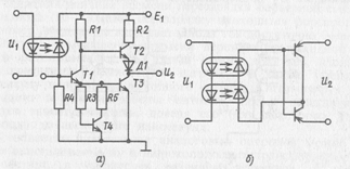
К первой относятся переключательные микросхемы; эта группа наиболее многочисленна. Примером прибора этого типа может служить микросхема серии 249ЛП1 (рис. 2.7, а), в который объединены диодный оптрон и стандартная интегральная схема, имеющая два статических состояния, при одном из которых напряжение на ее выходе равно примерно 0,3 В, а при другом — около 3 В.
Во вторую группу объединены линейные, оптоэлектронные микросхемы, которые способны выполнять аналоговые преобразования сигналов. В качестве примера можно привести микросхему серии К249КН1, линейную по выходной цепи, которая состоит из двух диодных оптронов, работающих в режиме фотоэлементов и выполняющих функции широкополосного (вплоть до передачи постоянного сигнала) трансформатора (рис. 2.7,6).
К третьей группе относятся оптоэлектронные микросхемы релейного типа, использующиеся для коммутации силовых цепей в широком диапазоне напряжений и токов. По входным параметрам эти приборы согласованы со стандартными интегральными микросхемами; в качестве примера можно назвать оптоэлектронное реле постоянного тока серии К295КТ1.
Помимо микросхем перечисленных трех групп существуют и более сложные. К ним относятся, например, фоточувствительные приборы с зарядовой связью, многоустойчивые элементы— сканисторы и т.д.
Так же как и элементарные оптроны, оптоэлектронные микросхемы обладают тем недостатком, что их приходится изготовлять по гибридной технологии, объединяя элементы из разных материалов. По мере совершенствования способов получения этих элементов открываются перспективы создания оптоэлектронных микросхем на одном кристалле, а также пленочных. Это должно привести не только к дальнейшей миниатюризации таких приборов, но и к расширению их функциональных возможностей.






