В некоторых случаях может потребоваться прибор или датчик, в условных единицах показывающий расстояние до какого-то объекта, а так же, позволяющий проследить уменьшение или увеличение этого расстояния.
В этой статье предлагается экспериментальная схема такого датчика. Он работает по принципу, аналогичному строительному лазерному измерителю расстояния, но использует не лазер, а обычный инфракрасный светодиод от пульта телевизора или видеомагнитофона.
Работает прибор следующим образом. В сторону расположения объекта, до которого нужно определить расстояние, направлены инфракрасный светодиод и интегральный фотоприемник. Фотоприемник имеет цифровой выход, значит он обладает определенной пороговой чувствительностью. Если яркость отраженного от объекта ИК-света будет ниже этого порога, фотоприемник на него не реагирует. Это свойство компаратора фотоприемника используется для определения расстояния до объекта. Происходит это следующим образом. На ИК-светодиод поступают импульсы тока частотой 36 кГц. А амплитуда этих импульсов ступенчато меняется от минимального до максимального значения, семью ступенями. Как только амплитуда тока через ИК-светодиод станет таковой, что яркости света, излучаемого им будет достаточно для уверенного приема фотоприемником отраженного от объекта ИК-света, дальнейшее нарастание тока прекратится и загорится один из индикаторных светодиодов, показывающий условную величину расстояния до объекта.
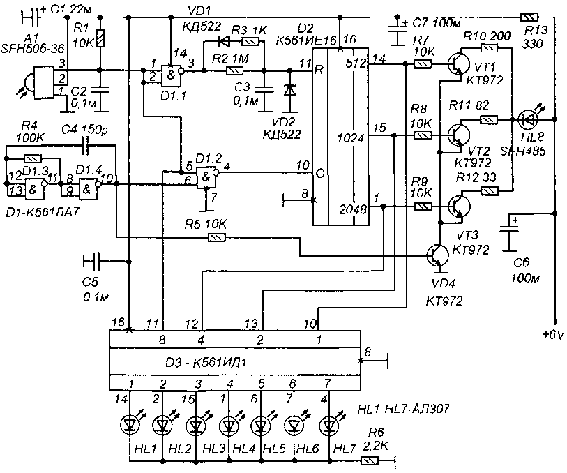
Принципиальная схема индикатора расстояния показана на рисунке. А1 - интегральный фотоприемник, настроенный на частоту 36 кГц. При попадании на его светочувствительную поверхность ИК-света, модулированного такой частотой и обладающего достаточной яркостью, на выходе А1 устанавливается уровень логического нуля.
На элементе D1.1 выполнен узел сброса счетчика D2. Сброс происходит примерно через полсекунды после появления нуля на выходе А1.
На элементах D1.3 и D1.4 собран мультивибратор, вырабатывающий импульсы частотой 36 кГц для модуляции ИК-света, этот же мультивибратор служит и тактовым, для счетчика D2. Импульсы на его вход С поступают через ключевую схему на D1.2.
Схема на транзисторах VT1-VT3 и резисторах R10-R12 представляет собой простой цифро-аналоговый преобразователь, преобразующий трехраз-рядный двоичный код с выходов D2 в ступенчасто нарастающий ток через ИК-светодиод HL8. Модуляция тока осуществляется с помощью тран-зистора VT4, прерывающего ток через светодиод с частотой мультивибратора D1.3-D1.4.
В какой-то момент этот ток достигает такой величины, что излучаемый светодиодом HL8 свет, отраженный от объекта, по яркости становится достаточным для его приема фотоприемником А1. На выходе А1 возникает ноль. Это закрывает элемент D1.2 и состояние счетчика D2 фиксируется на уста* новившемся значении.
Начинает постепенно через резистор R2 заряжаться конденсатор СЗ. А в это время, логический ноль на выводе 11 D3 выключает десятичный дешифратор D3 и он на светодиодной шкале (HL1-HL7) индицирует состояние выходов счетчика D2. После того, как напряжение на СЗ достигнет логического порога, счетчик D2 сбрасывается, светодиод HL8 гаснет. На выходе А1 возникает единица, дешифратор D3 выключает выходы, ключ D1.2 открывается, а конденсатор СЗ ускоренно разряжается через VD1 и R3. Начинается новый цикл измерения.
Таким образом, в начальной фазе загорается один из индикаторных светодиодов, например HL3, показывающий расстояние до объекта в условных единицах. Затем, если расстояние до объекта будет уменьшаться будут загораться светодиоды HL2, затем, с дальнейшим приближением к объекту, HL1. Если объект будет удаляться, соответственно, будут загораться светодиоды, подключенные к более старшим выходам D3 (HL4, HL5, HL6, HL7). Как только объект удалится на расстояние больше предела дальности схемы, ни один из светодиодов не будет гореть.
Таким образом, данный датчик может показывать приближение или удаление какого-пибо объекта, поверхность которого отражает инфракрасные лучи. Для наглядного представления этого движения служит шкала из семи светодиодов. Если же нужно информацию о движении передавать на другую схему в виде двоичного кода, можно снять код с выходов D2 и подать на эту схему через регистр. Сигналом записи параллельного кода в регистр будет появление логического нуля на выходе А1.
При этом можно удалить схему задержки обнуления счетчика (VD1-R2-R3-C3), так как эта задержка нужна только для создания некоторой продолжительности однократной индикации, достаточной для удовлетворительного зрительного восприятия.
В схеме можно использовать любой ИК-светодиод от пультов дистанционного управления. От эффективности этого светодиода зависит максимальная дальность датчика. Фотоприемник может быть так же любым аналогичным SFH-506. Мультивибратор D1.3-D1.4 должен быть настроен на частоту фильтра фотоприемника (в данном случае 36 кГц). Налаживание датчика состоит в установке продолжительности однократной индикации и чувствительности. Продолжительность однократной индикации устанавливают подбором параметров цепи R2-C3. Чувствительность устанавливают подбором сопротивлений резисторов R10, R11, R12. Для этого нужно отключить резисторы R7, R8, R9 от выходов счетчика D2. Подключить импульсный осциллограф или индикатор логического уровня, вольтметр, к выходу А1. Расположить перед датчиком объект (например, картонную коробку) на минимальном расстоянии. Подключить R7 к плюсу питания и подобрать R10 так, чтобы на выходе А1 был логический ноль, но при небольшом удалении объекта (на более 5% от минимального расстояния) уровень менялся на единицу.
Затем, отключите R7 и расположите объект на 2/3 максимального расстояния. Подключите R9 к плюсу питания и подберите сопротивление R12 так, чтобы на выходе А1 был логический ноль, но при небольшом удалении объекта (на более 10% от 2/3 максимального расстояния) уровень менялся на единицу. Далее, восстановите соединения R7, R8, R9 с выходами счетчика D2 и экспериментально подберите сопротивление R11 так, чтобы показания светодиодной шкалы датчика были наиболее пропорциональны и линейны изменению реального расстояния до объекта.
В зависимости от настройки выходных ключей и параметров ИК-светодиода, фотоприемника, можно получить максимальную дальность до 5 метров и более. Следует заметить, что этот датчик не является точным прибором и его показания будут зависеть не только расстояния, но и от прозрачности среды, способности поверхности объекта к отражению ИК-лучей и многих других факторов.
Лыжин Р.