Любой новичок сталкивался с проблемой отсутствия нужного номинала элемента у себя в запасах при сборке схемы, и наткнувшись на этот айсберг, мог решить эту задачу тремя путями.
1. Просто забросить паять эту схему
2. Пойти и купить нужный элемент
3. Заменить элемент на такой же, только с другим номиналом
В этой статье мы поговорим о третьем пути решения проблемы. Какие номиналы можно менять достаточно гибко, а какие нет? Как пересчитать номинал элемента? Зачем здесь стоит этот резистор, конденсатор и т.д.? Ответы на эти вопросы, вы с легкостью найдете в этой статье.
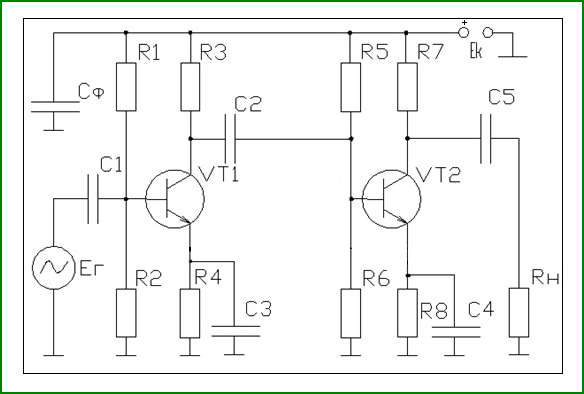
И так, стоит начать со схемы. В ниже приведенной схеме (рис 1) пока не указаны номиналы элементов, что бы они не отвлекали вас лишний раз.
Рисунок 1
Теперь стоит разобраться: какую функцию здесь выполняет каждый элемент.
Начнем с конденсаторов С1, С2, С5 – это разделительные конденсаторы, основная задача которых не пропускать постоянную составляющею от Eк.
Конденсатор Сф – это емкостной фильтр. Его основная задача сглаживать пульсации от Ек. Тут стоит немного пояснить: выпрямленное напряжение на выходе у источника питания не совсем прямое, а имеет некоторые искажения, которые могут влиять на работу схемы и которые надо свисти к минимуму. Если вы используете батарейку, аккумулятор или купленный источник постоянного напряжения, то скорее всего Сф вам не нужен, но если питаете схему от самодельного источника, то лучше подстраховаться.
Рисунок 2:
Напряжение на выходе не идеального источника постоянного напряжения
С3, С4 – конденсаторы, которые ликвидируют отрицательную обратную связь по переменной составляющей. Не будем особенно углубляться в подробности, дам лишь один совет. Если в схеме, которую вы решили собрать есть такие конденсаторы, старайтесь найти элемент того номинала который указан в схеме.
С конденсаторами разобрались, теперь переходим к резисторам.
R3, R7 – резисторы, которые ограничивают ток коллектора. Тут все очень просто. Их номинал зависит от величины Ек.
R1, R2 и R5, R6 – это делители напряжения, фиксированные напряжениям смещения. Звучит заумно, но если в двух словах, то эти резисторы определяют режим работы транзистора, то есть на сколько его надо открыть или закрыть.
R4, R8 – это резисторы эмиттерной стабилизации, В общих чертах, они добавляют вашему усилителю стабильности. Как это работает это отдельная статья, поэтому поверьте мне на слово.
Ну а теперь транзисторы.
VT1 и VT2 – это усилительные элементы, включенные по схеме общий эмиттер. Схема с общем эмиттером довольно часто применяется в усилителях НЧ. Ее отличительные особенности – это большой коэффициент усиления по напряжению и выходной сигнал будет сдвинут по фазе относительно входного на 180 градусов.
Рисунок 3.1. Входной сигнал:
Рисунок 3.2. Выходной сигнал (при Ku=1)
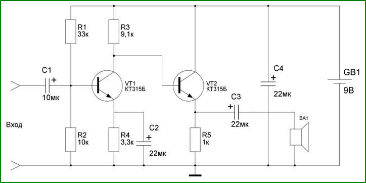
После теории всегда нужна практика. Рассмотрим любую рабочею схему усилителя.
Рисунок 4. Схема усилителя мощности
Перед тем, как начать, стоит заметить, что вместо Rн здесь стоит динамик BA1. И так, начнем.
С1 и С3 можно допустить отклонение параметров на 10 – 20 %.
Важно! От емкости этих конденсаторов зависит область низких частот. Чем меньше их емкость – тем больше вероятность не услышать бас гитару.
С2 стараемся сохранить номинал такой же как на схеме.
С4 это наш Сф, только изображен немного по другому. Тут действует правило, чем емкость больше – тем лучше, но везде есть границы, поэтому можно допустить отклонение от номинала в схеме на процентов 30-40 или вообще отказаться от этого элемента.
R1, R2 – конечно хорошо R1 взять такого же номинала, а вместо R2 поставить подстрочный резистор номиналом в 15к. Зачем? Объясняю: все элементы имеют отклонение от своего номинала, который написан на корпусе, следовательно и наш R1 не исключение, а значит вместо 33к можно поставить и 32, а то и 30к, не подозревая об этом. А значит наш транзистор будет получать не корректную установку, на сколько ему открыть или закрыться, появятся искажения выходного сигнала. Поняв это, мы можем увеличить или уменьшить номинал R2, что скомпенсирует не точное значение R1 и устранит искажения. Вот такая хитрость поможет скорректировать работу усилителя не выпаивая элементы.
R3 – Его номинал можно менять только зная режим работы транзистора. В этой схеме транзистор работает в режиме А, что это значит.
Это означает, что наш транзистор (VT1), усиливает напряжение почти без искажений, но у него низкое КПД.
Тогда Uкэ = 0,5Ек, следовательно Iк=Uкэ/R3. Вот и все, из этих простых формул видно, что если мы увеличили номинал R3, мы должны увеличить напряжение питания (GB1) и наоборот.
Но помните: эта фишка работает только если вместо R2 запаян подстрочный резистор. Если нет, то старайтесь не отклоняться от номинала, указанного в схеме больше чем на 15 %.
R4, R5 отклонение не более чем на 20 %. Поверьте, вам этого хватит.
Теперь поговорим о транзисторах.
VT1 включен по известной нам схеме с общим эмиттером, а вот VT2 включен по схеме с общим коллектором. Это значит, что VT2 усиливает ток и сохраняет фазу выходного напряжения относительно входного.
Отсюда и название усилитель мощности, поскольку VT1 усиливает напряжение, а VT2 усиливает ток. А мощность, как нам известно, это произведение тока на напряжение.
Мой тут совет: берите КТ315 с любым буквенным номиналом, в большинстве случаев это не влияет на параметры схемы.
Надеюсь, вам помогла эта статья и ответила на те вопросы, которые я поставил в начале. Если вам кажется, что я где то некорректно выразился, упустил важный факт или у вас просто появился вопрос, вы всегда можете пообщаться со мной в комментариях, ибо я ни куда не денусь.