Предлагаю две простые схемы радиомикрофонов, работающих в УКВ ЧМ диапазоне 88-108 МГц (в большинстве городов он более свободен чем 64-75 МГц). Радиомикрофоны собирались без печатных плат, — объемным монтажом на выводах деталей. Экспериментальный прием велся на УКВ ЧМ радиоприемник на К174ХА34 (Л.1).
Первая схема показана на рисунке 1. Сам высокочастотный генератор сделан на транзисторе VT2. В его коллекторной цепи включен контур C5C6L1 настроенный на частоту около 100 МГц. По ВЧ транзистор влючен с общей базой. ПОС осуществляется через точку соединения С5 и С6 на эмиттер VT2. По НЧ транзистор работает с общим эмиттером и модулирующий сигнал поступает на его базу. При этом его рабочая точка по ВЧ изменяется в такт с 34 колебаниями, вызывая изменение емкости его перехода. В результате частота ВЧ немного изменяется и таким образом происходит частотная модуляция (на самом деле модуляция смешанная — амплитудно-частотная). Такой передатчик уверенно работает при снижении напряжения питания до ЗВ.
Сигнал, поступающий от микрофона М1 усиливается каскадом на VT1. В результате акустическая чувствительность становится достаточной для уверенной регистрации негромкого разговора в пределах стандартной комнаты (до 6 метров до микрофона).
Дальность приема сигнала на вышеуказанный приемник — около 50 метров, при длине антенны передатчика до 0,5м.
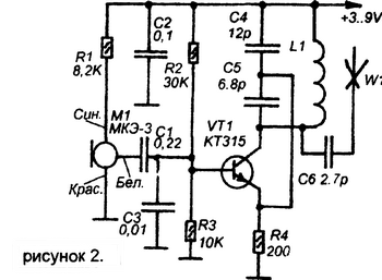
Если необходимо регистрировать разговор, происходящий непосредственно перед микрофоном (до 0,5 м до микрофона) можно отказаться от каскада УЗЧ и получится схеме, показанная на рисунке 2. Но нужно учитывать, что такой радиомикрофон имеет низкую акустическую чувствительность и говорить нужно в непосредственной близости от него.
Катушка L1 в обеих схемах бескаркасная, её внутренний диаметр 3 мм, она содержит 7 витков провода ПЭВ 0,31. Роль антенны выполняет отрезок монтажного провода длиной до 1 метра
FM-радиожучок
При правильном монтаже и исправных деталях оба радиомикрофона начинают работать сразу после первого включения.
Настроить радиомикрофон на нужную частоту можно изменяя индуктивность L1 путем сжатия или раздвигания её витков.
Экспериментируя с дальностью приема можно, путем подбора соотношения емкостей С5 и С6 (рис.1) или С4 и С5 (рис.2) выбрать такой режим генерации, при котором дальность приема сигнала будет максимальной.
Подбором номинала R4 (рис.1) или R2 (рис.2) нужно установить ток коллектора транзистора VT2 (рис.1) или VT1 (рис.2) в пределах 3-4 mА.
Каравккин В.
Литература : 1. Павлов С. “УКВ-приемник"ж. Радиоконструктор 03-98 стр. 42-44.
