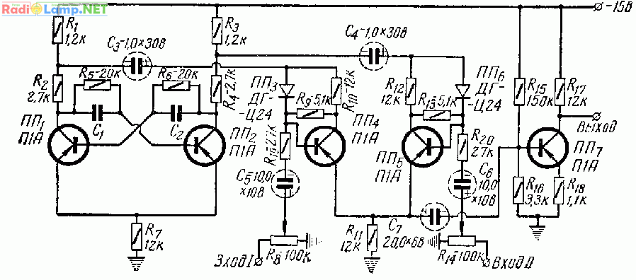
Принципиальная схема двухканального электронного коммутатора на полупроводниковых триодах изображена на рис. 1. Она состоит из трех частей: генератора коммутирующих напряжений на триодах ПП1, и ПП2, канальных усилителей на триодах ПП4 и ПП5 и выходного усилителя на триоде ПП7,. Все триоды, примененные в коммутаторе, одного типа — П1А. В качестве генератора коммутирующих напряжений используется симметричный мультивибратор. На сопротивлениях нагрузки коллекторов триодов мультивибратора R1, и R3 возникают симметричные прямоугольные импульсы, сдвинутые по фазе на 180°. Эти импульсы через переходные конденсаторы С3 и С4, подаются на коллекторы триодов ПП4 и ПП5- канальных усилителей. Отрицательные полу периоды импульсов отпирают поочередно каждый из этих усилителей.
С целью повышения входного сопротивления канальные усилители собраны по схеме эмиттерных повторителей. Сопротивления R9 и R13служат для создания необходимого смещения на триодах ПП4 и ПП5 в момент их отпирания.
Исследуемые сигналы подаются на переменные сопротивления R8 и R14, которые служат для подбора оптимальной амплитуды сигналов, поступающих через конденсаторы С5, С6 и ограничительные сопротивления R19, R20 на основания триодов канальных усилителен.

Рис. 1
Канальные усилители имеют общее сопротивление нагрузки R11. С этого сопротивления исследуемые напряжения через конденсатор С, подаются на основание триода ПП7, выходного усилителя, собранного по схеме с заземленным эмиттером. Для улучшения стабильности работы каскада в цепь эмиттера ПП7, включено сопротивление отрицательной обратной связи
Диоды ПП3 и ПП6 (ДГ-Ц24) и сопротивления R10 R12 введены в схему коммутатора для того, чтобы обеспечить надежное запирание канальных усилителей. Когда на коллектор триода канального усилителя с генератора коммутирующих импульсов поступает положительный импульс, запирающий триод, этот же импульс подается через соответствующий диод (ПП3, или ПП6) и на основание триода. Потенциал основания относительно эмиттера повышается и триод запирается не только по цепи коллектора, но и по цепи основания, что полностью исключает взаимное влияние каналов.
Генератор коммутирующих импульсов может работать на двух фиксированных частотах — 200 гц и 8 кгц. Изменение частоты производится путем замены конденсаторов С1 и С2, Величина этих конденсаторов для частоты 200 гц равна 0,1 мкф, а для частоты 8 кгц— 2400 пф.
Конструкция коммутатора может быть различной. Налаживание коммутатора просто и сводится к симметрированию коммутирующих импульсов мультивибратора. Симметрирование производится путем изменения величины сопротивлений R5 или R6, либо конденсаторов С1, или С2.
Коммутатор устойчиво работает при понижении напряжения питания до 10 в. Так как исследуемые сигналы подводятся к канальным усилителям через делители R8 и R17 амплитуды этих сигналов могут быть большими (десятки вольт). Выходное напряжение коммутатора — примерно 1 в.

Рис. 2
Если необходимо связать частоту коммутации с каким-либо внешним сигналом, то в качестве генератора коммутирующих напряжений вместо мультивибратора можно применить триггер, который легко синхронизируется от внешнего источника в широком диапазоне частот (рис. 2). Запуск триггера производится импульсами любой полярности длительностью от 0,5 до 10 мксек и напряжением 2ч-3 в. Частота следования запускающих импульсов может быть взята от 1 до 10 кгц.
Л. Сташук