Одним из важныхэлементов автоматических устройств являются различные электронные реле времени, предназначенные для получения заданной выдержки времени при включении и выключении различных электрических устройств и, в частности, для автоматического прекращения времени экспонирования фотобумаги через заданный промежуток времени.
Реле времени на транзисторе
На рис. 1 приведена схема электронного реле времени, собранного на транзисторе Т1. Работает реле следующим образом. В коллекторную цепь транзистора включено поляризованное реле РІ, а в цепь базы — конденсатор большой емкости С1, постоянный резистор R1 и переменный резистор R2.
В исходном состоянии контакты 1— 2 секции ВІа переключателя В1 разомкнуты и токи в цепях базы и коллектора отсутствуют В этом положении контактами 3— 4 указанного переключателя конденсатор С1 закорочен.
При включении реле времени контакты 3—4 переключателя В1 будут разомкнуты, а 1— 2 замкнуты, и в цепи базы начнет протекать ток, который зарядит конденсатор СІ до напряжения источника питания Б. После того, как конденсатор С1 зарядится, ток в цепи базы прекращается.
В момент замыкания контактов 1—2 в цепи коллектора будет проходить ток, который больше тока базы в Р раз (b — коэффициент усиления по току транзистора, включенного по схеме с общим эмиттером). Если этот ток больше тока срабатывания реле Р1, то оно сработает, замкнет свои контакты 1— 2 и включит исполнительную цепь (например, лампу Л фотоувеличителя для фотопечати). Так как по мере заряда конденсатора С1 ток в цепи базы будет уменьшаться, это вызовет соответствующее уменьшение тока в цепи коллектора. При токе коллектора, равном току отпускания реле Р1, последнее отпустит свой якорь, разомкнет контакты 1— 2 и выключит лампу Л фотоувеличителя.
Для повторного включения реле следует выключить и снова включить переключатель В1, в качестве которого используют обычный сдвоенный перекидной тумблер.
Время заряда конденсатора С1 зависит от его емкости и сопротивлений резисторов R1, R2. Поэтому регулируя величину переменного резистора R2, можно изменять интервал выдержки времени.
При указанных на схеме данных и использовании поляризованного реле типа РП-4, отрегулированного на ток срабатывания 0,8 ма и ток отпускания 0,4 ма, такое электронное реле обеспечивает выдержку времени до 15 сек.
Несколько рекомендаций по налаживанию описанного выше устройства. Прежде чем поляризованное реле РП-4 (паспорт У. 172.22.37) включить в коллекторную цепь транзистора, его необходимо установить в режим однопозиционной работы (с преобладанием).
Затем нужно определить полярность включения обмотки (в схеме используется только высокоомная секция). При правильном включении обмотки реле, коллекторный ток, превышающий ток срабатывания реле, должен вызывать переброску якоря (подвижного контакта) из одного крайнего положения в другое. В процессе регулировки реле РП-4 необходимо добиться, чтобы ток отпускания был минимальным. Это позволит увеличить время выдержки.
В схеме можно использовать конденсаторы только с малой утечкой. Для более точной установки времени выдержки, которое наносится на шкалу переменного резистора R2, рекомендуется разбить его на несколько поддиапазонов (шкал). С этой целью в схеме следует предусмотреть дополнительный переключатель для скачкообразного изменения емкости конденсатора С1.
Реле времени на составном транзисторе
Реле времени, собранное по схеме рис. 2, отличается применением составного транзистора (T1, Т2), благодаря чему оно обладает более высокой чувствительностью. Составной транзистор имеет коэффициент усиления по току, равный произведению коэффициентов усиления по току отдельных транзисторов, и поэтому при одном и том же управляющем токе коллекторный ток получается гораздо большим, чем в предыдущей схеме. Это позволило отказаться от применения дорогостоящего реле и заменить его обычным электромагнитным.

Изменение выдержки времени осуществляется плавно — резистором R2 и скачками — переключателем В2. При испытании данной схемы с использованием реле типа РСМ-2 (паспорт 10.171.81.21), у которого из-за разгрузки якоря удалось получить токи срабатывания н отпускания 10 и 4 ма, время выдержки оказалось равным: на первом пределе 1— 6 сек, на втором— 6— 24 и на третьем пределе 24—125 сек.
Каждый из конденсаторов С2, С3 набран из нескольких конденсаторов с минимальным током утечки и рабочим напряжением не менее 10 в. Следует отметить, что пределы выдержки времени зависят от фактической емкости конденсаторов С1— С3 и величины утечки, поэтому они уточняются в процессе налаживания.
Реле времени на транзисторе (вариант 2)
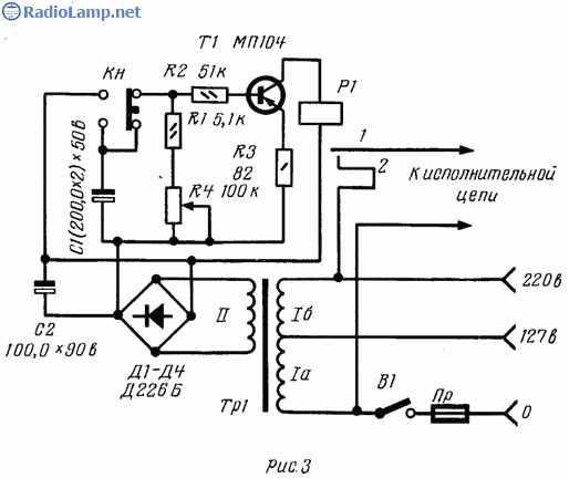
Еще один вариант схемы реле времени на одном транзисторе приведен на рис. 3. В этом реле время выдержки определяется временем разряда конденсатора С1 через резисторы R1. R4 и входную цепь транзистора Т1. Изменяя величину переменного резистора R4, можно плавно изменять время выдержки.

В исходном состоянии напряжение на конденсаторе С1 равно нулю, а следовательно, на базе транзистора 77 напряжение отсутствует. Ток в цепи коллектора настолько мал, что реле Р1 не срабатывает. При нажатии на кнопку Кн конденсатор С1 почти мгновенно заряжается до напряжения на выходе выпрямителя. Стоит только отпустить кнопку, как напряжение на конденсаторе С1 будет приложено минусом на базу транзистора, и коллекторный ток резко увеличится.
При этом реле Р1 сработает, замкнет свои нормально разомкнутые контакты 1— 2, и в исполнительную цепь будет подано питание. Якорь реле будет притянут до тех пор, пока конденсатор С1 не разрядится. По мере разряда конденсатора ток коллектора будет уменьшаться, Когда он станет меньше тока отпускания реле, последнее разомкнет контакты 1— 2 и подача напряжения на исполнительную цепь прекратится.
Время разряда конденсатора С1 в основном определяется переменным резистором R4, шкала которого проградуирована в секундах. Электромагнитное реле Р1 имеет те же параметры, что и в предыдущей схеме.
Трансформатор Тр1 выполнен на сердечнике Ш16, толщина набора 20 мм. Обмотка 1а содержит 1900 витков, а обмотка 16—1400 витков провода ПЭВ-1 0,12. Обмотка II содержит 925 витков провода ПЭВ-0,15. Для получения различных выпрямленных напряжений от 700, 775 и 850-го витка делаются отводы.
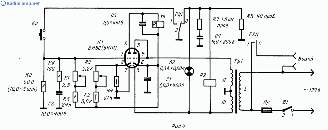
Электронное реле времени на лампе
На рис. 4 приведена схема лампового электронного реле времени, предназначенного для получения выдержки времени длительностью 0,5— 60 сек с точностью ±2%. Управление работой реле осуществляется ручкой установки выдержки времени (R1) и кнопкой Кн.
Работает реле времени следующим образом: в исходном положении бумажный конденсатор С2 заряжен до напряжения на выходе выпрямителя и анодный ток имеет величину, достаточную для срабатывания поляризованного реле Р1. При срабатывании реле РІ замыкаются его контакты 1— 2 и размыкаются контакты 2— 3, тем самым разрывая цепь питания промежуточного реле Р2 и индикаторной лампочки Л2.
Для того чтобы начался отсчет времени выдержки, необходимо нажать кнопку Кн. При этом конденсатор С2 практически мгновенно разряжается и на управляющей сетке левого триода лампы Л1 окажется большое отрицательное смещение, лампа запрется, ее анодный ток станет равным нулю, и реле Р1 отключится.
Отключение реле Р1 вызовет размыкание контактов 1—2 (Р1) и начало заряда конденсатора С2. Одновременно при замыкании контактов 2— 3 (реле Р1) включается индикаторная лампочка Л2 и реле Р2. Реле Р2 сработает и контактами 1— 2 (Р2) включит питание на исполнительную цепь — гнезда «Выход». Таким образом, отсчет выдержки времени начинается с момента отключения реле Р1.
По мере заряда конденсатора С2 напряжение на нем возрастает, а следовательно, отрицательное напряжение на управляющей сетке уменьшается. Уменьшение отрицательного напряжения на сетке лампы вызывает увеличение анодного тока. При значении анодного тока, равным току срабатывания реле Р1, последнее срабатывает и выключает питание промежуточного реле Р2 и сигнальной лампочки Л2.
Для повторного включения реле времени необходимо снова нажать на кнопку Кн. Для того, чтобы реле работало в импульсном режиме, необходимо замкнуть «на постоянно» контакты кнопки Кн. В этом случае будет иметь место беспрерывное повторение циклов через промежутки времени порядка 125 мсек. Указанную величину пауз между циклами можно изменять в достаточно широких пределах, изменяя емкость конденсатора С3. Длительность цикла в широких пределах регулируется переменным резистором R1.
Поляризованное реле Р1 типа РП-4 (паспорт У. 172.20.48). Можно применить реле РП-5 с сопротивлением обмоток 3000— 5000 ом. Реле Р2 электромагнитного тип г. с сопротивлением обмоток 5 ом для работы от напряжения переменного тока 6,3 в.
Трансформатор Тр1 имеет сердечник из пластин Ш16, толщина набора 20 мм. Обмотка 1 содержит 2400 витков провода ПЭЛ 0,15, обмотка II — 4800 витков провода ПЭЛ 0,07, обмотка III— 125 витков провода ПЭЛ 0,62. Практически в конструкции можно использовать любой трансформатор питания от приемников третьего класса, выпускаемых нашей промышленностью.
Источник: С. Л. Матлин - Радиосхемы (пособие для радиокружков), 1974г.
