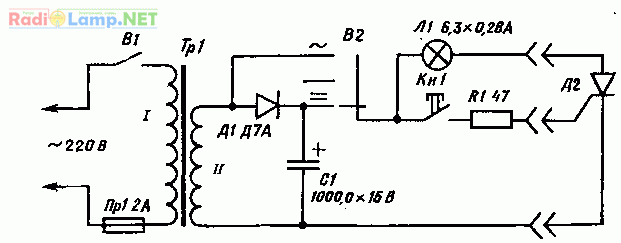
Простой испытатель тиристоров можно легко собрать из типовых радиоэлементов, имеющихся в мастерской и в обиходе радиолюбителя. Основной из них - понижающий трансформатор Tp1, принципиальная схема которого изображена на рис. 90.
Со вторичной обмотки трансформатора Tp1 снимается напряжение 6,3 В при токе нагрузки около 0,5 А. Выбор постоянного или переменного испытательного напряжения осуществляется переключателем В2. Электроды тиристора подключаются к испытателю с помощью зажимов, например типа «крокодил». Индикатором исправности тиристора служит лампа накаливания 6,3 X 0,28 А.
Прежде всего тиристор проверяют постоянным током. Для этого переключатель рода испытаний В2 устанавливают в нижнее по схеме положение. Если кнопка Кн1 не нажата, то при исправном тиристоре лампа Л1 гореть не должна.

Рис.1. Принципиальная электрическая схема испытателя тиристоров.
При замыкании контактов этой кнопки на управляющий электрод тиристора поступит включающее напряжение. Он мгновенно перейдет из закрытого состояния в открытое, и на контрольную лампу Л1 поступит питание. После отпускания кнопки лампа остается включенной. Чтобы ее выключить, нужно снять питание с анода тиристора. Для этого испытывают тиристор переменным током.
Переключатель В2 переводят в верхнее по схеме положение. Теперь контрольная лампа будет включена только при нажатой кнопке Кн1, так как при разомкнутых контактах первая же отрицательная полуволна переменного тока ее выключит.
Если тиристор пробит, то контрольная лампа будет гореть при ненажатой кнопке как от переменного, так и от постоянного тока. Если же в тиристоре обрыв, то никакими манипуляциями включить контрольную лампу не удастся. Выпрямительный диод может быть любым, на ток 300-400 мА, например Д7А - Д7Ж, Д202- Д205, Д226, Д229.
Литература: В.Г.Бастанов. 300 практических советов, 1986г.