Прибор можно использовать в качестве простейшего сигнала-генератора для налаживания различной усилительной и приемной радиоаппаратуры.
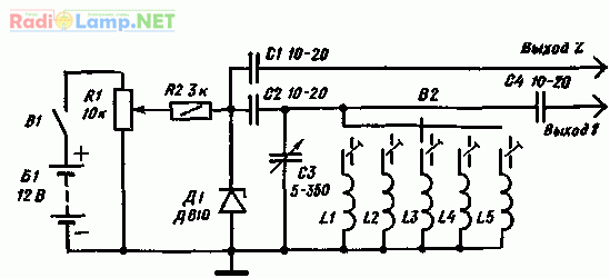
Сигнал-генератор собран на стабилитроне Д810 (пригодны также Д808 или Д814А— Д814Г). Принципиальная электрическая схема прибора показана на рис. 1.
Весь диапазон частот генератора 100 кГц — 27 МГц разбит на пять поддиапазонов: 100—300 кГц, 300 кГц — 1 МГц, 1—3 МГц, 3—9 МГц, 9—27 МГц.
Максимальное напряжение на выходе генератора составляет единицы милливольт. Режим работы генератора устанавливают переменным резистором R1. Питание осуществляется от батарей напряжением 12 В или от отдельного выпрямителя.
Катушки L1 — L5 совместно с конденсатором переменной емкости C3 образуют колебательные контуры, выделяющие частоты, которые можно получить на выходе генератора.
Катушки генератора наматывают на каркасах диаметром 7,5 мм с подстроечными сердечниками СЦР-1 (применяются в усилителях ПЧ телевизоров). Намоточные данные катушек приведены в таблице.
Катушка Число витков Провод
L1 270+270 ПЭЛШО 0,1
L2 260 ПЭЛШО 0,12
L3 80 ПЭЛШО 0,12
L4 30 ПЭВ-1 0,2
L5 10 ПЭВ-1 0,2
Катушки L1 — L3 наматывают внавал, ширина намотки 7 мм; катушки L4 и L5 — в один слой, виток к витку. Конденсатор переменной емкости может быть любого типа.

Рис. 1. Принципиальная электрическая схема сигнал-генератора на одном стабилитроне.
Настраивают генератор при выключенном питании. Выход генератора соединяют с выходом эталонного ГСС, а параллельно контуру подключают ламповый вольтметр. По максимальному показанию вольтметра, которое будет соответствовать резонансной частоте контура, выбирают требуемые границы поддиапазона и градуируют шкалу генератора. Аналогично настраивают контуры других подиапазонов.
Принцип настройки приемников с помощью описанного генератора такой же, как и с ГСС. При настройке контуров на определенные частоты сигнал подают с зажима «Выход 1» генератора, а при сопряжении контуров — с зажима «Выход 2».
Литература: В.Г.Бастанов. 300 практических советов, 1986г.