Защита затвора полевого транзистора
Не будет преувеличением назвать изолированный затвор полевого транзистора довольно чувствительной его частью, которая нуждается в индивидуальной защите. Пробой затвора — явление довольно нехитрое. Оно может произойти по нескольким причинам: электростатическая наводка, паразитные колебания в цепях управления, и конечно эффект Миллера, когда возникающее на коллекторе перенапряжение через емкостную связь оказывает вредоносное действие на затвор.

Так или иначе, данные причины можно предотвратить, надежно обеспечив соблюдение правил эксплуатации транзистора: не превышать предельно допустимое напряжение затвор-исток, обеспечить надежное и своевременное запирание во избежание сквозных токов, сделать соединительные проводники цепей управления как можно более короткими (для достижения наименьшей паразитной индуктивности), а также максимально защитить сами цепи управления от помех. В таких условиях ни одна из перечисленных причин просто не сможет проявить себя и нанести вред ключу.
Итак, что касается непосредственно затвора, то для его защиты полезно применять специальные цепи, особенно если соединение драйвера с затвором и истоком невозможно выполнить вплотную в силу конструктивных особенностей разрабатываемого устройства. В любом случае, когда речь заходит о защите затвора, выбор падает на одну из четырех основных схем, каждая из которых идеально подходит для тех или иных условий, о которых будет сказано ниже.
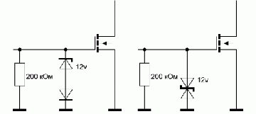
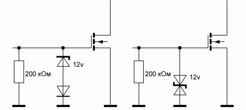
Одиночный резистор

Элементарную защиту затвора от статического электричества способен обеспечить одиночный резистор номиналом в 200 кОм, будучи установлен вплотную между стоком и истоком транзистора. В некоторой мере такой резистор способен помешать и перезаряду затвора, если по какой-то причине негативную роль сыграет импеданс цепей драйвера.
Решение с одиночным резистором как нельзя идеально подойдет для защиты транзистора в низкочастотном устройстве, где он непосредственно коммутирует чисто активную нагрузку, то есть где в цепь коллектора включена не индуктивность дросселя или обмотки трансформатора, а нагрузка типа лампы накаливания или светодиода, когда об эффекте Миллера не может быть и речи.
Стабилитрон с диодом Шоттки или супрессор (TVS)

Классика жанра для защиты затворов транзисторов в сетевых импульсных преобразователях — стабилитрон в паре с диодом Шоттки или супрессор. Данная мера позволит защитить цепь затвор-исток от разрушительного влияния эффекта Миллера.
В зависимости от режима работы ключа, выбирается стабилитрон на 13 вольт (при напряжении драйвера 12 вольт) или супрессор с аналогичным типовым рабочим напряжением. При желании можно добавь сюда и резистор на 200 кОм.
Назначение супрессора — быстро поглотить импульсную помеху. Поэтому, если сразу известно, что режим работы ключа будет жестким, соответственно и условия защиты потребуют от ограничителя рассеивать высокие импульсные мощности и очень быстрой реакции — в этом случае лучше выбрать супрессор. Для режимов же более мягких — подойдет стабилитрон с диодом Шоттки.
Диод Шоттки на цепь питания драйвера
Защита диодом Шоттки
Когда низковольтный драйвер установлен на плате вплотную к управляемому транзистору, можно использовать для защиты одиночный диод Шоттки, подключенный между затвором транзистора и цепью низковольтного питания драйвера. И даже если по какой-то причине напряжение на затворе и окажется превышено (станет выше, чем напряжение питания драйвера плюс падение напряжения на диоде Шоттки), лишний заряд просто уйдет в цепь питания драйвера.

Профессиональные разработчики силовой электроники рекомендуют использовать данное решение только в том случае, если расстояние от ключа до драйвера не превышает 5 см. Не помешает здесь и защитный резистор от статики, о котором было сказано выше.