Усилители мощности низкой частоты или просто усилитель звука, собираются радиолюбителями довольно часто. Специализированные микросхемы усилителей мощности низкой частоты сейчас довольно популярны и после сборки некоторых УНЧ на базе микросхем, радиолюбитель стремится к чему-то более сложному. Транзисторные усилители, несмотря на огромное разнообразие микросхем, не потеряли свою актуальность. Если нужен хороший качественный усилитель, то стоит собрать его на транзисторах. Сегодня мы поговорим о неплохом транзисторном усилителе, работающим в классе b. Не спешите с выводами, класс b тоже бывает неплохим.

Истинные ценители сверх высококачественного звука наверняка скажут, что это не самый лучший класс УНЧ, однотактный и ламповый - вот каким должен быть качественный усилитель. Я конечно же отчасти с вами согласен, но цены ламповых усилителей, сами видите:
А собрать их дома тоже процесс не из легких.
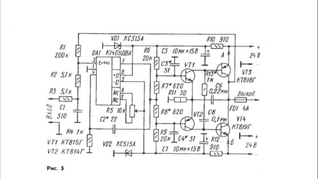
Представленная схема была опубликованная в журнале «Радио» в 1991 году. 
Это легендарный усилитель Дорофеева, так что он имеет довольно преклонный возраст. Гениальность схемы заключается в простоте. Несмотря на минимальное количество используемых компонентов с соответствующим источником питания данный усилитель способен отдавать в нагрузку 4 Ома, мощность до 50 ватт, что согласитесь, очень даже неплохо. В разное время радиолюбители дорабатывали и изменяли схему. Для удобства, автор перевел схему на импортные компоненты, далее будем рассматривать именно ее.

В данном усилителе применены довольно интересные схематические решения, например, резистор R12, которой ограничивает коллекторный ток транзистора выходного каскада и является своеобразным ограничителем выходной мощности, одновременно защищает выходные транзисторы от коротких замыканий. Так что усилитель короткого, можно сказать, не боится.

Указанный резистор нужен одноваттный, в крайнем случае можно на пол ватта. Коэффициент нелинейных искажений при чистоте в 1 кГц не более 0,1 %, при 20 кГц - 0,2%, так что на слух никаких искажений при номинальной мощности не будет. Питается усилитель от двухполярного источника. Диапазон питающих напряжений от +- 15 до +- 25В. 
С целью увеличения выходной мощности, можно увеличить питающее напряжение, но в этом случае нужно менять и транзисторы оконечного каскада на более мощные и пересчитать несколько резисторов. 
Резисторы r9 и r10 подбираются в зависимости от питающего напряжения. 
Они ограничивают ток через стабилитрон и в этой части схемы собран параметрический стабилизатор напряжения, которое обеспечивает стабильное питание для операционного усилителя.

Кстати, об операционнике, это довольно неплохой операционный усилитель, применяется в аудиотехнике очень часто. Можно спокойно менять на TL081.


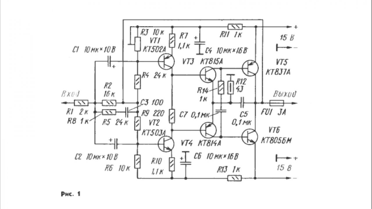
В случае замены на иные операционные усилители, стоит обратить внимание на распиновку, так как расположение выводов может быть иным. Операционный усилитель советую установить на панельку беспаячного монтажа, для быстрой замены в случае чего. Кстати, у этого автора есть и вторая версия данного усилителя, на сей раз полностью на транзисторах, она сейчас перед вами:
Несколько слов о печатной плате, мастер старался ее сделать максимально компактной, вроде бы получилось неплохо. 

Транзисторы предвыходного и выходного каскада, устанавливаются на общий теплоотвод. Естественно не забываем их изолировать от радиатора. 


В выходном каскаде стоит использовать транзисторы с мощностью рассеивания не менее 50-60 ватт, с напряжением коллектор-эмиттер не менее 60 В, а лучше 80 или 100 В, но тут тоже всё зависит от напряжения питания. 

Стабилитроны можно на 0,5 Вт, с напряжением стабилизации от 14 до 18 В. 
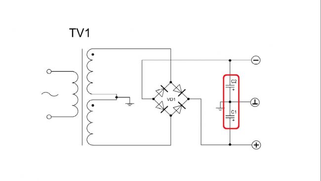
Пару слов об источнике питания. 

Усилитель работает в классе b и КПД на довольно высоком уровне, но в любом случае, источник питания нужен с некоторым запасом. Поэтому необходимо взять трансформатор с габаритной мощностью от 70 Вт. Как звучит усилитель вы можете узнать, посмотрев видеоролик автора. Должен заметить, что во время тестов будет слышен некий фон, это связано с тем, что в блоке питания у автора проекта использованы конденсаторы очень малой емкости, всего 1000 мкФ в плече.