
Трехвыводные стабилизаторы напряжения бывают фиксированные или регулируемые. Первые разработаны на конкретное выходное напряжение (в нашем случае 5 В). Вторые – регулируемые стабильники, которые позволяют установить необходимое напряжение в заявленных пределах.
Если вам не нужно ограничивать выходные параметры или настраивать сигнал на нестандартные параметры, то обратите внимание на стабилизатор с фиксированным напряжением КРЕН 142, который позволит использовать меньше деталей и поэтому станет лучшим выбором.
Схема КРЕН 142
Как выбрать стабилизатор по току? Устройство должно быть выбрано с номиналом, довольно близким к значению максимально возможного тока в цепи. Если стабилизатор будет слегка загружен, то со стабильностью часто бывает не всё в порядке. Однако схема должна быть подобрана оптимально и полезно во всех смыслах. То есть номинальный ток с большим запасом тоже ни к чему, поскольку ток короткого замыкания будет также слишком большим для того, чтобы защитить цепь.
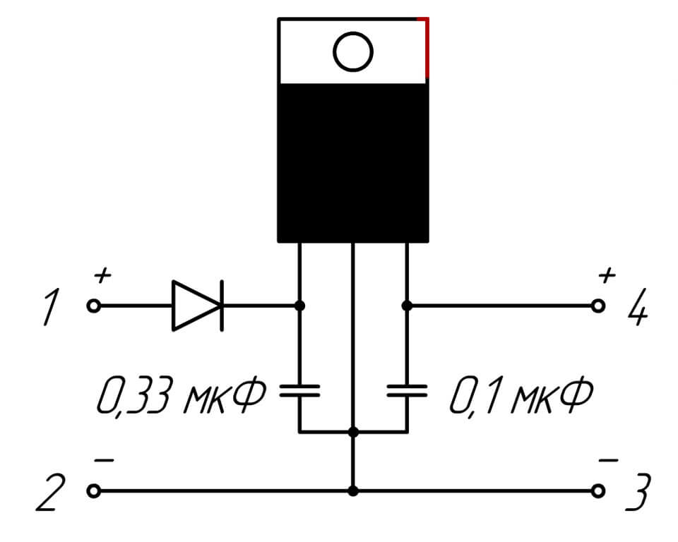
Типовая схема включения КР142ен5а
Стабилизатор серии КР142ен5а с постоянным положительным напряжением на выходе в 5 В имеет широкое применение в самых различных электронных приборах. Сфера его использования – в качестве источника питания для логических систем, аппаратов высокоточного воспроизведения и других радиоэлектронных приборов. Электрическая схема КР142ЕН5А показана на рисунке ниже.

Емкости С1, С2 играют корректирующую роль. С2 предназначена для сглаживания пульсации, а С1 – для защиты от вероятного высокочастотного возбуждения микросхемы. Ток нагрузки стабилизатора рассчитан до 2 А.
Если добавить в схему вспомогательные детали можно преобразовать её в источник с регулированием напряжения. При удалённом расположении КРЕН 142 (с длиной соединительных проводов один метр и более) от фильтрующих конденсаторов выпрямителя, к его входу следует присоединить конденсатор. Для регулирования напряжения на выходе используется внешний делитель. Для правильной работы устройства потребуется применение дополнительного радиатора. Эти модели являются аналогами импортных регуляторов серии 78xx.
Цоколевка и схема включения
Микросхема КР142ен5а рассчитана на максимальный ток 5 А, и она может его обеспечить. Но превышение тока грозит выходом устройства из строя. Ниже приводится вариант включения микросхемы. Разрешается производить монтаж микросхемы два раза, демонтаж один раз.
Крепёж схемы к печатной плате выполняется методом распайки выводов корпуса, см. цоколевку микросхемы на рисунке
Характеристики стабилизатора
Микросхема кр142ен5а представляет собой стабилизатор компенсационного типа с регулируемым выходным напряжением положительной полярности.
Основные характеристики:
защита от перегрева;
ограничение по току КЗ;
масса не более 1,4 г;
габариты 14,48х15,75 мм.
Предельные значения параметров режима эксплуатации и условий окружающей среды:
Температура хранения -55 … +150 С;
Температур кристалла в рабочем режиме -45 … +125 С.
Стабилизатор крен8б
В настоящее время интегральные стабилизаторы напряжения распространены достаточно широко. Источники питания с использованием таких стабилизаторов имеют небольшое количество дополнительных элементов, низкую стоимость и обладают отличными техническими характеристиками. Линейный стабилизатор крен8б – один из наиболее распространённых вариантов отечественного производства, являющийся аналогом импортных стабилизаторов линейки 78хх.
Действие стабилизатора
Стабилизатор кр1428б даёт возможность снабжения каждой платы сложного прибора отдельным стабилизирующим устройством и воспользоваться для его питания общим источником, не обеспеченным стабилизацией.
Поскольку поломка одного из стабилизаторов приводит к выходу из строя только подключенного к нему блока, это повышает общую надёжность устройств. Также такая схема подключения смогла решить проблему борьбы с помехами импульсного характера и наводками на длинные питающие провода.
Следует знать, что превышение значения тока, на которое рассчитано устройство, может повлечь за собой выход стабилизатора из строя. Однако современные стабилизаторы имеют защиту по току – в случае превышения максимальной нагрузки тока они просто отключаются.
К минусам линейных стабилизаторов можно отнести и сильный нагрев при повышенной нагрузке. Так повышение входного напряжения влечёт за собой перегрев стабилизатора. При разработке стабилизаторов крен8б эта проблема была решена обеспечением защиты по перегреву.
Технические характеристики:
Стабилизатор кр1428б имеет следующие характеристики:
допустимая величина выходного тока 1 Ампер;
наличие внутренней термозащиты;
защищённый выходной транзистор;
отсутствие необходимости во внешних компонентах;
внутренние ограничения токов короткого замыкания.
Применение
Применяться такой стабилизатор может в таких устройствах, как:
в радиоэлектронных устройствах как источник питания логических систем;
в устройствах воспроизведения высокого качества;
в измерительных приборах.
При добавление в типовые схемы дополнительных элементов можно превратить стабилизатор из источника напряжения в источник с регулировкой как напряжения, так и тока.
Если длина соединительных проводов стабилизатора с фильтрующими конденсатами выпрямителя превышает 1 метр, тогда на его входе требуется установка электролитического конденсатора
Выбор линейного стабилизатора крен1428б поможет решить проблему со стабилизацией напряжения в большом спектре радиоэлектронный и других устройств и продлит срок использования приборов
Крен 12 вольт
Стабилизатор напряжения крен 12 вольт, расположенный в блоке питания, является немаловажным узлом радиоэлектронной техники. Не так давно подобные узлы были основаны на стабилитронах и транзисторах, на смену которым пришли специализированные микросхемы.

Плюсами таких схем стали способность в широких диапазонах выходного тока и выходного напряжения, а также присутствие системы, защищающей от перегрузок по электрическому току и перегревания – при превышении допустимого температурного значения кристалла микросхемы производится остановка тока на выходе.
Технические характеристики

К основным характеристикам стабилизатора крен 12 вольт относятся:
отсутствие необходимости в дополнительных внешних компонентах;
наличие внутренней системы термозащиты;
присутствие защитной схемы выходного транзистора;
внутренние ограничители тока коротких замыканий;
лёгкость и малые габариты.
Выходной ток в стабилизирующих устройствах крен 12 может быть 1 или 1,5 А, максимальное напряжение – 30 или 35 В. Разность входного напряжения с выходным в таких стабилизаторах всегда одинакова и составляет 2,5 В.
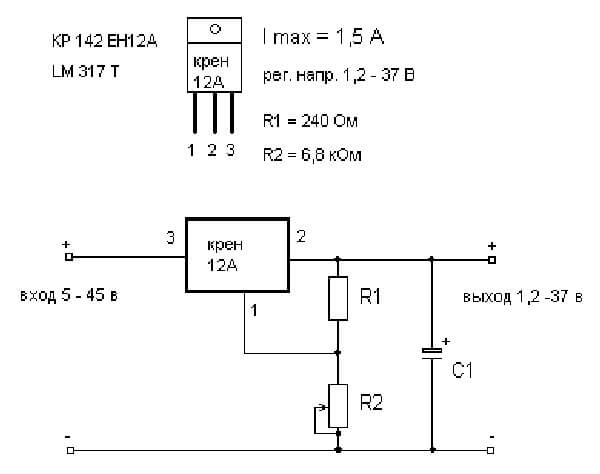
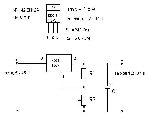
КР142ЕН12А
Стабилизатор КР142ЕН12А и его аналог LM317 являются регулируемыми стабилизирующими устройствами компенсационного типа. Работают они с внешним разделителем напряжения в элементе измерения, что позволяет регулирование напряжения на выходе в диапазоне 1,3 В – 37 В.
Элемент регулирования находится в плюсовом проводе питания. Предел тока нагрузки не превышает 1 А.
Данные стабилизаторы считаются самыми «высоковольтными» в линейке К142, обладают высокой стойкостью к импульсным мощностным перегрузкам. Также они имеют систему, защищающую от перегрузок по току на выходе.

Прибор защищается пластмассовым корпусом, с вмонтированным удлинённым фланцем для теплоотведения. Массы подобных приборов не превышает 2,5 г.
Применение
Стабилизаторы на 12В широко используются в схемах электронных устройств как составляющие источников их электропитания. Это может быть бытовая и измерительная техника, радиоэлектронная аппаратура и прочие конструкции.
Также эти стабилизаторы используются автолюбителями при необходимости ограничения тока заряда аккумулятора, проверки источника питания, установке LED-лент в автомобильные фары во избежание частого сгорания светодиодов.
Простота схемного решения стабилизатора делает его лёгким в использовании даже для обычного обывателя, не обладающего специальными знаниями.
Заключение
Стабилизатор типа КРЕН – это радиоэлектронное изделие, основное предназначение которого заключается в выравнивании напряжения на выходе. Устройство оснащено токовой защитой, отключающей аппарат при превышении порогового тока в нагрузке, и защитой по перегреву. Микросхема имеет невысокую стоимость и хорошие технические характеристики.