В некоторых усилителях мощности в земляную цепь включен резистор небольшого сопротивления.
Разделение земли в усилителеРезистор разделения земли.
Для чего он нужен?
Идеальный усилитель, как его представляет теория усилителей, показан на рис. 1. На вход подается входной сигнал, а на выходе в каждый момент времени устанавливается напряжение больше чем на входе в Ку раз, где Ку – коэффициент усиления усилителя.
Разделение земли в усилителе Рис. 1. Идеальный усилитель.
В таком усилители входная и выходная цепи разделены – это совершенно разные цепи и они никак не связаны. Источник сигнала замыкается входной цепью, а выходная цепь, состоящая из блока питания (именно из него в нагрузку поступает электрическая мощность) и регулятора (он нужен для того, чтобы устанавливать в нагрузке нужное напряжение) – сама по себе. Подобные усилители реально существуют, и его в принципе можно сделать из «обычного» усилителя, включив на его вход и/или выход сигнальный трансформатор. А вот источник питания и нагрузка обязательно имеют общую точку, это важный момент.
В реальности гораздо удобнее иметь один провод общий для всего устройства, и даже общий для нескольких устройств. Тогда все напряжения во всех точках схемы можно измерять (и прикладывать) относительно этого общего провода. Такой принцип конструирования очень удобен, он имеет множество достоинств и поэтому применяется более чем очень широко. Честно говоря, я вот так с ходу и не смог бы придумать ряд цепей, существующих в реальном современном усилителе, если бы в нем не было общего провода – «земли». А раз есть провод, общий для всех цепей усилителя, то и входная цепь, и выходная цепь – обе они должны быть соединены с этим общим проводом, рис. 2. Этот общий провод по ряду причин соединяют с корпусом устройства.
Разделение земли в усилителе Рис. 2. Усилитель, имеющий общий провод для всех цепей.
По идее, этот общий провод, показанный на рис. 2 красной линией, никого ни к чему не обязывает. Просто уравнивает потенциалы входной и выходной цепи. То есть с точки зрения электротехники напряжения и на нижнем входном проводнике, и на нижнем выходном проводнике равны нулю (относительно общего провода). Входная и выходная цепи при этом все равно остаются независимыми, каждая из них работает со своими напряжениями и токами, которые из одной цепи в другую попасть никак не могут. На рис. 3 показано, что токи входной и выходной цепей независимы, поэтому по участку АВ земляного проводника никакой ток не течет.
Разделение земли в усилителе Рис. 3. Токи входной и выходной цепей независимы и никак не влияют друг на друга.
Почему я так подробно про это говорю? Потому, что собираюсь разъединить эти только что соединенные мною земли входа и выхода.
К сожалению, все так хорошо только на бумаге.
В реальности по участку АВ, связывающему входную и выходную цепи, ток может протекать:
1. В реальном усилителе нет отдельно входа и отдельно выхода. В нем много разных элементов «сопровождают» сигнал от начала и до конца. Токи этих элементов могут протекать по участку АВ, и тут ничего не поделаешь. В этом случае стараются сгруппировать токи так, чтобы те, которые больше относятся ко входной цепи протекали в точке А, а те, которые относятся к выходной цепи протекали в точке В.
2. Неудачный монтаж. Источник питания обязательно соединен с выходной (силовой) землей. И в ней всегда протекает ток нагрузки. При неудачном монтаже этот ток нагрузки может попасть во входную цепь, или повлиять на нее.
3. Ток через участок АВ может быть создан другими блоками усилителя. Об этом поговорим подробнее позже.
Что плохого в том, что через участок АВ на рис. 3 будет протекать ток?
1. Так как сопротивление участка АВ не равно нулю, то по закону Ома на нем возникает напряжение (помеха), пропорциональное протекающему току. И это напряжение помехи складывается со входным напряжением усиливаемого сигнала.
2. Ток по участку АВ может быть вызван внешними причинами, например, наличием земляной петли. Это самый неприятный случай: мало того, что земляная петля вредна и ток, текущий по ней вреден, так еще этот ток может быть никак не связан с усиливаемым сигналом, и может содержать неизвестно что. И это «неизвестно что» создает напряжение, поступающее на вход усилителя. Особенно все становится плохо, если блоки усилителя соединены между собой неправильно (вот статья про правильное соединение блоков усилителя).
Пример образования земляной петли показан на рис. 4.
Разделение земли в усилителе Рис. 4. Пример образования земляной петли.
В этом случае на вход усилителя мощности поступает как минимум две помехи:
1. Помеха, циркулирующая по земляной петле.
2. Помеха, вызванная током питания, протекающим из точки D1 в точку С. По идее ток источника питания в предварительный усилитель должен поступать по такому пути: D1-C1-C. Но ведь есть еще другой путь по другим проводам: D1-D-A1-B-C. Второй путь параллелен первому, сопротивление у проводов маленькое, вот ток и течет.
Как с этим бороться? Проще всего было бы вернуться к изначальной схеме, где нет провода АВ (провод А1-В1 на рис. 4 и 5) и вход отделен от выхода. Но нельзя – усилитель спроектирован на основе того, что у всех цепей один и тот же потенциал земли. А что если разорвать провод на участке АВ не совсем, а «частично»? В разрыв включаем резистор с маленьким сопротивлением 1…2 ома, но это сопротивление в десятки раз больше, чем сопротивление провода, который мы разорвали. Главное при этом земляной провод разорвать в таком месте, чтобы земли входных цепей остались присоединенными к входу, а земли выходных цепей – присоединенными к выходу. Т.е. чтобы включаемый в земляную цепь резистор не повлиял на работу цепей усилителя, рис. 5. Что тогда получится?
Разделение земли в усилителе Рис. 5. Разрыв земляной петли резистором.
Точка включения земляного резистора выбирается так, чтобы через нее никакой специальный ток не протекал. Тогда напряжение на этом резисторе будет равно нулю, и потенциалы входной и выходной земель (левого и правого по схеме концов резистора) будут одинаковы. То есть земля как бы остается и ее сопротивление как бы остается равно нулю. То есть работа усилителя никак не нарушится. С другой стороны, сопротивление земляной петли возрастет, и ток помех по ней циркулировать не будет. Да и ток, текущий из точки D1 в точку С, пойдет по земле блока питания через точку С1, а в усилитель мощности вообще не потечет. Кроме того (это тоже важный момент), земляной резистор – это преграда для смешивания между собой входных и выходных токов: он мешает этим токам затекать в чужую цепь.
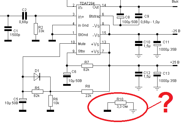
Это мое описание работы земляного резистора весьма упрощенное. На самом деле все сложнее, и не так замечательно, как выглядит на первый взгляд. Одна из самых больших проблем – выбрать точку в которой можно безболезненно разорвать землю усилителя. Другая проблема – если вдруг через этот резистор станет протекать какой-то посторонний ток (например, вызванный неудачным монтажом, неудачным соединением блоков усилителя между собой или какими-то другими причинами), то падение напряжения на земляном резисторе будет (относительно) очень большое – гораздо больше, чем было бы без него. И все проблемы с попаданием помех во входную цепь вырастут многократно. Вот почему земляной резистор используется нечасто. И не всегда его наличие приносит пользу. В моем усилителе на микросхеме TDA7294 такой резистор есть. В этой схеме удалось удачно разделить входную и выходную земли. И почти всегда, земляной резистор приносит пользу. Но иногда люди, собравшие этот мой усилитель, пишут, что исключение земляного резистора улучшило работу усилителя (просто удалить из схемы его нельзя – нарушится электрическое соединение! если надо исключить резистор, то его заменяют перемычкой!).
Поэтому если в той схеме усилителя, которую вы собираете, присутствует земляной резистор, то используйте его. Но позаботьтесь о правильном соединении всех блоков усилителя между собой, иначе этот резистор может принести не пользу, а вред. Если в вашей схеме такой резистор отсутствует – ни в коем случае не пытайтесь его ввести самостоятельно! Если этого не смог (или по каким-то причинам не захотел) автор схемы, то у вас это наверняка не получится. Самостоятельным введением земляного резистора можно вообще испортить усилитель.
Закончить все же хочется на положительной ноте: при правильном использовании, земляной резистор очень помогает получить от усилителя в целом максимум того качества звучания, которое этот усилитель может обеспечить.
PS.
Через несколько дней после опубликования этой статьи, я использовал свой усилитель на микросхеме TDA7293 с Т-образной ООС для измерений. В нем как раз входная земля отделена от силовой резистором порядка 1,5 Ом. И так неудачно случилось, что в кабеле питания пропал контакт в земляном проводе. В результате резистор, разделяющий земли, сгорел (ток нагрузки пошел через него в землю источника питания – на рис. 5 этот путь такой: B1-D-A1-B-C-C1-D1). На тот момент у меня не оказалось низкоомных резисторов, и я заменил резистор, разделяющий земли, перемычкой. Но продолжать измерения я не смог – увеличились помехи. Пришлось ехать покупать низкоомный резистор для разделения земли и впаивать его в плату. Вот как выглядел сигнал на выходе усилителя без разделения земли (рис. 6) и когда я снова разделил входную и силовую земли, рис. 7. Обратите внимание на количество и уровень помех с частотой сети 50 Гц и ее гармоник.
Разделение земли в усилителе Рис. 6. Спектр сигнала и помех на выходе усилителя без разделения земель.

Разделение земли в усилителе Рис. 7. Спектр сигнала и помех на выходе усилителя с разделением земель.
23.07.2017