Я не буду расписывать (как делают некоторые) звучание этих колонок, типа “ураганный звук, прозрачный верх, детальная середина”. Скажу лишь одно: за последние 60 лет в колонкостроении абсолютно ничего не изменилось – те же деревянные ящики как были, так и остались. Изменения произошли в динамиках – именно они отвечают за звук, именно они преобразуют в звук то, что приходит с усилителя. Так вот, в этих колонках новые и очень качественные динамики. Ни китайские, ни российские динамики по качеству и близко не стояли. И далеко не во всех полочниках, которые продаются как “фирменные” стоят динамики такого качества. И в связи с этим наша задача – позволить динамикам раскрыть свои возможности и не помешать им отлично работать.
Это заметно более дешевый вариант вот этих полочников (которые у меня работают тылами), причем качество звучания снизилось ненамного (действительно, у дорогих динамиков отношение цена/качество намного хуже, ведь максимальное качество выжимается по крохам и дается очень нелегко). Тем не менее динамики в них очень хорошие (и на самом деле не дешевые) и звучат они замечательно. По габаритам колонки несколько меньше моих тыловах (такие вот младшие братишки):
Высококачественные минимониторы
Динамики, которые здесь используются – это практически те же самые, что и в тех колонках на которые я ссылаюсь. ВЧ динамик того же класса, но попроще, НЧ/СЧ динамик не “суперской”, а “обычной” серии. Но по параметрам они настолько похожи… У них практически одинаковый мотор (за исключением колец Фарадея) и немного более простой диффузор. И немного другой подвес (по моим измерениям он имеет искажения ниже 80 Гц даже чуть ниже, чем у “суперских” динамиков).
Звучат они очень хорошо. Я сравнивал с новыми тылами – разница мала. У этих колонок несколько меньше низких (но потенциал есть, т.к. линейный ход диффузора у динамика приличный), а если их дополнить простым корректором, поднимающим басы, то от 40 Гц они играют.
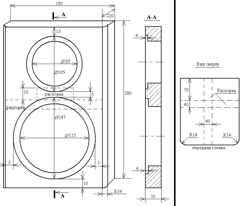
Чертеж корпуса колонки:
Динамики: НЧ – Seas H1455 (ER15RLY) из серии PRESTIGE, ВЧ – Vifa D27TG-05-06, из достаточно качественной серии. Это ведущие мировые производители динамиков, и многие именитые колонки их динамики используют (или заказывают у них со своей маркировкой). Эти динамики легко приобрести в России по Интернету.
Скругления передних углов колонок необязательны, но с ними красивее, и немного ровнее АЧХ на ВЧ. Отклонения объема корпуса в пределах +-5% вполне допустимо. Толщина стенок – 16 мм. Меньше лучше не делать (допустимо 12 мм, но оклеивать вибропоглотителем), больше – можно, но колонки будут больше по размерам. Можно немного изменить соотношение высота/глубина (но не сильно) с сохранением внутреннего объема. Переднюю панель шире делать не стОит – от этого зависит неравномерность АЧХ в дальнем поле. Отверстия в корпусе под терминалы я не делал – я использовал терминалы “внешнего базирования”: так проще изготовить, и меньше герметизировать. Но если хотите – всегда можно сделать.
Стенки колонок изнутри оклеиваются вибропоглотителем , я использовал герлен-изолон толщиной 8 мм. Сам корпус наполнен распушенным синтепоном весом примерно 150 грамм, только нужно, чтобы он не попал в НЧ динамик. Углубления в передней панели под динамики можно и не делать – на звук это никак не скажется, а выглядит тоже неплохо.
У меня эти колонки работают в биампинге (поэтому сзади четыре терминала) совместно с усилителем, сделанным из Top device TD 180/2.0. Это моя компьютерная мультимедийная система. Также я их часто использую, когда приходят гости и нужна музыка для звукового фона (на компе музыки немеряно). И все очень хорошо.
А если нет возможности для биампинга, то вот пассивный кроссовер:
Схема отличается от тылов только номиналами цепи Цоблея – динамики ну очень одинаковые, и все попытки подстроить схему под них привели к тому же, с чего начал. Конденсаторы можно смело ставить К73-16 (можно и К73-17, но они бывают конструктивно нехорошо сделаны), катушки без сердечника, намотанные проводом диаметром не меньше 0,6 мм.
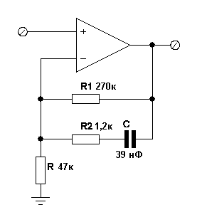
Если немного не хватает низких, то можно в усилитель добавить корректор, немного поднимающий низкие частоты. С ним звучание становится вообще “дорогим”. Схема корректора очень простая:
Подойдет любой ОУ, не обязательно “кошерный”. Наоборот, не нужно гнаться за скоростными – с ними можно огрести кучу проблем. Вполне подойдет недорогой ОУ вроде 4558, 4560, 4565 – к нему не предъявляется высоких требований, т.к. он работает с Ку=1, т.е. с ООС максимальной глубины. ОУ типа ОРА2134 – это самы верх качества. Конденсатор пленочный, например, К73-17.
Вот как корректор меняет АЧХ колонки:
Мне часто задают вопрос: а стОит ли делать колонки самому? Может проще купить? И лучше ли современные, чем колонки 70-х годов ХХ века? Отвечу так. Если вы получаете удовольствие от того, что что-то делаете своими руками – то делать самому очень даже стОит. Если вы хотите сэкономить – то опять же, делать стОит: при самостоятельном изготовлении затраты получаются намного меньше (если конечно самому делать корпуса) – чуть ли не в 2 раза! Так получается потому, что изготовление колонок включает много дорогостоящих ручных операций, плюс дорогая доставка в магазин (чтобы не побить корпуса), плюс реклама, плюс магазинная наценка – колонки не ходовой товар и она немаленькая. В ральной качественной колонке стоимость диамиков составляет примерно 1/3 от стоимости всей колонки, а иногда и меньше!
Только надо помнить одну важную вещь: корпус колонки – это не просто красивая подставка для динамиков! Корпус обеспечивает правильность работы динамиков и позволяет им раскрыть свои возможности по максимуму. Но если корпус сделан плохо, то он способен свести на нет звучание самого лучшего в мире динамика! Поэтому самостоятельно делать колонки стОит только в том случае, если вы действительно сможете сделать правильный и качественный корпус (а это не просто!).
Ну и по поводу старых колонок. Каким бы “сладким” нам не казалось их звучание, динамики совершенствуются. Сравнение современных динамиков и аналогичных, но десятилетней давности показало, что искажения современных динамиков заметно меньше. Динамики – сложные и наукоемкие устройства, и с течением времени их производители развивают теорию, нарабатывают опыт, создают “ноу-хау”. Поэтому современные динамики наверняка лучше старых (естественно, сравнивать можно только устройства одного класса, иначе получится сравнение 10-ти летнего “Мерседеса” и новых “Жигулей”). Хотя сейчас все попсеет, особено с выходом в массы стандарта mp3, и производители начинают экономить и на динамиках…