В последние годы в радиолюбительской литературе описано довольно много устройств управления различными электрическими установками. В большинстве случаев их строят на базе микроконтроллера, наиболее часто — PIC16F84, что обусловлено его относительно низкой ценой и большим объемом литературы по этой тематике. Однако если необходимо разработать такое устройство, скажем, для домашней елки, радиолюбителю необходимо изучить ассемблер микроконтроллера, приобрести (или собрать) программатор и потратить много времени и сил для отладки программы.
Значительно более простым представляется вариант с использованием для управления персонального компьютера, даже самого простого. Сегодня многие радиолюбители имеют такие компьютеры, и остается только изготовить исполнительное устройство. Поскольку не всегда есть возможность открыть системный блок компьютера, чтобы установить в него такое устройство, придется собрать и источник питания (или применить готовый, выпускаемый промышленностью). Однако этот недостаток компенсируется гибкостью при перепрофилировании исполнительного устройства для различных задач и удобством системы в плане программирования — используются хорошо знакомые языки высокого уровня или ассемблер для IBM PC.
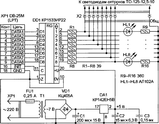
Принципиальная схема восьмиканального исполнительного устройства изображена на рисунке. Как видно, выполнено оно на регистре DD1 и подключается к параллельному порту ПК. Регистр используется в необычном режиме, но работает нормально. В качестве силовых элементов применены оптотиристоры ТО-125-12,5-10, установленные на теплоотводах. Светодиоды HL1— HL8 индицируют работу каналов. Блок питания содержит понижающий трансформатор Т1, выпрямитель VD1, микросхемный стабилизатор DA1 и фильтрующие конденсаторы С1— СЗ.
В качестве примеров использования такого устройства в табл. 1 и 2 приведены программы управления «Бегущий огонь» и «Случайный выбор», используя которые, можно проверить работоспособность устройства и написать другие.