Как проверить и как работает оптрон.
Сообщений 1 страница 2 из 2
Поделиться229.02.2020 11:46:27
Потребовался простой способ проверки оптронов. Не часто я с ними «общаюсь», но бывают моменты, когда надо определить — виноват ли оптрон?.. Для этих целей сделал очень простой пробник. «Конструкция выходного часа».
Внешний вид пробника:
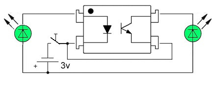
Схема данного пробника очень проста:
Теория:
Оптроны(оптопары) стоят практически в каждом импульсном блоке питания для гальванической развязки цепи обратной связи. В составе оптрона находятся обычный светодиод и фототранзистор. Упрощенно говоря, это, своего рода, маломощное электронное реле, с контактами на замыкание.
Принцип работы оптрона: Когда через встроенный светодиод проходит электрический ток, светодиод (в оптроне) начинает светиться, свет попадает на встроенный фототранзистор и открывает его.
Оптроны часто выпускается в корпусе Dip
Первая ножка микросхемы, по стандарту обозначается ключом, точкой на корпусе микросхемы, она же анод светодиода, далее номера ножек идут по окружности, против часовой стрелки.
Суть проверки: Фототранзистор, при попадании на него света от внутреннего светодиода,
переходит в открытое состояние, а сопротивление его — резко уменьшится (с очень большого сопротивления, до примерно 30-50 Ом.).
Практика:
Единственным минусом данного пробника является то, что для проверки необходимо выпаять оптрон и установить в держатель согласно ключу(у меня роль напоминалки является кнопка тестирования — она смещена в сторону, и ключ оптрона должен смотреть на кнопку).
Далее, при нажатии кнопки, (если оптрон цел), оба светодиода загорятся: Правый будет сигнализировать о том, что светодиод оптрона рабочий(цепь не разорвана), а левый сигнализировать о работоспособности фототранзистора(цепь не разорвана).

(Держатель у меня был только DIP-6 и пришлось залить неиспользуемые контакты термоклеем.)
Для окончательного тестирования, необходимо перевернуть оптрон «не по ключу» и проверить уже в таком виде — оба светодиода не должны гореть. Если же горят оба или один из них, то это говорит нам о коротком замыкании в оптроне.
Рекомендую такой пробник в качестве первого, для начинающих радиолюбителей, которым необходимо проверять оптроны раз в полгода, год)
Существуют и более современные схемы с логикой и сигнализацией о «выходе из параметров», но такие нужны для очень узкого круга людей.