ЧТО ТАКОЕ ОПТРОН (ОПТОПАРА)
Сообщений 1 страница 2 из 2
Поделиться219.12.2023 14:47:50
Виды и устройство оптронов
Существует несколько признаков, по которым можно классифицировать оптроны по группам. При разделении на классы оптронных изделий необходимо учитывать два фактора: тип фотоприемника и особенности общей конструкции прибора.
Первый признак классификации оптронов обуславливается тем, что у всех оптопар на входе расположен светодиод, поэтому возможности функционирования определяются свойствами устройства фотоприемника. Вторым признаком является исполнение конструкции, определяющее особенности использования оптрона.
Применяя такой смешанный принцип разделения, можно выделить три группы оптронных устройств:
Элементарные оптопары.
Оптоэлектронные микросхемы.
Специальные оптопары.
Группы содержат в себе множество видов приборов. Для популярных оптопар применяются некоторые обозначения:
Д – диодная.
Т – транзисторная.
R – резисторная.
У – тиристорная.
Т2 – со сложным фототранзистором.
ДТ – диодно-транзисторная.
2Д (2Т) – диодная дифференциальная, либо транзисторная.
Система свойств оптронных устройств основывается на системе свойств оптопар. Эта система создается из четырех групп свойств и режимов:
Характеризует цепь входа оптопары.
Характеризует выходные параметры.
Объединяет степень действия излучателя на приемник света, и особенности прохода сигнала по оптопаре в качестве компонента связи.
Объединяет свойства гальванической развязки.
Основными оптронными параметрами считаются свойства передачи и гальванической развязки. Важной величиной транзисторных и диодных оптронов считается коэффициент передачи тока.
Показателями гальванической развязки оптронов являются:
Допустимое пиковое напряжение выхода и входа.
Допустимое наибольшее напряжение выхода и входа.
Сопротивление развязки.
Проходная емкость.
Допустимая наибольшая скорость изменения напряжения выхода и входа.
Первый параметр является наиболее важным. По нему определяют электрическую прочность оптрона, а также его способности применения в качестве гальванической развязки.
Эти параметры оптронов применимы и для интегральных микросхем на основе оптопар.
Обозначения оптопар на схемах
Оптроны на диодах (рис. а) больше других устройств показывают уровень развития оптронной технологии. По значению коэффициента передачи определяют полезное действие преобразования энергии в оптопаре. Величины временных значений свойств дают возможность определить наибольшие скорости передачи информации. Соединение с диодным оптроном усилителей позволяет создать эффективные устройства передачи информации.
Транзисторные оптроны
Эти приборы (рис. с) отличаются некоторыми свойствами от других видов оптопар. Одним из таких свойств является возможность оптического управления по цепи светодиода, и по основной электрической цепи. Цепь выхода может также действовать в режиме ключа и линейном режиме.
Принцип внутреннего усиления дает возможность получения больших величин коэффициента передачи тока. Поэтому дополнительные усилители не всегда нужны. Важным моментом является небольшая инерционность оптопары, что допускается для многих режимов. Фототранзисторы имеют выходные токи намного больше, чем фотодиоды. Поэтому они применяются для коммутации различных электрических цепей. Все это достигается простой технологией транзисторных оптронов.
Тиристорные оптроны
Такие оптопары (рис. b) имеют большую перспективу для коммутации мощных силовых цепей высокого напряжения: по мощности, нагрузке, скорости они более подходящие, чем Т2 оптопары. Оптроны марки АОУ 103 служат для применения в качестве бесконтактных выключателей в разных электронных схемах: усилителях, управляющих цепях, источниках импульсов и т.д.
Резисторные оптроны
Такие устройства (рис. d) называют фоторезисторами. Они значительно различаются от других типов оптронов своими особенностями конструкции и технологией изготовления. Основным принципом работы фоторезистора является эффект фотопроводности, то есть, изменения величины сопротивления при воздействии светового потока.
Дифференциальные
Рассмотренные выше оптопары способны передавать цифровые данные по гальванической развязке цепи. Важной проблемой является передача аналогового сигнала при помощи оптронов, то есть, создание линейности свойств передачи «вход-выход». Только при наличии таких свойств оптопар можно передавать аналоговые данные по гальванической развязке цепи без цифрового вида и импульсной передачи.
Такая задача решается диодными оптопарами, имеющими качественные шумовые и частотные характеристики. Трудность в решении этой задачи заключается в узком интервале линейности передающей характеристики и линейности диодных оптопар. Такие приборы только начинают прогрессировать в развитии, но за ними большое будущее.
Оптронные микросхемы
Эти микросхемы являются наиболее популярными классами моделей оптронных устройств, благодаря конструктивной и электрической совместимости оптронных микросхем с простыми видами, а также намного большей функциональности. Широкое применение получили коммутационные оптронные микросхемы.
Специальные оптроны
Такие образцы имеют значительные отличия от стандартных моделей приборов. Они выполнены в виде оптопар с оптическим каналом открытого вида. В устройстве таких моделей между фотоприемником и излучателем находится воздушный промежуток. Поэтому, при размещении в нем механических препятствий можно управлять светом и сигналом выхода. Оптроны с открытым каналом оптики используются вместо оптических датчиков, которые фиксируют наличие предметов, их поверхность, поворот, перемещение и т.д.
Применение оптронных устройств
Подобные устройства используются для передачи данных между устройствами, которые не соединены электрическими проводами.
Также оптопары используются для отображения и получения информации в технике. Отдельно необходимо отметить оптронные датчики, служащие для контроля объектов и процессов, отличающихся по назначению и природе.
Заметен прогресс оптронной функциональной микросхемотехники, которая ориентирована на решение различных задач по преобразованию и накоплению данных.
Полезной эффективностью стала замена больших недолговечных устройств электромеханического типа приборами оптоэлектронного принципа действия.
Иногда оптронные компоненты применяются в энергетике, хотя это довольно специфические решения.
Контроль электрических процессов
Мощность светового потока от светодиода и величина фототока, который образуется в линейных цепях фотоприемников, напрямую зависит от тока проводимости излучателя. Поэтому по бесконтактным оптическим каналам можно передать информацию о процессах в цепях электрического тока, связанных проводами с излучателем. Наиболее эффективным стало применение излучателей света оптопар в датчиках, электрических изменений в силовых цепях высокого напряжения. Точная информация об аналогичных изменениях имеет важность для своевременной защиты источников и потребителей электроэнергии от чрезмерных нагрузок.
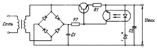
Стабилизатор с контрольным оптроном
Оптроны эффективно работают в стабилизаторах высокого напряжения. В них они образуют оптические каналы обратных связей отрицательной величины. Стабилизатор, изображенный на схеме, является прибором последовательного вида. При этом элемент регулировки выполнен на биполярном транзисторе, а стабилитрон на основе кремния работает в качестве источника эталонного опорного напряжения. Компонентом сравнения является светодиод.
При возрастании выходного напряжения, повышается и проводимость светодиода. На транзистор оптрона оказывает действие фототранзистор, при этом стабилизирует напряжение на выходе.
Достоинства оптронов
Бесконтактное управление объектами, гибкость и разнообразие видов управления.
Устойчивость каналов связи к электромагнитным полям, что позволяет создать защиту от помех и взаимных наводок.
Создание микроэлектронных устройств с приемниками света, свойства которых могут изменяться по определенным сложным законам.
Увеличение перечня функций управления сигналом выхода оптронов с помощью воздействия на материал канала оптики, создание приборов и датчиков для передачи данных.
Недостатки оптронов
Малый КПД, вследствие двойного преобразования энергии, большой расход электроэнергии.
Значительная зависимость работы от температуры.
Большой собственный шумовой уровень.
Технология и конструкция недостаточно совершенны, так как применяется гибридная технология.
Такие отрицательные моменты оптронов постепенно устраняются по мере развития технологии схемотехники и создания материалов. Большая популярность оптронов вызвана, прежде всего, уникальными свойствами этих устройств.
