Итак, если напряжение именно в вашей розетке поднимается хотя бы до 6 вольт, то вполне реально сделать зарядное устройство для пятивольтовых гаджетов.
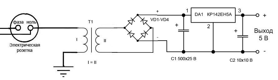
Для этого нам понадобится это самое напряжение выпрямить (оно же переменное) и стабилизировать на уровне пяти вольт. Поможет нам в этом обычный мостовой выпрямитель и интегральный стабилизатор. Дополнительно для безопасности мы установим во входную цепь нашего устройства трансформатор. Он будет иметь коэффициент трансформации 1:1 и никак не изменит напряжение, но гальванически развяжет зарядное устройство с сетью и сделает работу с ним абсолютно безопасной. Взглянем на схему:
Практическое использование «даровой» энергии из розетки

Напряжение, полученное с нулевого провода розетки, поступает на трансформатор Т1, проходит через мостовой выпрямитель, собранный на диодах VD1-VD4 и сглаживается конденсатором С1. Далее идет стабилизатор, собранный на интегральной микросхеме КР142ЕН5А, на выходе которого мы получаем необходимые 5 В.
Никакой настройки и регулировки эта схема не требует и если она собрана из заведомо исправных деталей, заработает сразу (конечно, при наличии необходимого «дарового» напряжения).
Трансформатор можно намотать на любом трансформаторном железе, подвернувшемся под руку. Подойдет любой сетевой трансформатор (желательно, конечно, поменьше) и даже «звуковой» из любого лампового радиоприемника или радиотрансляционной точки.
Разбираем трансформатор, сматываем все обмотки и взамен них наматываем свои I, II, имеющие по 100-200 витков провода каждая. Мотать можно любым обмоточным проводом диаметром 0.5 – 0.8 мм. Между обмотками для лучшей изоляции нужно проложить слой изоленты или лакоткани.
В качестве диодов можно взять любые выпрямительные, выдерживающие ток до 1 А и обратное напряжение не ниже 20 В. Если есть возможность, используйте так называемые диоды Шоттки (есть в любых компьютерных БП и материнских платах). Эти диоды имеют меньшее падение напряжения. Но если таких нет, то подойдут и обычные кремниевые. На месте DA1 могут работать отечественные интегральные стабилизаторы КР142ЕН5А, В; 142ЕН5А, В; К142ЕН5А, В; 1145ЕН2А. Подойдут и их зарубежные аналоги.
Прибор можно оформить в любом подходящем корпусе и снабдить его стандартным USB гнездом.