
Рис. 1. Способы управления током возбуждения: Г - генератор с параллельным возбуждением; Wв - обмотка возбуждения; Rд - дополнительное сопротивление; R - балластное сопротивление; К - коммутатор тока (регулирующий орган) в цепи возбуждения; а, б, в,г, д указаны в тексте.
Современный автомобильный двигатель внутреннего сгорания (ДВС) работает в широком интервале изменения оборотов (900:.. 6500 об/мин). Соответственно изменяется и частота вращения ротора автомобильного генератора, а значит и его выходное напряжение.
Зависимость выходного напряжения генератора от оборотов двигателя внутреннего сгорания недопустима, так как напряжение в бортовой сети автомобиля должно быть постоянным и не только при изменении оборотов двигателя, но и при изменении тока нагрузки. Функцию автоматического регулирования напряжения в автомобильном генераторе выполняет специальное устройство — регулятор напряжения автомобильных генераторов. Данный материал посвящен рассмотрению регуляторов напряжения современных автомобильных генераторов переменного тока.
Регулирование напряжения в генераторах с электромагнитным возбуждением
Способы регулирования. Если главное магнитное поле генератора наводится электромагнитным возбуждением, то электродвижущая сила Eг генератора может быть функцией двух переменных: частоты n вращения ротора и тока Iв в обмотке возбуждения — Eг = f(n, Iв).
Именно такой тип возбуждения имеет место во всех современных автомобильных генераторах переменного тока, которые работают с параллельной обмоткой возбуждения.
При работе генератора без нагрузки его напряжение Uг равно его электродвижущей силе ЭДС Eг:
Uг = Eг = СФn (1).
Напряжете Uг генератора под током Iн нагрузки меньше ЭДС Eг на величину падения напряжения на внутреннем сопротивлении rг генератора, т.е. можно записать, что
Eг = Uг + Iнrг = Uг(1 + β) (2).
Величина β = Iнrг/Uг называется коэффициентом нагрузки.
Из сравнения формул 1 и 2 следует, что напряжение генератора
Uг = nСФ/(1 + β), (3)
где С — постоянный конструктивный коэффициент.
Уравнение (3) показывает, что как при разных частотах (n) вращения ротора генератора (n = Var), так и при изменяющейся нагрузке (β = Var), неизменность напряжения Uг генератора может быть получена только соответствующим изменением магнитного потока Ф.
Магнитный поток Ф в генераторе с электромагнитным возбуждением формируется магнитодвижущей силой Fв = W Iв обмотки Wв возбуждения (W — число витков обмотки Wв) и может легко управляться с помощью тока Iв в обмотке возбуждения, т.е. Ф = f (Iв). Тогда Uг = f[n, β, f(Iв)] 1 что позволяет удерживать напряжение Uг генератора в заданных пределах регулирования при любых изменениях его оборотов и нагрузки соответствующим выбором функции f(Iв) регулирования.
Автоматическая функция f(Iв) регулирования в регуляторах напряжения сводится к уменьшению максимального значения тока Iв в обмотке возбуждения, которое имеет место при Iв = Uг/Rw (Rw — активное сопротивление обмотки возбуждения) и может уменьшаться несколькими способами (рис. 1): подключением к обмотке Wв параллельно (а) или последовательно (б) дополнительного сопротивления Rд: закорачиванием обмотки возбуждения (в); разрывом токовой цепи возбуждения (г). Ток через обмотку возбуждения можно и увеличивать, закорачивая последовательное дополнительное сопротивление (б).
Все эти способы изменяют ток возбуждения скачкообразно, т.е. имеет место прерывистое (дискретное) регулирование тока. В принципе возможно и аналоговое регулирование, при котором величина последовательного дополнительного сопротивления в цепи возбуждения изменяется плавно (д).
Но во всех случаях напряжение Uг генератора удерживается в заданных пределах регулирования соответствующей автоматической корректировкой величины тока возбуждения.
Дискретно - импульсное регулирование
В современных автомобильных генераторах магнитодвижущую силу Fв обмотки возбуждения, а значит и магнитный поток Ф, изменяют периодическим прерыванием или скачкообразным уменьшением тока Iв возбуждения с управляемой частотой прерывания, т.е. применяют дискретно-импульсное регулирование рабочего напряжения Uг генератора (ранее применялось аналоговое регулирование, например, в угольных регуляторах напряжения).
Суть дискретно-импульсного регулирования станет понятной из рассмотрения принципа действия генераторной установки, состоящей из простейшего контактно-вибрационного регулятора напряжения, и генератора переменного тока (ГПТ)
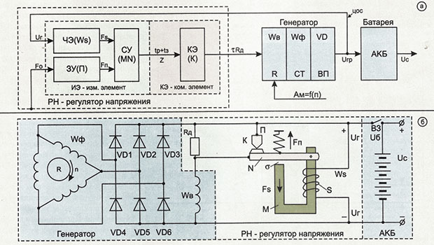
Рис. 2. Функциональная (а) и электрическая (б) схемы генераторной установки с вибрационным регулятором напряжения.
Функциональная схема генераторной установки, работающей совместно с бортовой аккумуляторной батареей (АКБ), показана на рис. 2а, а электрическая схема — на рис. 26.
В состав генератора входят: фазные обмотки Wф на статоре СТ, вращающийся ротор R, силовой выпрямитель ВП на полупроводниковых диодах VD, обмотка возбуждения Wв (с активным сопротивлением Rw). Механическую энергию вращения Aм = f(n) ротор генератора получает от ДВС. Вибрационный регулятор напряжения РН выполнен на электромагнитном реле и включает в себя коммутирующий элемент КЭ и измерительный элемент ИЭ.
Коммутирующий элемент КЭ — это вибрационный электрический контакт К, замыкающий или размыкающий дополнительное сопротивление Rд, которое включено с обмоткой возбуждения Wв генератора последовательно. При срабатывании коммутирующего элемента (размыкание контакта К) на его выходе формируется сигнал τRд (рис. 2а).
Измерительный элемент (ИЭ, на рис. 2а) — это та часть электромагнитного реле, которая реализует три функции:
функцию сравнения (СУ) механической упругой силы Fn возвратной пружины П с магнитодвижущей силой Fs = WsIs релейной обмотки S (Ws — число витков обмотки S, Is — ток в релейной обмотке), при этом результатом сравнения является сформированный в зазоре с период Т (Т = tр + tз) колебаний якоря N;
функцию чувствительного элемента (ЧЭ) в цепи обратной связи (ЦОС) регулятора напряжения, чувствительным элементом в вибрационных регуляторах является обмотка S электромагнитного реле, подключенная непосредственно к напряжению Uг генератора и к аккумуляторной батарее (к последней через ключ зажигания ВЗ);
функцию задающего устройства (ЗУ), которое реализуется с помощью возвратной пружины П с силой упругости Fп и опорной силой Fо.
Работа регулятора напряжения с электромагнитным реле наглядно может быть пояснена с помощью скоростных характеристик генератора (рис. 3 и 4).

Рис. 3. Изменение Uг, Iв, Rб во времени t: а — зависимость текущего значения выходного напряжения генератора от времени t — Uг = f (t); б — зависимость текущего значения в обмотке возбуждения от времени — Iв = f (t); в — зависимость среднеарифметического значения сопротивления в цепи возбуждения от времени t — Rб = f(t); I — время, отвечающее частоте (n) вращения ротора генератора.
Пока напряжение Uг генератора ниже напряжения Uб аккумуляторной батареи (Uг < Uб), электромагнитное реле не срабатывает и возвратная пружина П удерживает контакт К в замкнутом состоянии. При этом ток Iвб в обмотке Wв возбуждения не изменяется, так как определяется постоянным напряжением Uб батареи (ключ зажигания ВЗ — включен) и сопротивлением Rw обмотки возбуждения: Iвб = Uб/Rw. Регулирования напряжения не происходит (на рис. 3 участок 0...nmin).
При увеличении оборотов ДВС напряжение генератора возрастает и при достижении некоторого значения Umax) > Uб) магнитодвижущая сила Fs релейной обмотки становится больше силы Fп возвратной пружины П, т.е. Fs= Is Ws > Fп. Электромагнитное реле срабатывает и контакт К размыкается, при этом в цепь обмотки возбуждения включается дополнительное сопротивление.
Еще до размыкания контакта К ток Iв в обмотке возбуждения достигает своего максимального значения Iв max = UгRw > Iвб, от которого, сразу после размыкания контакта К, начинает падать, стремясь к своему минимальному значению Iв min = Uг/(Rw + Rд). Вслед за падением тока возбуждения напряжение генератора начинает соответственно уменьшаться (Uг = f(Iв), что приводит к падению тока Is = Uг/Rs в релейной обмотке S и контакт К вновь размыкается усилием возвратной пружиной П (Fп > Fs). К моменту размыкания контакта К напряжение генератора Uг становится равным своему минимальному значению Umin, но остается несколько больше напряжения аккумуляторной батареи (Uгmin > Uб).
Начиная с момента размыкания контакта К (n = nmin, рис. 3), даже при неизменной частоте n вращения ротора генератора, якорь N электромагнитного реле входит в режим механических автоколебаний и контакт К, вибрируя, начинает периодически, с определенной частотой коммутации fк = I/Т = I/(tр + tз) то замыкать, то размыкать дополнительное сопротивление Rд в цепи возбуждения генератора (зеленая линия на участке n = nср = const, рис. 3). При этом сопротивление Rв в токовой цепи возбуждения изменяется скачкообразно от значения Rw до величины Rw+Rд.
Так как при работе регулятора напряжения контакт К вибрирует с достаточно высокой частотой fк коммутации, то Rв = Rw + τр где величина τр — это относительное время разомкнутого состояния контакта К, которое определяется по формуле τр = tр/(tз + tр), I/(tз + tр) = fк — частота коммутации. Теперь среднее, установившееся для данной частоты fк коммутации, значение тока возбуждения может быть найдено из выражения:
Iв ср = Uг ср/Rв = Uг ср/(Rw+τрRд) = Uг ср/(Rw + Rдtр/fк),
где Rв — среднеарифметическое (эффективное) значение пульсирующего сопротивления в цепи возбуждения, которое при увеличении относительного времени τр разомкнутого состояния контакта К также увеличивается (зеленая линия на рис. 4).
Рис. 4. Скоростные характеристики генератора.
Процессы при коммутациях с током возбуждения
Рассмотрим более подробно, что происходит при коммутациях с током возбуждения. Когда контакт К длительно замкнут, по обмотке Wв возбуждения протекает максимальный ток возбуждения Iв = Uг/Rw.
Однако обмотка возбуждения Wв генератора представляет собой электропроводную катушку с большой индуктивностью и с массивным ферромагнитным сердечником. Как следствие, ток через обмотку возбуждения после замыкания контакта К нарастает с замедлением. Это происходит потому, что скорости нарастания тока препятствует гистерезис в сердечнике и противодействующая нарастающему току — ЭДС самоиндукции катушки.
При размыкании контакта К ток возбуждения стремится к минимальной величине, значение которой при длительно разомкнутом контакте определяется как Iв = Uг/(Rw + Rд). Теперь ЭДС самоиндукции совпадает по направлению с убывающим током и несколько продлевает процесс его убывания.
Из сказанного следует, что ток в обмотке возбуждения не может изменяться мгновенно (скачкообразно, как дополнительное сопротивление Rд) ни при замыкании, ни при размыкании цепи возбуждения. Более того, при высокой частоте вибрации контакта К ток возбуждения может не достигать своей максимальной или минимальной величины, приближаясь к своему среднему значению (рис. 4), так как величина tр = τр/fк увеличивается с увеличением частоты fк коммутации, а абсолютное время tз замкнутого состояния контакта К уменьшается.
Из совместного рассмотрения диаграмм, показанных на рис. 3 и рис. 4, вытекает, что среднее значение тока возбуждения (красная линия б на рис. 3 и рис. 4) при повышении оборотов n уменьшается, так как при этом увеличивается среднеарифметическая величина (зеленая линия на рис. 3 и рис. 4) суммарного, пульсирующего во времени, сопротивления Rв цепи возбуждения (закон Ома). При этом среднее значение напряжения генератора (Uср на рис. 3 и рис. 4) остается неизменным, а выходное напряжение Uг генератора пульсирует в интервале от Umax до Umin.
Если же увеличивается нагрузка генератора, то регулируемое напряжение Uг первоначально падает, при этом регулятор напряжения увеличивает ток в обмотке возбуждения настолько, что напряжение генератора обратно повышается до первоначального значения.
Таким образом, при изменении тока нагрузки генератора (β = Var) процессы регулирования в регуляторе напряжения протекают так же, как и при изменении частоты вращения ротора.
Пульсации регулируемого напряжения. При постоянной частоте n вращения ротора генератора и при постоянной его нагрузке рабочие пульсации тока возбуждения (ΔIв на рис. 46) наводят соответствующие (по времени) пульсации регулируемого напряжения генератора.
Амплитуда пульсаций ΔUг — 0,5(Umax — Umin)* регулятора напряжения Uг от амплитуды тоновых пульсаций ΔIв в обмотке возбуждения не зависит, так как определяется заданным с помощью измерительного элемента регулятора интервалом регулирования. Поэтому пульсации напряжения Uг на всех частотах вращения ротора генератора практически одинаковы. Однако скорость нарастания и спада напряжения Uг в интервале регулирования определяется скоростью нарастания и спада тока возбуждения и, в конечном счете, частотой вращения (n) ротора генератора.
Следует заметить, что пульсации 2ΔUг являются неизбежным и вредным побочным проявлением работы регулятора напряжения. В современных генераторах они замыкаются на массу шунтирующим конденсатором Сш, который устанавливается между плюсовой клеммой генератора и корпусом (обычно Сш = 2,2 мкФ)
Когда нагрузка генератора и частота вращения его ротора не изменяются, частота вибрации контакта К также неизменна (fк = I/(tз + tр) = const). При этом напряжение Uг генератора пульсирует с амплитудой ΔUр = 0,5(Umax — Umin) около своего среднего значения Uср.
При изменении частоты вращения ротора, например, в сторону увеличения или при уменьшении нагрузки генератора, время tз замкнутого состояния становится меньше времени tр разомкнутого состояния (tз < tр), а значит среднее значение тока Iв возбуждения Iв ср = Uг ср/(Rw + Rд tр/fк) падает. При этом рабочие пульсации ΔIв тока возбуждения также падают, а напряжение Uг генератора остается в заданных пределах регулирования с прежней амплитудой ΔUг пульсаций (см. рис. 3 и рис. 4 при n = nmax = const).
При уменьшении частоты ротора генератора (n↓), или при увеличении нагрузки (β↑), среднее значение тока возбуждения и его пульсации будут расти. Но напряжение генератора будет попрежнему колебаться с амплитудой ΔUг вокруг неизменной величины Uг ср.
Постоянство среднего значения напряжения Uг генератора объясняется тем, что оно определяется не режимом работы генератора, а конструктивными параметрами электромагнитного реле: числом витков Ws релейной обмотки S, ее сопротивлением Rs, величиной воздушного зазора σ между якорем N и ярмом М, а также силой Fп возвратной пружины П, т.е. величина Uср есть функция четырех переменных: Uср = f(Ws, Rs, σ, Fп).
Электромагнитное реле с помощью подгиба опоры возвратной пружины П настраивается на величину Uср таким образом, чтобы на нижней частоте вращения ротора (n = nmin — рис. 3 и рис. 4) контакт К начинал бы размыкаться, а ток возбуждения успевал бы достигать своего максимального значения Iв = Uг/Rw. Тогда пульсации ΔIв и время tз, замкнутого состояния — максимальны. Этим устанавливается нижний предел рабочего диапазона регулятора (n = nmin). На средних частотах вращения ротора время tз примерно равно времени tр, и пульсации тока возбуждения становятся почти в два раза меньше. На частоте вращения n, близкой к максимальной (n = nmax — рис. 3 и рис. 4), среднее значение тока Iв и его пульсации ΔIв — минимальны. При nmax происходит срыв автоколебаний регулятора и напряжение Uг генератора начинает возрастать пропорционально оборотам ротора. Верхний предел рабочего диапазона регулятора задается величиной дополнительного сопротивления (при определенной величине сопротивления Rw).
Выводы. Вышесказанное о дискретно-импульсном регулировании можно обобщить следующим образом: после пуска двигателя внутреннего сгорания (ДВС), с повышением его оборотов, наступает такой момент, когда напряжение генератора достигает верхнего предела регулирования (Uг = Umax). В этот момент (n = nmin) в регуляторе напряжения размыкается коммутирующий элемент КЭ и сопротивление в цепи возбуждения скачкообразно увеличивается. Это приводит к уменьшению тока возбуждения и, как следствие, к соответствующему падению напряжения Uг генератора. Падение напряжения Uг ниже минимального предела регулирования (Uг = Umin) приводит к обратному замыканию коммутирующего элемента КЭ и ток возбуждения начинает снова возрастать. Далее, с этого момента, регулятор напряжения входит в режим автоколебаний и процесс коммутации тока в обмотке возбуждения генератора периодически повторяется, даже при постоянной частоте вращения ротора генератора (n = const).
При дальнейшем увеличении частоты вращения n, пропорционально ей, начинает уменьшаться время tз замкнутого состояния коммутирующего элемента КЭ, что приводит к плавному уменьшению (в соответствии с ростом частоты n) среднего значения тока возбуждения (красная линия на рис. 3 и рис. 4) и амплитуды ΔIв его пульсации. Благодаря этому напряжение Uг генератора начинает также пульсировать, но с постоянной амплитудой ΔUг около своего среднего значения (Uг = Uср) с достаточно высокой частотой колебаний.
Те же процессы коммутации тока Iв и пульсации напряжения Uг, будут иметь место и при изменении тока нагрузки генератора (см. формулу 3).
В обоих случаях среднее значение напряжения Uг генератора остается неизменным во всем диапазоне работы регулятора напряжения по частоте n (Uг ср = const, от nmin до nmax) и при изменении тока нагрузки генератора от Iг = 0 до Iг = max.
В сказанном заключается основной принцип регулирования напряжения генератора с помощью прерывистого изменения тока в его обмотке возбуждения.
Электронные регуляторы напряжения автомобильных генераторов
Рассмотренный выше вибрационный регулятор напряжения (ВРН) с электромагнитным реле (ЭМ-реле) имеет ряд существенных недостатков:
как механический вибратор ВРН ненадежен;
контакт К в ЭМ-реле подгорает, что делает регулятор недолговечным;
параметры ВРН зависят от температуры (среднее значение Uср рабочего напряжения Uг генератора плавает);
ВРН не может работать в режиме полного обесточивания обмотки возбуждения, что делает его низкочувствительным к изменению выходного напряжения генератора (высокие пульсации напряжения Uг) и ограничивает верхнии предел работы регулятора напряжения;
электромеханический контакт К электромагнитного реле ограничивает величину максимального тока возбуждения до значений 2...3 А, что не позволяет применять вибрационные регуляторы на современных мощных генераторах переменного тока.
С появлением полупроводниковых приборов контакт К ЭМ-реле стало возможным заменить эмиттерно-коллекторным переходом мощного транзистора с его управлением по базе тем же контактом К ЭМ-реле.
Так появились первые контактно-транзисторные регуляторы напряжения. В дальнейшем функции электромагнитного реле (СУ, КЭ, УЭ) были полностью реализованы с помощью низкоуровневых (малоточных) электронных схем на полупроводниковых приборах. Это позволило изготавливать чисто электронные (полупроводниковые) регуляторы напряжения.
Особенностью работы электронного регулятора (ЭРН) является то, что в нем отсутствует дополнительный резистор Rд, т.е. в цепи возбуждения реализуется практически полное выключение тока в обмотке возбуждения генератора, так как коммутирующий элемент (транзистор) в закрытом (разомкнутом) состоянии имеет достаточно большое сопротивление. При этом становится возможным управление более значительным током возбуждения и с более высокой скоростью коммутации. При таком дискретно-импульсном управлении ток возбуждения имеет импульсный характер, что позволяет управлять как частотой импульсов тока, так и их длительностью. Однако основная функция ЭРН (поддержание постоянства напряжения Uг при n = Var и при β = Var) остается такой же, как и в ВРН.
С освоением микроэлектронной технологии регуляторы напряжения сначала стали выпускаться в гибридном исполнении, при котором бескорпусные полупроводниковые приборы и навесные миниатюрные радиоэлементы включались в электронную схему регулятора вместе с толстопленочными микроэлектронными резистивными элементами. Это позволило значительно уменьшить массу и габариты регулятора напряжения.
Примером такого электронного регулятора напряжения может служить гибридно-интегральный регулятор Я-112А, который устанавливается на современных отечественных генераторах.
Регулятор Я-112А (см. схему на рис. 5) является типичным представителем схемотехнического решения задачи дискретно-импульсного регулирования напряжения Uг генератора по току Iв возбуждения. Но в конструктивном и технологическом исполнении выпускаемые в настоящее
Рис. 5. Принципиальная схема регулятора напряжения Я-112А: R1...R6 — толстопленочные резисторы: C1, С2 — навесные миниатюрные конденсаторы; V1...V6 — бескорпусные полупроводниковые диоды и транзисторы.
Что касается исполнения регулятора Я-112А, все его полупроводниковые диоды и триоды бескорпусные и смонтированы по гибридной технологии на общей керамической подложке совместно с пассивными толстопленочными элементами. Весь блок регулятора герметичен.
Регулятор Я-112А, как и описанный выше вибрационный регулятор напряжения, работает в прерывистом (ключевом) режиме, когда управление током возбуждения не аналоговое, а дискретно-импульсное.
Принцип работы регулятора напряжения Я-112А автомобильных генераторов
Пока напряжение Uг генератора не превышает наперед заданного значения, выходной каскад V4-V5 находится в постоянно открытом состоянии и ток Iв обмотки возбуждения напрямую зависит от напряжения Uг генератора (участок 0-n на рис. 3 и рис. 4). По мере увеличения оборотов генератора или уменьшения его нагрузки Uг становится выше порога срабатывания чувствительной входной схемы (V1, R1-R2), стабилитрон пробивается и через усилительный транзистор V2 выходной каскад V4-V5 закрывается. При этом ток Iв в катушке возбуждения выключается до тех пор, пока Uг снова станет меньше заданного значения Umin. Таким образом, при работе регулятора ток возбуждения протекает по обмотке возбуждения прерывисто, изменяясь от Iв = 0 до Iв = Imax. При отсечке тока возбуждения напряжение генератора сразу не падает, так как имеет место инерционность размагничивания ротора. Оно может даже несколько увеличиться при мгновенном уменьшении тока нагрузки генератора. Инерционность магнитных процессов в роторе и ЭДС самоиндукции в обмотке возбуждения исключают скачкообразное изменение напряжение генератора как при включении тока возбуждения, так и при его выключении. Таким образом, пилообразная пульсация напряжения Uг генератора остается и при электронном регулировании.
Логика построения принципиальной схемы электронного регулятора следующая. V1 — стабилитрон с делителем R1, R2 образуют входную цепь отсечки тока Iв при Uг > 14,5 В; транзистор V2 управляет выходным каскадом; V3 — запирающий диод на входе выходного каскада; V4, V5 — мощные транзисторы выходного каскада (составной транзистор), включенные последовательно с обмоткой возбуждения (коммутирующий элемент КЭ для тока Iв); V6 шунтирующий диод для ограничения ЭДС самоиндукции обмотки возбуждения; R4, C1, R3 цепочка обратной связи, ускоряющая процесс отсечки тока Iв возбуждения.
Еще более совершенным регулятором напряжения является электронный регулятор в интегральном исполнении. Это такое исполнение, при котором все его компоненты, кроме мощного выходного каскада (обычно это составной транзистор), реализованы с помощью тонкопленочной микроэлектронной технологии. Эти регуляторы настолько миниатюрны, что практически не занимают никакого объема и могут устанавливаться непосредственно на корпусе генератора в щеткодержателе.
Примером конструктивного исполнения ИРН может служить регулятор фирмы BOSCH-EL14V4C, который устанавливается на генераторах переменного тока мощностью до 1 кВт (рис. 6).
В заключение следует отметить, что интегральные регуляторы напряжения, в принципе, ремонту не подлежат. Кроме некоторых отдельных случаев, которые подробно рассматривали здесь