
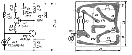
Рис. 1. Схема индикатора снижения питающего напряжения
Индикатором снижения питающего напряжения собранного по схеме (см. рис. 1.) можно контролировать напряжение источника питания различной радиоэлектронной аппаратуры, он позволит предотвратить разрядку аккумуляторных батарей ниже допустимых значений. Также индикатор можно использовать для контроля напряжения в схемах где недопустимо снижение напряжения ниже минимальных значений.
Основой индикатора является транзисторный аналог тиристора, а особенность состоит в том, что в качестве источника образцового напряжения и элемента индикации использован светодиод. В индикаторе использован мигающий режим работы светодиода, что позволяет сделать его работу более заметной и экономичной.
Напряжение Uб на базе транзистора VT2 (1.8...2.1 В) зависит от типа примененного светодиода и слабо изменяется при изменении напряжения питания. Напряжение на эмиттере этого транзистора определяется резистивным делителем и его значение намрямую зависит от напряжения питания Uэ=Uпит·R5/(R5+R6).
Если напряжение питания превышает установленное значение, напряжение между базой и эмиттером Uэб = Uб-Uэ, транзистора VT2 будет менее 0,5 В и он закрыт. Поэтому будет закрыт и транзистор VT1. а ток через светодиод зависящий от сопротивления резистора R1 составит доли миллиампера. По этой причине светодиод или совсем не будет светить или будет светить слабо. В этом режиме схема устройства потребляет ток 1,5...2 мА.
По мере уменьшения напряжения питания напряжение на эмиттере транзистора VT2 также будет уменьшаться. На базе транзистора напряжение уменьшается значительно меньше, поскольку светодиод обладает стабилизирующим свойством. Когда напряжение Uэб достигнет 0,5...0,6В. транзистор VT2 начнет открываться, а напряжение на R4 увеличиваться. Когда и оно достигнет 0,5...0,6В, начнет открываться транзистор VT1, и ток через светодиод будет расти. Это приведет к небольшому увеличению напряжения на светодиоде и, соответственно, увеличению напряжения Uэб транзистора VT2. Этот транзистор откроется ещо больше, а значит, еще больше откроется и транзистор VT1. Иначе говоря, транзисторы открываются как тиристор - лавинообразно, а светодиод при этом ярко вспыхивает.
Конденсатор С1 начнет заряжаться, напряжение на нем увеличивается, а напряжение между базой и эмиттером транзистора VT1 уменьшается, и он будет закрываться. Светодиод начнет гаснуть, напряжение на нем незначительно уменьшится. что приведет к закрыванию транзистора VT2 и уменьшению напряжения на резисторе R4. Оба транзистора закрываются лавинообразно, яркость светодиода резко гадает. После этого конденсатор начнет разряжаться через резистор R2, а транзистор VT2 начнет открываться. Процесс повторится.
Когда напряжение питания станет меньше порогового значения, светодиод начнет периодически вспыхивать. Чем меньше оно, тем чаще вспышки и, наконец, сведение становится практически постоянным.
Для указанных на схеме номиналов деталей напряжение начала вспышек равно 6,6В. а напряжение, ниже которого светодиод включен практически постоянно 5,6В.
Вместо указанных на схеме, в устройстве "индикатор снижения питающего напряжения" можно применить транзисторы серий VT1 - КТ361, КТ208, КТ209; VT2 - КТ315, КТ3102 или их зарубежные аналоги. Светодиод — любой малогабаритный (например АЛ307БМ) с рабочим током несколько миллиампер.
Налаживание индикатора снижения питающего напряжения сводится к установке (подбором резистора R6) напряжения, при котором светодиод начнет вспыхивать. Яркость вспышек светодиода подбирается резистором R3. Частота вспышек светодиода подбором конденсатора С1.
