
Логические оптоэлектронные элементы
Приборы этого типа содержат одну или несколько оптопар, а также согласующие элементы или электронные интегральные схемы, объединенные при помощи гибридной технологии в один корпус. Оптоэлектронные микросхемы обладают более широкими возможностями, чем элементарные оптроны. Их можно разделить на три основные группы.
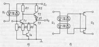
К первой относятся переключательные микросхемы; эта группа наиболее многочисленна. Примером прибора этого типа может служить микросхема серии 249ЛП1 (рис. 2.7, а), в который объединены диодный оптрон и стандартная интегральная схема, имеющая два статических состояния, при одном из которых напряжение на ее выходе равно примерно 0,3 В, а при другом — около 3 В.
Во вторую группу объединены линейные, оптоэлектронные микросхемы, которые способны выполнять аналоговые преобразования сигналов. В качестве примера можно привести микросхему серии К249КН1, линейную по выходной цепи, которая состоит из двух диодных оптронов, работающих в режиме фотоэлементов и выполняющих функции широкополосного (вплоть до передачи постоянного сигнала) трансформатора (рис. 2.7,6).

Примеры оптоэлектронных микросхем
К третьей группе относятся оптоэлектронные микросхемы релейного типа, использующиеся для коммутации силовых цепей в широком диапазоне напряжений и токов. По входным параметрам эти приборы согласованы со стандартными интегральными микросхемами; в качестве примера можно назвать оптоэлектронное реле постоянного тока серии К295КТ1.
Помимо микросхем перечисленных трех групп существуют и более сложные. К ним относятся, например, фоточувствительные приборы с зарядовой связью, многоустойчивые элементы— сканисторы и т.д.
Так же как и элементарные оптроны, оптоэлектронные микросхемы обладают тем недостатком, что их приходится изготовлять по гибридной технологии, объединяя элементы из разных материалов. По мере совершенствования способов получения этих элементов открываются перспективы создания оптоэлектронных микросхем на одном кристалле, а также пленочных. Это должно привести не только к дальнейшей миниатюризации таких приборов, но и к расширению их функциональных возможностей.
Отредактировано dankarela (26.12.2020 18:57:39)