КС133а напряжение стабилизации равно 3,3 В, выпускаются в стеклянном корпусе;
КС147а поддерживает напряжение на уровне 4,7 В, корпус стеклянный;
КС162а– 6,2 В, корпус из керамики;
КС175а – 7,5 В, имеет керамический корпус;
КС433а – 3,3 В, выпускают в металлическом корпусе;
КС515а – 15 В, корпус из металла;
КС524г – в керамическом корпусе с напряжением 24 В;
КС531в – 31 В, керамический корпус;
КС210б – напряжение стабилизации 10 В, корпус из керамики;
Д814а – 7-8,5 В, в металлическом корпусе;
Д818б – 9 В, металлический корпус;
Д817б – 68 В, в корпусе из металла.
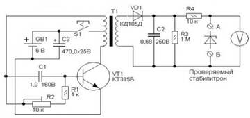
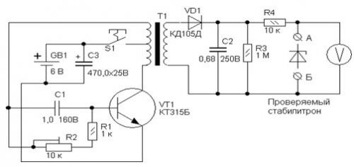
Для проверки стабилитрона с большими напряжениями стабилизации применяется другая схема, которая представлена на рисунке снизу.