Варикап – это одна из разновидностей полупроводниковых диодов. Главным его свойством является барьерная емкость при приложении к ней так называемого обратного напряжения. Минусовой полюс подключается в этом случае к плюсовому выходу самого варикапа. Когда подается управляющее напряжение, допустим низкочастотный сигнал, он приводит изменение в величине того самого обратного тока на обоих электродах варикапа.
Используются эти радиодетали при построении схем модуляторов в роли переменной емкости, которая управляется электрическим путем, а не механическим. В статье будут описаны все тонкости устройства варикапов, где они используются и для чего. Также по данной теме содержится видеоролик и подробная статья.
Что представляет собой варикап
Представленный компонент является полупроводниковым диодом. Его работа основана на применении зависимости между емкостью и обратным напряжением. Важными показателями варикапа считаются добротность, рассеиваемая мощность, общая емкость и коэффициент перекрытия по ней, постоянный обратный ток и напряжение.
При помощи таких элементов производится электронная настройка контуров колебательного типа в радиоприемных устройствах и средствах связи. Для использования их опций в схему обязательно включается обратное напряжение. При его подаче на диод происходит изменение величины емкости барьера. Она может варьироваться в широких пределах, что отличает варикап от компонентов со схожими функциями.
10.02.2020
Преимущества применения варикапов
Эти элементы используются там, где нужно изменять емкость. Чаще всего они встречаются в схемах приборов, принимающих радиосигналы. Сюда относятся телевизионные тюнеры и традиционные радиоприемники. Наиболее ярким примером действия варикапа является опция «автопоиск каналов», давно ставшая обязательной в современных телевизорах. Разрабатываются варикапы на основании диодов, но по сути они являются конденсаторами. Их основными положительными качествами выступают:
низкий уровень потерь электроэнергии;
незначительный коэффициент температурной емкости;
небольшая стоимость;
надежность и продолжительный срок службы.
На практике весьма успешно диоды КВ используются на предельно высоких частотах, в условиях, где емкость конденсатора достигает долей пикофарад. Благодаря им удается избежать изменений частоты колебательного контура, что недопустимо для оборудования. Существует несколько видов варикапов. Таблица с полной справочной информацией по ним представлена ниже:
Таблица основных параметров варикапов.
Помимо обычных компонентов, выпускаются сдвоенные, а также строенные аналоги, которые соединены одним катодом. Найти можно и классические сборки. Это корпуса с несколькими варикапами, отличающиеся отсутствием электрической связи.
Варикап.
Номинальная емкость
Номинальная емкость варикапа представляет его барьерную емкость при заданном напряжении смещения. На основании зависимости барьерной емкости от приложенного к выводам варикапа обратного напряжения строится так называемая вольт-фарадная характеристика варикапа, имеющая участок, форма которого близка к линейной. Для того чтобы варикап работал именно на этом участке характеристики, на его электроды следует подать исходное напряжение смещения, величина которого определяет положение рабочей точки варикапа, то есть его номинальную барьерную емкость.
Что такое варикап?
Под коэффициентом перекрытия по емкости в рабочем интервале напряжений понимается отношение общих емкостей варикапа при двух заданных значениях обратного напряжения. Обычно определение данного коэффициента производится для емкостей в рабочем интервале напряжений, то есть коэффициент перекрытия по емкости представляет собой отношение максимальной и минимальной емкостей варикапа.
Значение максимальной рабочей частоты определяет граничную частоту, при превышении которой основные параметры варикапа перестают соответствовать паспортным данным. Добротность конденсатора, роль которого выполняет варикап, рассчитывается как отношение реактивного сопротивления на заданной частоте к сопротивлению потерь при заданной емкости варикапа или обратном напряжении.
Особого внимания заслуживает температурный коэффициент варикапа, который характеризует зависимость величины его емкости от температуры окружающей среды. Помимо указанных параметров при выборе варикапа для каскада модуляции миниатюрного радиопередатчика следует обратить внимание на такие параметры, как максимальная рассеиваемая мощность, максимально допустимое обратное постоянное напряжение, а также постоянный обратный ток при этом напряжении.
Основные схемы включения варикапа
Одним из основных способов осуществления модуляции в транзисторных микропередатчиках является воздействие модулирующего НЧ-сигнала на параметры селективного элемента ВЧ-генератора. Селективный элемент обычно представляет собой резонансный контур, образованный параллельно включенными катушкой индуктивности и конденсатором.
Изменение параметров входящей в состав контура катушки индуктивности в миниатюрных радиопередатчиках довольно затруднительно, поскольку соответствующие схемотехнические решения весьма сложны, а их реализация трудоемка. В то же время применение варикапа, доступного и дешевого полупроводникового элемента, емкость которого можно изменять, непосредственно подавая на его выводы модулирующее напряжение, значительно упрощает решение задачи. Поэтому схемотехнические решения модуляторов на варикапах, обеспечивающие частотную модуляцию ЧМ-сигнала с весьма приемлемыми параметрами, пользуются особой популярностью.
В транзисторных LC-генераторах варикап в качестве элемента с емкостным характером комплексного сопротивления может быть подключен к резонансному контуру как параллельно, так и последовательно. Упрощенные принципиальные схемы включения варикапа параллельно резонансному контуру (без цепей формирования напряжения смещения варикапа) приведены на рис. 4.1. Отличительной особенностью схемотехнического решения, изображенного на рис. 4.1б, является включение варикапа вместо конденсатора параллельного резонансного контура.
При разработке модулятора на варикапе не следует забывать о том, что для функционирования этого полупроводникового прибора в штатном режиме на его выводы следует подавать напряжение смещения определенной величины. Поэтому в состав модулирующего каскада необходимо включить соответствующую цепь формирования напряжения смещения варикапа. Такая цепь в миниатюрных транзисторных передатчиках обычно выполняется на резисторах.
Помимо обычных компонентов, выпускаются сдвоенные, а также строенные аналоги, которые соединены одним катодом. Найти можно и классические сборки. Это корпуса с несколькими варикапами, отличающиеся отсутствием электрической связи.
Основные схемы включения варикапа
Одним из основных способов осуществления модуляции в транзисторных микропередатчиках является воздействие модулирующего НЧ-сигнала на параметры селективного элемента ВЧ-генератора. Селективный элемент обычно представляет собой резонансный контур, образованный параллельно включенными катушкой индуктивности и конденсатором.
Будет интересно➡ Что такое динистор?
Изменение параметров входящей в состав контура катушки индуктивности в миниатюрных радиопередатчиках довольно затруднительно, поскольку соответствующие схемотехнические решения весьма сложны, а их реализация трудоемка. В то же время применение варикапа, доступного и дешевого полупроводникового элемента, емкость которого можно изменять, непосредственно подавая на его выводы модулирующее напряжение, значительно упрощает решение задачи. Поэтому схемотехнические решения модуляторов на варикапах, обеспечивающие частотную модуляцию ЧМ-сигнала с весьма приемлемыми параметрами, пользуются особой популярностью.
В транзисторных LC-генераторах варикап в качестве элемента с емкостным характером комплексного сопротивления может быть подключен к резонансному контуру как параллельно, так и последовательно. Упрощенные принципиальные схемы включения варикапа параллельно резонансному контуру (без цепей формирования напряжения смещения варикапа) приведены на рис. 4.1. Отличительной особенностью схемотехнического решения, изображенного на рис. 4.1б, является включение варикапа вместо конденсатора параллельного резонансного контура.
При разработке модулятора на варикапе не следует забывать о том, что для функционирования этого полупроводникового прибора в штатном режиме на его выводы следует подавать напряжение смещения определенной величины. Поэтому в состав модулирующего каскада необходимо включить соответствующую цепь формирования напряжения смещения варикапа. Такая цепь в миниатюрных транзисторных передатчиках обычно выполняется на резисторах.
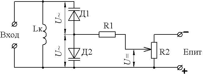
Параллельный колебательный контур образован катушкой индуктивности L1 и емкостью варикапа VD1. Резонансная частота контура может изменяться при изменении величины обратного напряжения на варикапе, которое зависит от положения движка потенциометра R2. Для того чтобы уменьшить шунтирующее влияние потенциометра R2 на добротность контура, в цепь включен резистор R1, имеющий сравнительно большое сопротивление. Также в состав цепи включен разделительный конденсатор С1, без которого варикап VD1 оказался бы замкнут накоротко через катушку L1.
Схема строения варикапа.
Аналогичные схемы включения варикапа используются и в транзисторных трехточечных LC-генераторах. Широкое распространение получили схемотехнические решения, в которых варикап подключается параллельно катушке индуктивности (в индуктивных трехточках), а также параллельно одному из конденсаторов емкостного делителя ВЧ-генератора (в емкостных трехточках). Весьма разнообразны схемотехнические решения модуляторов с применением варикапа, предназначенные для модуляции сигнала генераторов с кварцевой стабилизацией частоты.
Основные схемы включения варикапа
Одним из основных способов осуществления модуляции в транзисторных микропередатчиках является воздействие модулирующего НЧ-сигнала на параметры селективного элемента ВЧ-генератора. Селективный элемент обычно представляет собой резонансный контур, образованный параллельно включенными катушкой индуктивности и конденсатором.
Изменение параметров входящей в состав контура катушки индуктивности в миниатюрных радиопередатчиках довольно затруднительно, поскольку соответствующие схемотехнические решения весьма сложны, а их реализация трудоемка. В то же время применение варикапа, доступного и дешевого полупроводникового элемента, емкость которого можно изменять, непосредственно подавая на его выводы модулирующее напряжение, значительно упрощает решение задачи. Поэтому схемотехнические решения модуляторов на варикапах, обеспечивающие частотную модуляцию ЧМ-сигнала с весьма приемлемыми параметрами, пользуются особой популярностью.
В транзисторных LC-генераторах варикап в качестве элемента с емкостным характером комплексного сопротивления может быть подключен к резонансному контуру как параллельно, так и последовательно. Упрощенные принципиальные схемы включения варикапа параллельно резонансному контуру (без цепей формирования напряжения смещения варикапа) приведены на рис. 4.1. Отличительной особенностью схемотехнического решения, изображенного на рис. 4.1б, является включение варикапа вместо конденсатора параллельного резонансного контура.
При разработке модулятора на варикапе не следует забывать о том, что для функционирования этого полупроводникового прибора в штатном режиме на его выводы следует подавать напряжение смещения определенной величины. Поэтому в состав модулирующего каскада необходимо включить соответствующую цепь формирования напряжения смещения варикапа. Такая цепь в миниатюрных транзисторных передатчиках обычно выполняется на резисторах.
Параллельный колебательный контур образован катушкой индуктивности L1 и емкостью варикапа VD1. Резонансная частота контура может изменяться при изменении величины обратного напряжения на варикапе, которое зависит от положения движка потенциометра R2. Для того чтобы уменьшить шунтирующее влияние потенциометра R2 на добротность контура, в цепь включен резистор R1, имеющий сравнительно большое сопротивление. Также в состав цепи включен разделительный конденсатор С1, без которого варикап VD1 оказался бы замкнут накоротко через катушку L1.
Схема строения варикапа.
Аналогичные схемы включения варикапа используются и в транзисторных трехточечных LC-генераторах. Широкое распространение получили схемотехнические решения, в которых варикап подключается параллельно катушке индуктивности (в индуктивных трехточках), а также параллельно одному из конденсаторов емкостного делителя ВЧ-генератора (в емкостных трехточках). Весьма разнообразны схемотехнические решения модуляторов с применением варикапа, предназначенные для модуляции сигнала генераторов с кварцевой стабилизацией частоты.
При создании таких конструкций приходится, с одной стороны, добиваться высокой стабильности частоты генератора с помощью кварцевого резонатора, а с другой – обеспечивать возможность изменения этой частоты по закону модулирующего сигнала. Обычно при разработке транзисторных микропередатчиков для ВЧ-генератора с кварцевой стабилизацией частоты выбираются осцилляторные схемы, в которых кварцевый резонатор используется в качестве элемента с индуктивным характером комплексного сопротивления в резонансном контуре. В этом случае варикап, как элемент с изменяемой по закону модуляции емкостью, может быть подключен как последовательно, так и параллельно кварцевому резонатору.
Управляемые напряжением полупроводниковые конденсаторы переменной емкости – варикапы – приборы с сильно выраженной нелинейностью. По этой причине в цепях, где к варикапу приложено переменное напряжение относительно большой амплитуды, он способен преподнести сюрприз. По сути, варикап – это обратносмещенный полупроводниковый диод. Прямая ветвь его вольт-амперной характеристики, принципиальная для основного назначения диода (выпрямление, детектирование), для варикапа несущественна. В общем случае в качестве варикапа можно использовать (и на практике это нередко реализуют) диод и даже коллекторный или змиттерный переход биполярного транзистора.
В отличие от полупроводниковых диодов, у варикапов нормируют (и, разумеется, обеспечивают при производстве) емкость р-n перехода при определенном напряжении смещения на нем и добротность. Заметим, что добиться добротности варикапа, заметно превышающей добротность контурной катушки, непросто. Это объясняется тем, что в варикапе, как и в любом диоде, последовательно с р-n переходом всегда включено сопротивление базовой области полупроводника, а параллельно – эквивалентное сопротивление, обусловленное обратным током через переход. Относительно низкая добротность варикапа подразумевает, в частности, необходимость учитывать ее при расчете добротности колебательного контура
Зависимость емкости р-n перехода от приложенного к нему обратного напряжения имеет степенной характер вида С-U-n, где значение параметра n может находиться в пределах от 0,33 до 0,5 (определяется технологией изготовления перехода). На рис. 1 показана типовая вольт-фарадная характеристика варикапа Д902, построенная в линейных координатах. Подобные характеристики можно найти в справочной литературе. Они позволяют определить емкость варикапа при различных значениях напряжения смещения.
Однако предпочтительнее иметь дело с вольт-фарадной характеристикой варикапа, построенной в “двойном” (т. е. по обеим осям) логарифмическом масштабе. Известно, что степенная функция выглядит в таком масштабе как прямая линия, причем тангенс угла ее наклона к оси ординат численно равен показателю степени функции. На рис. 2 показан этот график для варикапа Д902. Измерив обычной линейкой стороны прямоугольного треугольника ABC, получаем для модуля показателя степени значение 0,5 (АВ/ВС). Падающий характер характеристики говорит о том, что этот показатель имеет минусовой знак. Таким образом, зависимость емкости варикапа Д902 от приложенного напряжения имеет вид С = U-0.5.
Сказанное выше относится к “классическим” варикапам. Для увеличения эффективности управления современными варикапами при их изготовлении принимают специальные технологические меры, поэтому и вольт-фарадные характеристики могут иметь уже не столь простой вид. Поскольку вольт-фарадная характеристика варикапа нелинейна, его использование в аппаратуре неизбежно приводит к появлению искажений. Немецкий радиолюбитель Ульрих Граф (DK4SX) провел измерения интермодуляционных искажений второго и третьего порядков в различных полосовых фильтрах, содержащих полупроводниковые диоды (Ulrich Graf. Intermodulation an passiven Schaltungsteilen. – CQ DL, 1996, № 3, s. 200-205). Он подавал на вход фильтра (входное сопротивление 50 Ом) два сигнала с уровнем +3 дБ (10 мВ на сопротивлении 50 Ом) и анализировал спектр выходного сигнала. Значения частоты входных сигналов Граф выбирал так, чтобы продукты интермодуляции попадали в полосу пропускания фильтра.
В одном из экспериментов в двуконтурном входном полосовом фильтре постоянные конденсаторы, входящие в колебательные контуры, были заменены варикапами. Интермодуляционные составляющие второго порядка на выходе фильтра при этом возросли по уровню на 10 дБ, а третьего – почти на 50 дБ! Иными словами, варикапы во входных цепях приемников способны ухудшить их реальную избирательность, хотя, скорее всего, они так “сработают” лишь в аппаратуре относительно высокого класса (связная техника). Впрочем, и в приемнике среднего класса интермодуляция на входном варикапе может стать существенной, если приемник эксплуатируют вблизи передающих устройств.
Есть, однако, узлы, в которых к варикапу принципиально должно быть подведено относительно большое переменное напряжение – речь идет о генераторах. Как же определить границу зоны нормальной работы варикапа в генераторе? Можно, например, измерять переменное напряжение на варикапе и сравнивать его с управляющим.
Для этого необходим ВЧ вольтметр с высоким входным сопротивлением и малой входной емкостью (чтобы его подключение не изменяло режима работы генератора). Минимально допустимое управляющее напряжение на варикапе можно определить, не нарушая режима работы генератора, и с помощью частотомера. Его подключают к выходу генератора и снимают зависимость крутизны управления генератором от управляющего напряжения.
Крутизна управления – зто отношение изменения частоты генератора к вызвавшему его заданному изменению управляющего напряжения – ΔF/ΔU. При полном включении варикапа в контур крутизна может, например, быть описана степенной функцией (по крайней мере, для Д902), показатель которой зависит от вида вольт-фарадной характеристики варикапа. Вспомним (см. выше), что такая функция, если ее построить в “двойном” логарифмическом масштабе, представляет собой прямую линию.
Что такое варикап?
Если варикап начнет выходить из нормального режима работы, характер зависимости крутизны от управляющего напряжения изменится. Это справедливо и в более общем случае, когда варикап включен в контур не полностью или его вольт-фарадная характеристика – не степенная функция.
Поскольку вольт-фарадная характеристика нелинейна, измерения следует вести в определенной последовательности. Установив некоторое управляющее напряжение Uynp, определяют частоту генератора Fr. Затем сначала уменьшают зто напряжение до Uyпр – ΔUynp, а потом увеличивают до Uynp + ΔUynp и считывают по табло частотомера соответствующие значения частоты Fr1 и Fr2.

График напряжения варикапа.
Крутизну управления при управляющем напряжении Uyпр рассчитывают по формуле ΔF/ΔU = (Fr2-Fr1)/2ΔUynp. Абсолютное значение изменения напряжения ΔUyпp должно быть минимальным, но таким, при котором можно надежно фиксировать изменение частоты генератора. Затем устанавливают другое значение управляющего напряжения Uупр и повторяют измерения. Такая методика уменьшает влияние нелинейности вольт-фарадной характеристики варикапа на точность измерения крутизны управления. Результаты измерений крутизны управления частотой генератора с полным включением варикапа в контур (см. рис. 3) представлены на рис. 5. Видно, что при управляющем напряжении на варикапе ниже 3,5 В он выходит из нормального режима. Иначе говоря, для указанного генератора это напряжение и будет критическим.
При дальнейшем уменьшении управляющего напряжения наклон кривой может вообще изменить свой знак! Происходит это из-за уже упоминавшегося выпрямления высокочастотного напряжения, приложенного к варикапу. Выпрямленное напряжение вычитается из управляющего и начинает преобладать над ним. Если описанная ситуация произойдет, например, с гетеродином вашего приемника, будет чему удивляться. Представьте себе – при вращении в одну и ту же сторону ручки переменного резистора “Настройка” частота приема сначала изменяется в одном направлении, затем практически перестает изменяться, а потом может пойти обратно.
Сфера использования
В настоящее время в транзисторных микропередатчиках и радиомикрофонах широкое распространение получили схемотехнические решения модуляторов, в которых в процессе модуляции в соответствии с мгновенным значением уровня модулирующего сигнала изменяются параметры и режимы работы активного элемента ВЧ-генератора, то есть биполярного или полевого транзистора.
Отдельную группу составляют схемы модуляторов с использованием варикапов, изменение емкости которых по закону модулирующего сигнала приводит к соответствующему изменению параметров селективного элемента, то есть резонансного контура. В связи с ограниченным объемом данной книги в следующих разделах будут рассмотрены лишь некоторые из наиболее популярных схемотехнических решений модуляторов ВЧ-сигнала LC-генераторов, применяемые при разработке миниатюрных транзисторных радиопередающих устройств.
Заключение
В данной статье описаны все особенности строения и использования варикапа. Более подробно об этом можно узнать в статье Что такое варикап. В нашей группе ВК можно задавать вопросы и получать на них подробные ответы от профессиональных электронщиков. Чтобы подписаться на группу, вам необходимо будет перейти по следующей ссылке: https://vk.com/electroinfonet. В завершение статьи хочу выразить благодарность источникам, откуда мы черпали информацию:
wwwdiagram.com.ua
wwwarsenal-info.ru
wwwnvkurs.ru
Отредактировано somoveu (19.12.2021 15:36:57)