Схема эта, несмотря на свою видимую сложность, совсем проста в повторении, поскольку собрана на цифровых микросхемах и при отсутствии ошибок в монтаже и использовании заведомо исправных деталей практически не требует настройки. Тем не менее, возможности устройства достаточно велики:
диапазон измерения – 0,01 — 10000 мкФ;
4 поддиапазона – 10, 100, 1000, 10 000 мкФ;
выбор поддиапазона – автоматический;
индикация результата – цифровая, 4 разряда с плавающей десятичной точкой;
погрешность измерения – единица младшего разряда;
Рассмотрим схему прибора:

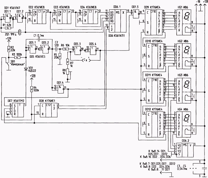
На микросхеме DD1, точнее на двух его элементах, собран кварцевый генератор, работа которого пояснений не требует. Дальше тактовая частота поступает на делитель, собранный на микросхемах DD2 – DD4. Сигналы с него с частотами 1 000, 100, 10 и 1 кГц поступают на мультиплексор DD6.1, который использован в качестве узла автоматического выбора поддиапазона.
Основной узел измерения – одновибратор, собранный на элементах DD5.3, DD5.4, длительность импульса которого напрямую зависит от подключенного к нему конденсатора. Принцип измерения емкости – подсчет количества импульсов за время работы одновибратора. На элементах DD5.1, DD5.2 собран узел, предотвращающий дребезг контактов кнопки «Старт измерения». Ну и последняя часть схемы — четырехразрядная линейка двоично-десятичных счетчиков DD9 — DD12 с выводом на четыре семисегментных индикатора.
Рассмотрим алгоритм работы измерителя. При нажатии на кнопку SB1 двоичный счетчик DD8 обнуляется и переключает узел диапазона (мультиплексор DD6.1) на самый нижний диапазон измерения – 0.010 – 10.00 мкФ. При этом на один из входов электронного ключа DD1.3 поступают импульсы частотой 1 МГц. На второй вход этого же ключа проходит разрешающий сигнал с одновибратора, длительность которого прямо пропорциональна подключенной к нему емкости измеряемого конденсатора.
Таким образом на счетную декаду DD9…DD12 начинают поступать импульсы с частотой 1 МГЦ. Если происходит переполнение декады, то сигнал переноса с DD12 увеличивает показания счетчика DD8 на единицу и разрешает запись нуля в триггер DD7 по входу D. Этот нуль включает формирователь DD5.1, DD5.2 а он в свою очередь сбрасывает счетную декаду, снова устанавливает DD7 в «1» и перезапускает одновибратор. Процесс повторяется, но на счетную декаду через коммутатор теперь поступает частота 100 кГц (включился второй диапазон).
Если до завершения импульса с одновибратора счетная декада снова переполнилась, то опять происходит смена диапазона. Если одновибратор отключился раньше, то счет останавливается и на индикаторе можно прочитать значение подключенной для измерения емкости. Последний штрих – блок управления десятичной точкой, которая и указывает текущий поддиапазон измерения. Его функции выполняет вторая часть мультиплексора DD6, которая засвечивает нужную точку в зависимости от включенного поддиапазона.
В качестве индикаторов в схеме используются вакуумные люминесцентные индикаторы ИВ6, поэтому блок питания измерителя должен выдавать два напряжения: 1 В для накала и +12 В для анодного питания ламп и микросхем. Если индикаторы заменить ЖКИ, то можно обойтись одним источником +9В, применение же светодиодных матриц невозможно из-за малой нагрузочной способности микросхем DD9…DD12.
В качестве калибровочного резистора R8 лучше применить многооборотный, поскольку именно от точности калибровки будет зависеть величина погрешности измерения прибора. Остальные резисторы могут быть МЛТ-0.125. По поводу микросхем — в приборе можно использовать любую из серий К1561, К564, К561, К176, но следует иметь в виду, что 176 серия очень неохотно работает с кварцевым резонатором (DD1).
Настройка прибора достаточно проста, но выполнить ее следует с особой тщательностью.
Временно отключить кнопку SB1 от DD8 (вывод 13).
В точку соединения R3 с R2 подать прямоугольные импульсы частотой примерно 50-100 Гц (подойдет любой самый простой генератор на логической микросхеме).
На место измеряемого конденсатора подключить образцовый, емкость которого известна и лежит в диапазоне 0.5 – 4 мкФ (к примеру, К71-5В 1 мкф±1%). Если есть возможность, то емкость лучше измерить с помощью измерительного моста, но можно понадеяться и на емкость, указанную на корпусе. Здесь нужно иметь в виду, что как точно вы откалибруете прибор, так он вам и будет в будущем измерять.
С помощью подстроечного резистора R8 выставить показания индикаторов как можно точнее по соответствию с емкостью эталонного конденсатора. После калибровки подстроечный резистор лучше законтрить каплей лака или краски.
По материалам «Радиолюбитель» №5, 2001г.