

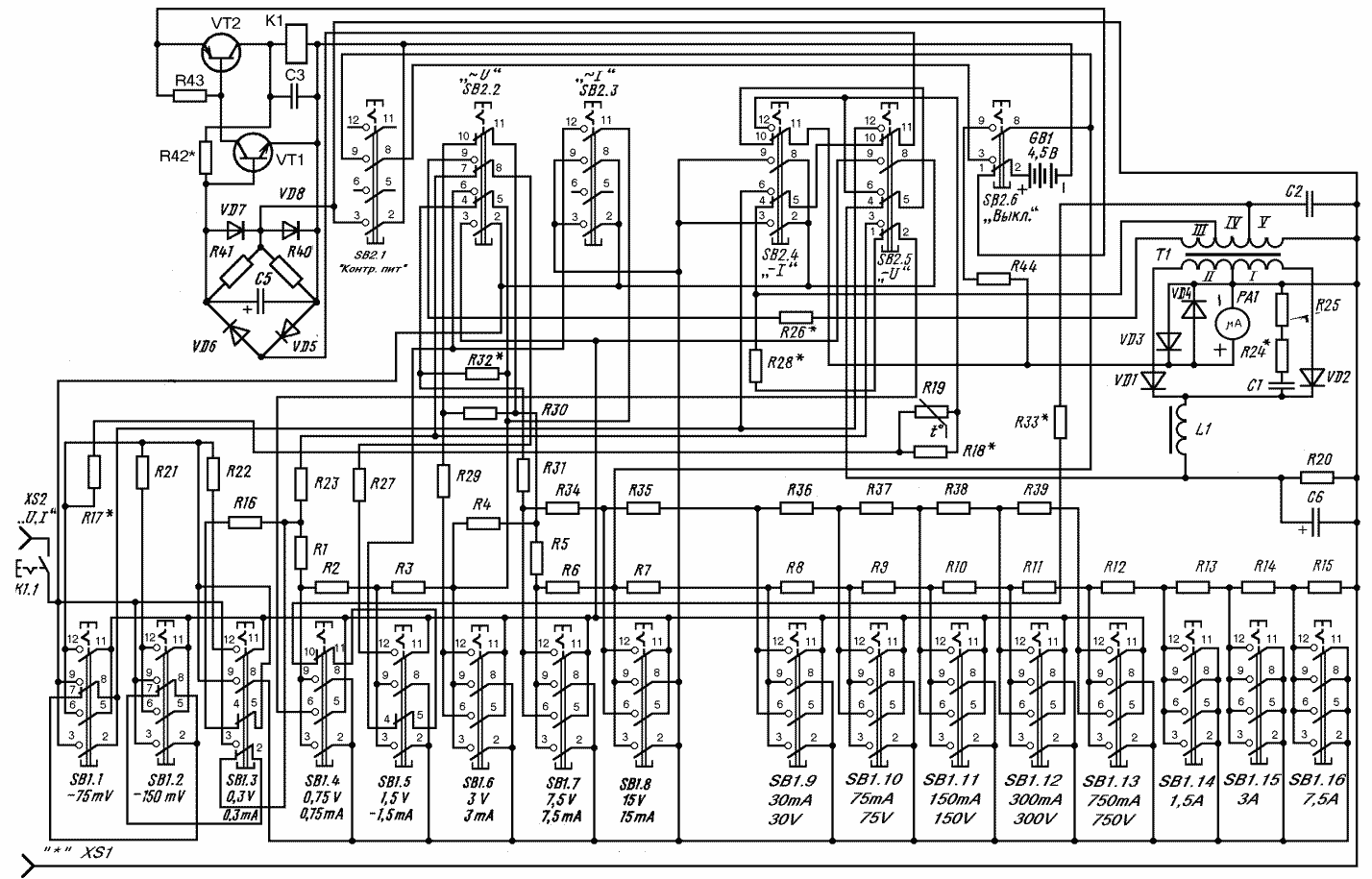
С4311 Прибор измерительный
Страница: 1
Сообщений 1 страница 1 из 1
Страница: 1
МЕХЗАВОД|Ремонт бытовой техники и электроники cвоими руками |
Привет, Гость! Войдите или зарегистрируйтесь.
Вы здесь » МЕХЗАВОД|Ремонт бытовой техники и электроники cвоими руками » Приборы радиолюбителя » С4311 Прибор измерительный
Вы здесь » МЕХЗАВОД|Ремонт бытовой техники и электроники cвоими руками » Приборы радиолюбителя » С4311 Прибор измерительный