

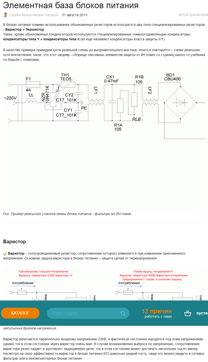
Элементная база
Страница: 1
Страница: 1
МЕХЗАВОД|Ремонт бытовой техники и электроники cвоими руками |
Привет, Гость! Войдите или зарегистрируйтесь.
Вы здесь » МЕХЗАВОД|Ремонт бытовой техники и электроники cвоими руками » Компьютерная помощь уроки • советы • инструкции » Элементная база
Вы здесь » МЕХЗАВОД|Ремонт бытовой техники и электроники cвоими руками » Компьютерная помощь уроки • советы • инструкции » Элементная база