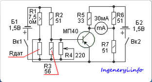
Прибор предназначен для исследования дыхания человека. Датчиком прибора ( Rдат ) служит слабо накаливаемая нить лампочки от карманного фонаря, у которой баллон удален, помещенная в стеклянную трубку диаметром 12 и длиной 150 мм. Трубка датчика располагается возле носа человека так, чтобы через нее проходил поток вдыхаемого и выдыхаемого воздуха. При этом степень накала и, следовательно, сопротивление нити датчика и напряжение на входе моста, в который включен датчик, изменяются. Возникающий электрический сигнал, усиленный транзистором, в такт с дыханием колеблет стрелку миллиамперметра.
Источник: Радио 11, 1967
Прибор для исследования дыхания
Страница: 1
Сообщений 1 страница 1 из 1
Поделиться107.02.2025 15:38:41
Страница: 1