Сварочные источники семейства COLT
Назначение инверторного сварочного источника COLT-1300
В данном разделе приводится описание популярного инверторного сварочного источника COLT-1300, производимого итальянской фирмой CEMONT. Данный источник, благодаря сравнительно не высокой стоимости и хорошему качеству, наряду с источниками COLT и PUMA-150, производимыми фирмой CEMONT, достаточно сильно распространен в СНГ.
Возможно, данное описание окажется полезным для тех, кто занимается ремонтом и эксплуатацией сварочных источников. Источники COLT-1300, COLT и PUMA 150 предназначены для ручной сварки (технология MMA) и имеют похожее схемное и компоновочное решение. Поэтому достаточно рассмотреть один из них — COLT 1300, чтобы читатель получил достаточно полное представление об устройстве других.
Источники COLT-1300, COLT и PUMA-150 рассчитаны на работу от однофазной сети переменного тока напряжением 230±10% В и частотой 50–60 Гц. Источники имеют одинаковые габариты 110´200´300 мм и различаются мощностью и массой. Более мощные источники COLT-1300 и PUMA-150 имеют массу 3,8 кг, потребляют от сети мощность до 3,8 кВт и позволяют производить сварку электродами диаметром 1,6–3,25 мм.
При этом PUMA-150 обеспечивает максимальный сварочный ток 130 А, при ПВ25%, а COLT 1300 125 А, при ПВ15%. Менее мощный источник COLT имеет массу 2,9 кг, потребляют от сети мощность до 2,1 кВт и позволяют производить сварку электродами диаметром 2,5 мм. При этом COLT обеспечивает максимальный сварочный ток 75 А, при ПВ 30%.
Силовая часть
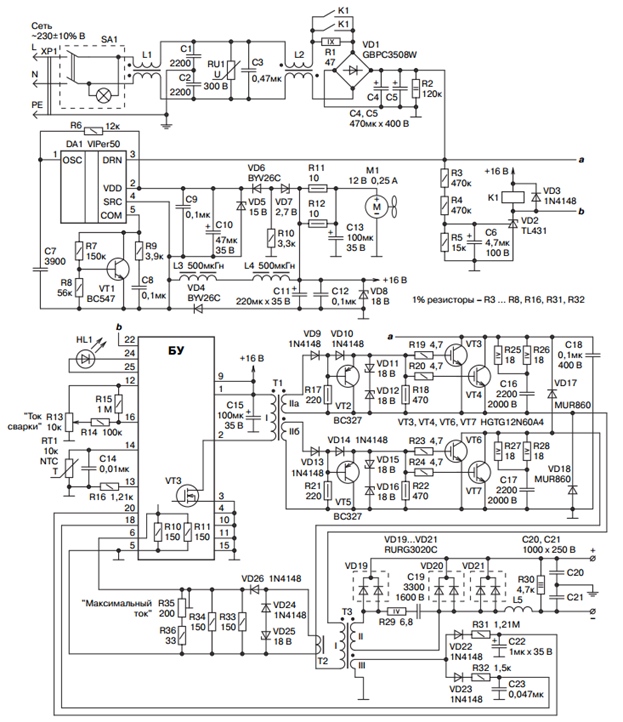
На рис. 27 изображена принципиальная электрическая схема силовой части инверторного сварочного источника COLT-1300.
Источник подключается к сети переменного тока при помощи гибкого шнура и «евровилки» XP1. Напряжение сети переменного тока через замкнутый выключатель SA1, фильтры радиопомех L1C1C2, C3L2 и зарядный резистор R1 подается на мостовой выпрямитель VD1.
Фильтр радиопомех обеспечивает подавление синфазной и противофазной помехи.
Примечание. Для эффективной работы фильтра требуется заземление металлического корпуса источника (заземляется через специальный штырь вилки XP1).
Варистор RU1 защищает источник от кратковременных перенапряжений сети. К выходу выпрямителя VD1 подключен емкостный фильтр С4С5, который служит для сглаживания пульсаций выпрямленного напряжения.
При включении источника заряд конденсаторов фильтра осуществляется через специальный зарядный резистор R1. Это исключает перегрузку сети и диодов мостового выпрямителя VD1 зарядным током конденсаторов фильтра. После истечения интервала времени, достаточного для зарядки конденсаторов фильтра, зарядный резистор шунтируется контактами реле К1.
Для формирования зарядного интервала времени используется электронное реле времени, собранное на элементах R3R4R5C6VD2, которое подает питание на обмотку реле К1, с задержкой времени около 0,15 с. Одновременно электронное реле времени формирует сигнал «готов» низкого уровня, который подается на вывод 22 блока управления (БУ).
Рис. 27. Принципиальная электрическая схема инверторного сварочного источника COLT-1300 (силовая часть)
Получив сигнал готовности, БУ начинает формировать отпирающие импульсы напряжения, которые, через трансформатор гальванической развязки Т1, поступают на входы драйверов, управляющих транзисторами инвертора.
Драйверы транзисторов R17R18VD9—VD12VT2 и R21R22VD13— VD16VT5 выполнены по аналогичным схемам. Поэтому достаточно рассмотреть работу только одного драйвера, например, верхнего.
При открытии транзистора VT3 (в блоке управления) к первичной обмотке I трансформатора T1 прикладывается напряжение, которое трансформируется во вторичные обмотки IIа и IIб трансформатора в полярности отпирающей IGBT (плюс на затвор). В этом случае отпирающее положительное напряжение через открытые диоды VD9VD10 (VD13VD14) и резисторы R19R20 (R23R24) поступает на затворы транзисторов VT3VT4 (VT6VT7).
Резисторы R19R20R23R24 подавляют паразитный колебательный процесс в цепи затворов транзисторов инвертора. Нагрузочные резисторы R17R21 демпферируют трансформатор Т1, подавляя колебательный процесс в контуре, образованном его внутренними паразитными индуктивностями и емкостями.
Стабилитроны VD11VD12 (VD15VD16) ограничивают управляющее напряжение транзисторов инвертора на безопасном уровне. При положительном напряжении управления транзистор VT2 (VT5) закрыт, а его переход база-эмиттер шунтирован открытым диодом VD10 (VD14).
При закрытии транзистора VT3 (в блоке управления) полярность напряжения на вторичных обмотках Т1 меняется на противоположную, диоды VD9VD10 (VD13VD14) запираются, а к транзистору VT2 (VT5) прикладывается напряжение заряженной входной емкости затворэмиттер транзисторов VT3VT4 (VT6VT7) в отпирающей полярности. Транзистор VT2 (VT5) открывается, входная емкость транзисторов инвертора быстро разряжается, и они запираются.
Инвертор сварочного источника выполнен по уже хорошо знакомой нам схеме ДПП («косой мост») и служит для преобразования постоянного питающего напряжения в переменное выходное напряжение частотой 60 кГц.
Каждый транзистор инвертора состоит из двух IGBT VT3VT4 и VT6VT7, включенных параллельно. Однотактный прямоходовый преобразователь хорошо подходит для работы на такую динамичную нагрузку, как сварочная дуга, что и определило его широкую распространенность в простых маломощных сварочных источниках. Рассмотренный в предыдущем разделе сварочный источник RytmArc, также построен на базе однотактного прямоходового преобразователя.
Все транзисторы инвертора открываются одновременно (каждая пара своим драйвером). При этом энергия первичного источника питания (через трансформатор Т3) передается в выходную сварочную цепь. При этом сердечник трансформатора Т3 перемагничивается в прямом направлении.
После закрытия транзисторов инвертора энергия, накопленная в индуктивности рассеяния и намагничивания трансформатора Т3, через диоды VD17VD18 возвращается в первичный источник (в конденсаторы С4С5). Блокирующий конденсатор С18 находится непосредственно возле инвертора и компенсирует индуктивность соединительных проводов между инвертором и конденсаторами фильтра.
Для контроля выходного тока инверторного источника служит трансформатор тока Т2, который включен последовательно с первичной обмоткой трансформатора Т3. Роль первичной обмотки трансформатора тока выполняет виток провода идущего от инвертора к трансформатору Т3.
В цикле прямого хода инвертора ток во вторичной обмотке Т2 протекает через диод VD26 и шунт R33—R35 (плюс резисторы R10R11 в блоке управления). С помощью подстроечного резистора R35 устанавливают необходимое сопротивление шунта. Сигнал с шунта поступает в блок управления (вывод 6). Там он используется:
- для формирования крутопадающей нагрузочной вольтамперной характеристики (ВАХ) инверторного сварочного источника, необходимой для технологии MMA;
- для защиты инвертора от токовых перегрузок.
В цикле обратного хода инвертора на вторичной обмотке Т2 формируется напряжение запирающей для VD26 и отпирающей для VD24 полярности. Диод VD24 отпирается, и ток размагничивания сердечника трансформатора Т2 протекает через стабилитрон VD25. Напряжение стабилизации VD25 имеет величину гарантирующую размагничивание сердечника трансформатора тока Т2 за время обратного хода инвертора.
С вторичной обмотки трансформатора Т3 переменное напряжение поступает на вход однополупериодного выпрямителя VD19, после которого превращается в импульсное однополярное.
Цепочка R29C19 подавляет паразитные высокочастотные колебания на вторичной обмотке трансформатора Т3. Выпрямленный ток сглаживается дросселем L5. В паузах между импульсами с выхода выпрямителя VD19 выходной ток источника замыкается через диоды VD20VD21.
Резистор R30 является нагрузкой холостого хода источника, а конденсаторы C20C21, совместно с дросселем L5, образуют низкочастотный фильтр, который подавляет высокочастотные помехи, проникающие на выход сварочного источника.
С дополнительной обмотки III трансформатора Т3 снимается сигнал необходимый для реализации функций Anti-Stick и Arc Force.
Функция Anti-Stick (Защита от залипания электрода) обеспечивает уменьшение тока источника, при коротком замыкании, если оно длится более 0,8 с.
Функция Arc Force (Форсирование дуги), в случае короткой дуги или короткого замыкания, увеличивает сварочный ток относительно выбранного значения. Эта функция улучшает начальное зажигание и стабильность горения дуги.
Питание блока управления источника осуществляется постоянным стабилизированным напряжением +16 В.
Оно формируется из выпрямленного напряжения питающего инвертор источника с помощью понижающего DC-DC преобразователя, построенного на основе ШИМ контроллера VIPer50.
Узел VT1R7R8 является своеобразным аналогом низковольтного стабилитрона, имеющего напряжение стабилизации 2,5 В. Использование этого стабилитрона позволяет снизить максимальный ток ключевого транзистора контроллера VIPer до 1 А.
Контроллер VIPer поддерживает стабильное напряжение 13 В между выводами 4 (SRC) и 2 (VDD). Для получения необходимого напряжения
+16 В используется узел VD6, VD7, R10.
Фильтр L3L4C11C12 сглаживает пульсацию на выходе источника
+16 В. Через диод VD4 замыкается ток фильтра в паузах между импульсами напряжения. Стабилитрон VD5 защищает от перенапряжения цепи питания контроллера VIPer, а стабилитрон VD8 цепи питания блока управления инверторного сварочного источника.
Для охлаждения тепловыделяющих поверхностей сварочного источника используется вентилятор M1, который работает непрерывно. Резисторы R11R12 позволяют снизить напряжение на двигателе вентилятора до допустимого значения.
Температура ключевых транзисторов инвертора контролируется с помощью терморезистора RT1, имеющего отрицательный температурный коэффициент.
Ток сварки устанавливается при помощи переменного резистора R13.
Данные моточных узлов
Дроссель L1 намотан сетевым проводом на ферритовый сердечник размером К32´18´12 и содержит 4 витка.
Дроссель L2 содержит две обмотки по 8 витков, намотанных круглым медным проводом в эмалевой изоляции d2 мм на ферритовый сердечник К32´18´12.
Дроссели L3, L4 имеют индуктивность по 500 мкГн и рассчитаны на максимальный ток 1 А.
Дроссель L5 (рис. 28) содержит 27 витков круглого медного провода в эмалевой изоляции Æ4 мм, намотанного в два слоя. Дроссель не имеет сердечника. Габаритные размеры дросселя указаны на рис. 30.
Рис. 28. Внешний вид дросселя L5
Трансформатор Т3 намотан на Ш-образном сердечник E55/28/25 из феррита N97. Обмотка I намотана проводом d2 мм и имеет 17 витков. Обмотка II намотана в два провода Æ2,5 мм и имеет 6 витков.
Обмотка III имеет 2 витка провода d1 мм (сечение провода выбрано из соображений механи ческой прочности). Для фиксации немагнитного зазора, в стыки половинок сердечника необходимо вставить прокладки из немагнитного и непроводящего материала толщиной 0,05–0,075 мм.
Необычностью трансформатора Т3 является то, что он при достаточно высокой рабочей частоте намотан одиночным медным проводом большого диаметра. Но, не смотря на всю необычность, данное решение, в конкретном случае, видимо имеет определенные преимущества.
Во-первых, трансформатор получается более технологичным, а, во-вторых, намотав обмотки трансформатора литцендратом, который обеспечивает худшее, по сравнению с цельным проводом, заполнение, мы не получили бы существенного выигрыша в сечении обмоток. На максимальном токе, плотность тока в обмотках трансформатора достигает 14–15 А/мм2, из-за чего ПВ источника составляет всего 15%.
В источнике использованы готовые трансформатор гальванической развязки Т1, типа TI-116626, и трансформатор тока Т2, типа ТА314200 (1:200), производства фирмы UTK component. В случае самостоятельного изготовления можно рекомендовать следующие данные.
Трансформатор Т1 можно намотать на кольце К20´10´5 из феррита 2000НМ1. Первичная обмотка содержит 50 витков провода ПЭВ-2 d0,2 мм, вторичные обмотки содержат по 40 витков провода ПЭВ-2 d0,16 мм.
С помощью лакоткани нужно гарантировано изолировать обмотки друг от друга. Надежность межобмоточной изоляции готового трансформатора желательно проверить мегомметром на напряжение 1000 В.
Трансформатор тока Т2 также можно намотать на кольце К20´10´5 из феррита 2000НМ1. Вторичная обмотка имеет 200 витков провода ПЭВ-2 Æ0,25 мм.
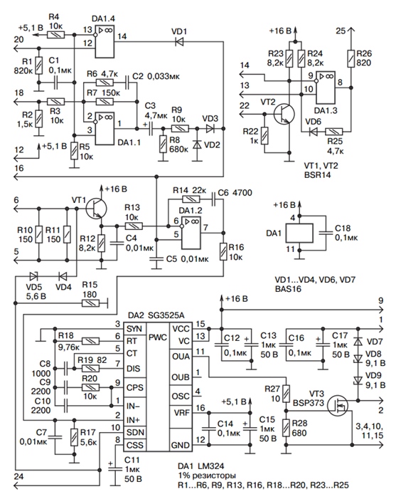
Блок управления
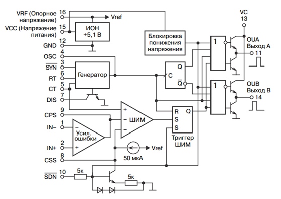
Блок управления источника COLT-1300 построен на основе ШИМ контроллера SG3525A. ШИМ контроллер SG3525 (далее по тексту просто контроллер), функциональная блок-схема которого изображена на рис. 29, содержит все узлы, необходимые для постройки импульсных источников питания всех типов. Применено минимальное количество навесных компонентов. Контролер содержит внутренний источник опорного напряжения +5,1±1% В и усилитель ошибки.
Рис. 29. Функциональная блок-схема ШИМ контроллера SG3525A
Наличие входа синхронизации позволяет синхронизировать несколько ведомых контроллеров тактовым сигналом, который формирует один ведущий контроллер. Одним резистором, подключенным между выводами CT и DIS, можно программировать широкий диапазон «мертвого времени», когда не активны оба выхода контроллера.
Контроллер позволяет формировать функцию «мягкого старта», для реализации которой требуется только один внешний конденсатор, подключаемый к входу CSS (конденсатор CSS). Подача положительного напряжение на вывод выключения SDN позволяет выполнять две функции:
l во-первых, сбросив триггер ШИМ, блокировать ШИМ сигнал и быстро перевести выходы контроллера в неактивное состояние;
l во-вторых, начать разрядку внешнего CSS конденсатора.
Если команда выключения короткая, ШИМ сигнал завершится без значительной разрядки CSS конденсатора. В этом случае можно достаточно удобно реализовать поцикловое ограничение тока.
Если команда выключения имеет длительность, достаточную для разрядки CSS конденсатора, то следующее включение ШИМ контроллера произойдет с замедлением, в режиме «мягкого старта».
Примечание. Вывод SDN не должен оставаться не подключенным, т. к. это может привести к случайным отключениям, что нарушит нормальную работу ШИМ контроллера.
Узел блокировки от понижения напряжения питания контроллера производит аналогичные с выводом SDN действия (при снижении напряжения питания контроллера ниже допустимого). В неактивном состоянии на выходах контроллера OUA и OUB присутствуют низкие уровни напряжения. В табл. 8 расписана нумерация выводов контроллера SG3525A.
Через выводы 6-5 БУ напряжение, пропорциональное выходному току сварочного источника COLT-1300, поступает на вход пикового детектора, который состоит из элементов VT1R12C4. Постоянная времени цепочки R12C4 гораздо больше периода следования импульсов тока. Это гарантирует относительную неизменность сигнала на выходе пикового детектора в течение периода работы инвертора.
Напряжение с выхода пикового детектора поступает на суммирующий усилитель, собранный на элементах DA1.2R14C6. Там оно сравнивается с напряжением, снимаемым с движка переменного резистора R13 «Ток сварки», которое поступает в БУ через вывод 16. Управляющее напряжение с выхода суммирующего усилителя (через корректирующую цепочку R16R17C7) поступает на вход IN+ ШИМ контроллера DA2.
Усилитель ошибки ШИМ контроллера замкнут единичной обратной связью, а к его выходу подключена корректирующая цепочка R20C9C10. Частота ШИМ сигнала определяется частотозадающими элементами R18R19C8. Резистор R18 задает время зарядки конденсатора С8 (8 мкс), а резистор R19 задает время разрядки конденсатора С8 (0,8 мкс). В результате частота ШИМ сигнала составляет около 57 кГц.
С выхода OUT контроллера DA2 ШИМ сигнал через цепочку R27R28 поступает на затвор транзистора VT3 формирователя импульсов. Нагрузкой формирователя импульсов является первичная обмотка трансформатора Т1 (рис. 27). Цепочка VD17VD8VD9 обеспечивает размагничивание трансформатора Т1.
Порог срабатывания защиты транзисторов инвертора от максимального тока (около 65 А) определяется напряжением пробоя последовательной цепочки VD4VD5. В случае превышения максимального тока напряжение с шунта R10R11 (через цепочку VD4VD5) поступает на вход выключения SDN ШИМ контроллера. В результате выхода ШИМ контроллера переводятся в неактивное состояние и ключевые транзисторы инвертора закрываются. Многократная перегрузка транзисторов может привести к разрядке конденсатора «мягкого старта» С11 и более длительной паузе в работе ШИМ контроллера, с последующим «мягким стартом».
Защита от перегрева ключевых транзисторов инвертора осуществляется при помощи терморезистора RT1 (рис. 27), установленного на охладителе ключевых транзисторов. Резисторы R23R24 (рис. 30) вместе с резисторами RT1R16 (рис. 27) образуют измерительный мост, сигнал с которого поступает на вход компаратора DA1.3.
Пока температура транзисторов ниже максимальной, сопротивление RT1 высокое и напряжение на выходе компаратора DA1.3 имеет низкий уровень. При повышении температуры сопротивление терморезистора RT1, имеющего отрицательный ТКС, понижается и как только оно станет меньше 1,21 кОм, напряжение на выходе компаратора DA1.3 станет высоким.
Высокое напряжение с выхода DA1.3 через резистор R26 и светодиод HL1 (рис. 27) поступит на вход выключения SDN ШИМ контроллера DA2. В результате вывода ШИМ контроллера будут переведены в неактивное состояние. Индикация срабатывания защиты осуществляется при помощи светодиода HL1.
Как уже говорилось ранее, на время зарядки конденсаторов С4, С5 (рис. 27) работа ШИМ контроллера блокируется. Для блокирования ШИМ контроллера служит транзистор VT2, который включен параллельно терморезистору RT1. Во время зарядки С4, С5 (рис. 27), высокий уровень напряжения с выхода электронного реле времени (катод VD2 на рис. 27), через вывод 22 БУ и делитель R21R22, поступает на базу транзистора VT2. Транзистор открывается и шунтирует терморезистор RT1. В результате происходят действия аналогичные срабатыванию термозащиты.
Рис. 30. Принципиальная электрическая схема инверторного сварочного источника COLT 1300 (блок управления)
Рассмотрим работу узлов БУ, ответственных за реализацию функций Anty-Stick и Arc Force, о которых говорилось ранее.
Функция Anty-Stick реализуется при помощи обмотки III трансформатора Т3 и первого выпрямительного узла VD22C22 (рис. 27), делителя R31 (рис. 27) R1, компаратора DA1.4 и диода VD1.
Напряжение обмотки III, пропорциональное выходному напряжению источника, поступает на первый выпрямительный узел, где выпрямляется и усредняется. С выхода первого выпрямительного узла напряжение через делитель поступает на прямой вход компаратора DA1.4. На его инверсный вход с помощью делителя R4R5 подано напряжение +2,55 В (половина от напряжения +5,1 В, формируемого внутренним стабилизатором ШИМ контроллера DA2 на его выводе VRF).
Компаратор переключается при снижении напряжения нагрузки источника ниже 19 В. Пока нагрузкой источника является электрическая дуга, напряжение на прямом входе компаратора DA1.4 преобладает и на его выходе присутствует высокое напряжение, которое запирает диод VD1.
При залипании электрода, напряжение в сварочной цепи снижается и, после разрядки конденсатора С22 (рис. 27), снижается напряжение на прямом входе компаратора DA1.4. Высокий уровень на выходе компаратора меняется на низкий, диод VD1 открывается и шунтирует напряжение задания, поступающее с движка резистора R13 «Ток сварки» (рис. 27). В результате выходной ток источника снижается до минимума.
Функция Arc Force реализуется при помощи обмотки III трансформатора Т3, второго выпрямительного узла VD23C23 (рис. 27), делителя R32 (рис. 27) R2 и узла форсирования задания, состоящего из элементов R3, R6—R9, C2, C3, DA1.1, VD2, VD3. На прямой вход ОУ DA1.1 с делителя R4, R5 подано напряжение +2,55 B.
Напряжение обмотки III, пропорциональное выходному напряжению источника, поступает на второй выпрямительный узел, где выпрямляется и усредняется. С выхода второго выпрямительного узла напряжение через делитель поступает на узел форсирования. Узел форсирования активизируется при снижении напряжения нагрузки источника ниже 15 В.
Пока нагрузкой источника является электрическая дуга, напряжение на выходе второго выпрямительного узла преобладает и на выходе DA1.1 присутствует низкий уровень, и форсирование не производится. При падении выходного напряжения источника, что говорит о сокращении длины дуги, на выходе DA1.1 появляется высокий уровень напряжения, который через цепочку C3R9VD3 поступает в цепь задания сварки. Длительность импульса форсирования около 0,5 с и определяется RC цепочкой R14 (рис. 27) и С3. Диод VD2 создает цепь для разрядки конденсатора С3.
Настройка
Источник имеет только один подстроечный элемент — R35 (рис. 29), с помощью которого нужно выставить максимальный ток сварки, в крайнем правом положении резистора R13 «Ток сварки» (рис. 27).
