Германиевый диод как датчик температуры
Сообщений 1 страница 2 из 2
Поделиться227.01.2020 18:07:45
Термодатчики на диодах в схемах на МК
Измерение температуры с помощью полупроводниковых диодов представляет особый интерес для массового применения, тк. они доступнее и дешевле других датчиков и имеют хорошую повторяемость параметров.
Для измерений используется прямая ветвь ВАХ диодов, поскольку обратная ветвь менее стабильна. Нелинейность показаний легко учитывается двумя программными методами. Во-первых, можно плавно аппроксимировать температурную характеристику эмпирической формулой, во-вторых, можно использовать дискретную таблицу поправок с сохранением коэффициентов в ПЗУ МК.
В термодатчиках выгодно применять германиевые (а не кремниевые) диоды, поскольку у них сильнее проявляется зависимость параметров от температуры. Однако устаревшие германиевые диоды типа Д2Б, Д7Ж, выпущенные 40…50 лет назад, уже не обладают заявленными техническими параметрами. Сточки зрения надёжности они давно выработали ресурс хранения и эксплуатации, что в любой момент грозит выходом элемента из строя.
Считается, что термодатчики на диодах обеспечивают приемлемую линейность измерения температуры в диапазоне 0…+ 100°С (по некоторым оценкам -60…+ 150°С). Для достоверности достаточно откалиброваться в двух крайних точках диапазона по образцовому термометру ТЛ-4 ГОСТ 28498-90. Если таковой отсутствует, то используют … обычную очищенную воду. Известно, что температуру 0°С можно получить в момент образования льда (смесь воды с льдинками в морозильной камере холодильника). Температура +100°С соответствует кипящей воде в кухонном чайнике. Контрольная проверка — температура тела человека.
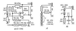
Электрический режим работы диодов должен быть стабильным во времени и максимально не нагруженным по току (Рис. 3.66, а…д), в связи с чем уменьшаются ошибки измерений, связанные с саморазогревом кристалла.

а) высокоомный резистор /?/служит своеобразным генератором стабильного тока для термодатчика VD1. Напряжение на входе МК пропорционально температуре окружающей среды в диапазоне-50…+100°С. Коэффициент преобразования составляет 2…2.5 мВ/°С, погрешность меньше 1%. Конденсатор С/снижает уровень помех при большом удалении диода VD1 от МК;
б) к двум каналам АЦП МК подключаются одинаковые цепи, но измеряемые напряжения будут разными, поскольку VD1 служит термодатчиком, а VD2 — обычным диодом. Используется дифференциальный режим работы АЦП. Фиксируются не абсолютные температуры, а их разность в двух удалённых местах, например, в помещении {VD2) и на улице {VD1). Диоды могут быть не только германиевыми, но и кремниевыми. Их можно зашунтировать конденсаторами 0.1 мкФ;

Рис. 3.66. Схемы подключения диодных термодатчиков к МК {окончание)’.
в) усилитель DA1 расширяет динамический диапазон сигнала, поступающего от термодатчика на диоде VD1. Резистором R2 калибруется начальное значение, резистором R6 — диапазон температур. Чтобы повысить линейность по краям, ОУ Z)/l/следует применить «rail-to-rail»;
г) «нижнее» включение диодов Шоттки VDI…VD4, выступающих в качестве термодатчиков. Их последовательное соединение повышает чувствительность в четыре раза. Температура определяется табличным методом по замерам напряжений АЦП МК. Резистор RI имеет высокое сопротивление, что снижает протекающий через термодатчики ток и устраняет их саморазогрев. Резистор обеспечивает оптимальное входное сопротивление для АЦП МК;
д) «верхнее» включение кремниевых диодов VDI, VD2, выступающих в качестве термодатчиков. Для нормальной работы АЦП МК требуется, чтобы на вход подавалось напряжение, близкое к питанию +5 В. Для сравнения, в схемах с «нижним» включением диодов можно подавать на вход более низкое (а значит и более стабильное) напряжение +1.2…+2.5 В от внешнего ИОН. Возможная замена диодов VD1, VD2— 1N4148.